- 易迪拓培训,专注于微波、射频、天线设计工程师的培养
使用双轴加速度计进行倾斜测量
图1所示电路集成了双轴加速度计ADXL203和12位逐次逼近(SAR)型ADCAD7887,打造出一款双轴倾斜测量系统。
ADXL203是一款多晶硅表面微加工传感器并集成信号调理电路。X或Y轴方向的加速度会在器件的XOUT或YOUT输出端上产生相应的输出电压。X轴和Y轴相互垂直。AD8608四通道运算放大器会对ADXL203输出进行缓冲、衰减和电平转换,使输出处于适当的电平,从而驱动AD7887的输入。选择轨到轨输入/输出AD8608的原因是它具有低失调电压(最大值为65μV)、低偏置电流(最大值为1 pA)、低噪声(8 nV/√Hz)且尺寸小(14引脚SOIC或TSSOP封装)等特性。
AD7887可通过片内控制寄存器配置为单通道或双通道工作模式。本应用中将该器件配置为双通道模式,以允许用户监控ADXL203的两个输出,因此提供了一种更为准确和完善的解决方案。
在整个温度范围内,该系统可在90°范围内维持1°的精度。该电路凭借这一精度、性能和范围提供一种低成本、低功耗、小尺寸的校准相关解决方案。ADXL203的最小额定工作温度范围为?40°C至+105°C,并提供8引脚陶瓷无引脚芯片载体封装(LCC)。

Figure 1. Dual Axis Tilt Measurement System (Simplified Schematic: Decoupling and All Connections Not Shown)
电路描述
电源电压和去耦
只要140 kHz内部时钟频率上不存在噪声,ADXL203就只需要一个0.1μF去耦电容。如果需要,可以包含较大的大容量电容(1μF至10μF)或氧化铁磁珠。
为使输出逻辑电平与SDP板兼容,AD7887必须采用+3.3 V供电轨供电。电路其余部分则采用+5 V供电轨供电,如图1所示。ADXL203经过测试的标称电源电压为+5 V.虽然ADXL203可以采用3 V至6 V之间的任意电源电压工作,但5 V时整体性能最佳。有关其它电源电压下的性能详情,请参阅ADXL203数据手册。
ADXL203输出是比率式的,当电源电压升高时,输出电压也会升高。输出灵敏度与电源电压成比例。VS = 3 V时,输出灵敏度典型值为560 mV/g.Vs = 5 V时,该器件的标称灵敏度为1000 mV/g.
零g输出电平也是比率式的,因此所有电源电压情况下,零g输出的标称值均等于VS/2.
但是,ADXL203的输出噪声不是比率式的,而是绝对的,其单位为伏特(V)。这意味着,噪声密度将随着电源电压升高而下降。这是因为比例因子(mV/g)增加而噪声电压却保持不变。VS = 3 V时,噪声密度的典型值为190μg/√Hz,VS = 5 V时则为110μg/√Hz.
噪声、带宽和输出电容选择
ADXL203噪声具有白高斯噪声的特征,所有频率下的贡献值均相同,用μg/√Hz表示(该噪声与加速度计带宽的平方根成比例)。用户应将带宽限制为应用所需的最低频率,以便最大程度地提高加速度计的分辨率和动态范围。
带宽由器件XOUT和YOUT引脚上的电容(CX,Y)设置。这些电容与ADXL203的32 kΩ内部输出电阻结合,构成一个低通滤波器。这些滤波器主要用于实现降噪和抗混叠。3 dB带宽的计算公式如下:
BW = 1/(2πR×C(X,Y)), where R = 32 kΩ
由于具有单极点滚降特征,因此当电源电压为5 V时,ADXL203的噪声典型值可以通过下式确定:
RMS Noise = (110μg/√Hz)×√(BW×1.57)
通常需要知道峰峰值噪声,因为该值可以最好地估算一次测量中的不确定性,峰峰值噪声通过将均方根值乘以6来估算。
表1给出了给定滤波器电容的带宽、均方根噪声和峰峰值噪声。对于此电路,两个10μF电容会产生0.5 Hz的带宽。在所有情况下,所需的最小电容均为2000 pF.

传感器的物理操作
该传感器为表面微加工多晶硅结构,置于晶圆顶部。多晶硅弹簧悬挂于晶圆表面的结构之上,提供加速度力量阻力。差分电容由独立固定板和活动质量连接板组成,能对结构偏转进行测量。
固定板由180°反相方波驱动。加速度使梁偏转,使差分电容失衡,从而使输出方波的幅度与加速度成比例。然后,使用相敏解调技术来对信号进行整流并确定加速度的方向。
输入矢量和器件方向
ADXL203的输入信号不是标准电流或电压。相反,加速度计会使用重力作为输入矢量来确定空间中物体的方向。图2显示了ADXL203相对于地球表面的五种不同方向以及基于传感器方向的对应输出电压。
当目标轴(本例中为X轴)与地球表面平行时,传感器处于0 g场,这相当于2.5 V零g偏置电平。输出电压将根据器件的灵敏度而变化(1000 mV/g)。因此,顺时针或逆时针旋转90°将分别产生+1 g或?1 g场,相应的输出电压则分别是3.5 V或1.5 V.有关各种IC方向及其对应的输出电压,请参见图2.

Figure 2. Output Response vs. Orientation
调理ADXL203电压输出
为了处理加速度计数据并计算出角度,必须通过AD7887对信息进行数字化处理。必须确定ADXL203的最差输出电压范围并将其与ADC输入电压范围进行比较。AD7887的输入电压范围为0 V至VDD = 3.3 V.ADXL203的理想输出电压范围为1.5 V至3.5 V.不过,确定此范围时忽略了数种非理想特性。
第一种非理想特性是零g偏置电平。此电压的额定范围为2.4 V至2.6 V,最差情况下会上下偏移100 mV.第二种非理想特性是特定输出的灵敏度,最差规格为960 mV/g至1040 mV/g.通过结合考虑这些误差,就可以计算出ADXL203最差情况的输出范围:
VMAX (+1 g) = (2.6 V) + (1040 mV/g)×(+1 g) = 3.64 V
VMIN (?1 g) = (2.4 V) + (1040 mV/g)×(?1 g) = 1.36 V
既已确定加速度计的输出范围,接下来目标就是操控此范围(VCM = 2.5 V时为1.36 V至3.64 V)来满足ADC输入范围要求。对于双通道工作模式,AD7887输入范围为0 V至VDD(VCM = 1.7 V时为0 V至3.3 V)。四通道AD8608用于构建图1所示的2级调理电路。
第一级提供大小为1.2的信号增益并对共模电压进行电平转换,使其大小变为2 V.第二级提供大小为1.1的信号增益(总信号增益为1.32时)并建立1.7 V共模输出电压。此运算放大器级的输出电压范围就与ADC输入电压范围非常一致,负端和正端分别略有200 mV和100 mV的裕量。
单轴倾斜计算
在此以图3所示的单轴解决方案为例进行说明。根据三角恒等式,X轴上的重力矢量投影会产生输出加速度,大小等于加速度计X轴和水平面之间夹角的正弦值。水平面通常是与重力矢量正交的平面。当重力为理想值1 g时,输出加速度为:
AX, OUT [g] = 1 g×sinθ
利用反正弦函数可以将加速度转换成倾斜角。
θ= sin -1 (AX, OUT [g]/ g)
其中,倾斜角θ单位为弧度。

Figure 3. Single Axis Used for Tilt Sensing
必须注意,使用单轴解决方案时,灵敏度会随水平面和X轴之间的夹角增大而降低。当该角度接近±90°时,灵敏度会趋于0.这点可以从图4中看出,其中绘出了输出加速(以g表示)度与倾斜角之间的关系图。接近±90°时,倾斜角出现很大变化时,输出加速度只会产生很小变化。
必须注意超出范围的信号。加速度计可能会因为振动、冲击或其它突然加速而输出大于±1 g的信号。

Figure 4. Output Acceleration vs. Angle of Inclination for Single Axis Inclination Sensing
单轴与双轴考虑因素
要解决单轴解决方案中灵敏度随着旋转角度趋于90°而逐渐下降的问题,一种简单的方法是增加一个与原轴正交的轴。增加一个轴对确定倾斜角有三大好处。

Figure 5. Two Axes Used for Tilt Sensing
增加一个轴的第一大好处在于两个轴相互垂直。在单轴解决方案中,X轴检测到的加速度与倾斜角的正弦值成比例。由于两个轴相互垂直,因此Y轴加速度与倾斜角的余弦值成比例(见图6)。随着一个轴的灵敏度下降,另一个轴的灵敏度会上升。
使用至少两个轴的第二大好处是,与单轴解决方案不同,增加一个轴后,即使第三个轴上存在倾斜,也可以测出精确值。而在单轴解决方案中,只要任何其它轴上存在倾斜,就会造成显著误差。这是因为灵敏度与目标轴上重力的和方根(rss)值成比例。

Figure 6. Output Acceleration vs. Angle of Inclination for Dual-Axis Incination Sensing
增加一个轴的第三大好处是,能够区分各个象限并在整个360°弧度范围内测量角度。每个象限都具有与X和Y轴加速度关联的不同符号组合。
如果操作数AX, OUT/AY, OUT为正值,反正切函数会返回第一象限中的值,如果操作数为负值,则反正切函数会返回第四象限中的值。第二象限内的操作数为负值,因此在计算该象限内的角度时应将结果加上180°。第三象限内的操作数为正值,因此在计算该象限内的角度时应从结果中减去180°。而该角度所处的确切象限则可以通过各轴上测得的加速度符号来确定。
双轴倾斜计算
既然系统中增加了一个轴,也就需要重新审视倾斜角的计算方法。简单的方法就是照旧计算X轴,再以类似方式计算Y轴,不过记住要使用角度的余弦。
AX, OUT [g] = 1 g×sinθ
AY, OUT [g] = 1 g×cosθ
利用反正弦函数和反余弦函数将加速度转换成角度。
θ= sin-1 (AX, OUT [g]/ 1 g)
θ= cos-1 (AY, OUT [g]/ 1 g)

其中,倾斜角θ单位为弧度。
但是,更简单的方法是应用三角恒等式并使用这些值的比值,那样可得到如下结果:
其中,倾斜角θ单位为弧度。
校准
在图1所示的加速度计电路设计中,最关键的就是能够校准该系统。如果不进行精确校准而又没有适当的测试程序和设置,该系统的误差将远大于预期值。CN0189 Labview软件包含一个预定义的系统校准程序。接下来,我们将探讨如何校准本系统,以及误差贡献有哪些和为何需要进行校准。
失调误差的影响
首先设想一下,某个双轴解决方案具有完美的灵敏度,但X轴上存在50 mg失调。0°时,X轴读数为50 mg,Y轴读数则为1 g.由此计算得出的角度就是2.9°,因而会造成2.9°的误差。±180°时,X轴的读数为50 mg,Y轴的读数则为?1g.由此计算得出的角度会存在?2.9°的误差。
图7所示为本例中算出的角度和实际角度之间的误差情况。失调引起的误差可能不仅大于系统所需的精度,而且还会发生变化,使简单地通过校准消除误差角变得困难。当多个轴上都存在失调时,这将会变得更为复杂。

Figure 7. Calculated Angle Error Due to Accelerometer Offset
灵敏度失配误差的影响
在双轴倾斜检测应用中,主要误差成分是目标轴之间的灵敏度差异(在单轴解决方案中,如果实际灵敏度和预期灵敏度之间存在任何偏差,则会导致出现误差)。由于使用的是X和Y轴的比值,因此如果两者灵敏度相同,则可以消除大多数误差。
下面举例说明加速度计灵敏度失配情况。假设某个双轴解决方案具有完美的失调调整功能,且Y轴具有完美的灵敏度,但X轴的灵敏度为+5%.在1 g场中,Y轴读数为1 g,X轴读数则为1.05 g.图8所示为因为这种灵敏度失配而造成角度计算出现的误差情况。与失调误差类似,加速度计灵敏度失配引起的误差会在整个旋转范围内不断变化,使在计算出倾斜角后进行误差补偿变得困难。

Figure 8. Calculated Angle Error Due to Accelerometer Sensitivity Mismatch
无调头校准技术
当失调引起的误差和灵敏度失配引起的误差两者相叠加时,总误差可能会变得相当大,完全超出倾斜检测应用所能接受的范围。要减少这类误差,就应当对失调和灵敏度进行校准,并使用校准后的输出加速度来计算倾斜角。包括失调和灵敏度的影响后,加速度计输出变化如下:
AOUT[g] = AOFF + (增益×AACTUAL)
其中:
AOFF是失调误差,单位为g.
Gain是加速度计的增益,理想值为1.
AACTUAL是作用于加速度计的实际加速度,理想值为g.
一种简单的校准方法是假设增益为1并测量失调。经过此校准之后,系统的精度即会限制为未校准的灵敏度误差。这种简单的校准方法可通过将目标轴置于1 g场中并测量输出(大小等于失调)来完成。然后,应在处理信号之前从加速度计的输出中减去该值。这种方法通常称为无调头或单点校准,因为器件的典型取向会将X和Y轴置于0 g场中。如果使用的是3轴器件,则应针对Z轴包含至少一个调头或第二个点。
多调头校准技术
一种更加精确的校准方法是每个目标轴上取用两个点。当某个轴处于+1 g和?1 g场中时,测得的输出如下:
A+1g[g] = AOFF + (1 g×增益)
A?1g [g] = AOFF + (?1 g×增益)
其中,失调A,OFF以'g‘表示。
利用这两个点确定的失调和增益如下:
AOFF [g] = 0.5×(A+1g[g] + A-1g[g])
增益= [0.5×(A+1g[g] + A-1g[g])]/ 1 g
其中,+1g和?1g测量结果A+1g[g]和A-1g[g]均以g表示。
由于测量目标轴时,正交轴都处于0 g场,因此这种校准方法还有助于将跨轴灵敏度影响降至最低。利用这些值,首先可以从加速度计测量结果中减去失调,然后将所得结果除以增益。
AACTUAL[g] = (AOUT– AOFF) /增益
以上公式在计算AOFF和增益时均假设加速度值A+1g和A-1g均以g表示。
如果加速度单位采用mg,AOFF的计算结果会保持不变,但增益的计算结果需要除以1000,以处理单位上的变化。
T测试结果
PCB安装于能够自由旋转360°的板上,并用上述校准技术取得了一组数据(找出X和Y轴的+1 g和?1 g值来确定各个轴的失调和灵敏度)。通过调整PCB,使得Y轴输出+1 g电平(~3.5 V),X轴输出0 g电平(~2.5 V)。经过校准后,将此方向视为0°。
然后,以1°为增量将PCB旋转到±90°。图9和图10分别显示了X和Y轴的误差情况。

图9.输入角度与输出角度之间的关系(以arcsin (X)进行计算)

Figure 10. Input Angle vs. Output Angle Calculated as arcos(Y)

图11.输入角度与输出角度之间的关系(以arctan(X/Y)进行计算)
随着各自读数逐渐接近±1 g,两个轴上的误差会不断增加。所对应的板方向是X轴为±90°,Y轴则为0°。
图11所示为根据X轴和Y轴的反正切值而得出的误差情况。注意,两个轴的比值误差并没有图9和图10所示的界限。
PCB布局考虑
在任何注重精度的电路中,必须仔细考虑电路板上的电源和接地回路布局。PCB应尽可能隔离数字部分和模拟部分。本系统的PCB采用4层板堆叠而成,具有较大面积的接地层和电源层多边形。有关布局布线和接地的详细论述,请参考教程MT-031,有关去耦技术的信息,请参考教程MT-101.
AD7887的电源应当用10μF和0.1μF电容去耦,以适当地抑制噪声并减小纹波。这些电容应尽可能靠近相应器件,0.1μF电容应具有低ESR值。对于所有高频去耦,建议使用陶瓷电容。
电源走线应尽可能宽,以提供低阻抗路径,并减小电源线路上的毛刺效应。时钟和其它快速开关的数字信号应通过数字地将其与电路板上的其它器件屏蔽开。
有关本电路的完整设计支持包,请参阅www.analog.com/CN0189-DesignSupport.
常见变化
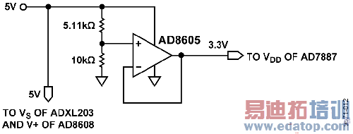
ADXL203的灵敏度和AD7887的增益都分别与电路中其各自的电源电压成比例。整个电路可以配置成比率式的,方法是使用后接AD8605缓冲器的阻性分压器从5 V电源获得3.3 V VDD电源,具体如图12所示。

图12.比率工作模式下AD7887的VDD电源
这种配置可以将电路对电源电压变化的敏感性降至最低。
AD8505和AD8606分别是AD8608的单通道和双通道版本,可以根据需要在该电路中使用。
电路评估与测试
本电路使用EVAL-CN0189-SDPZ电路板和EVAL-SDP-CB1Z系统演示平台(SDP)评估板。这两片板具有120引脚的对接连接器,可以快速完成设置并评估电路性能。EVAL-CN0189-SDPZ板包含要评估的电路,如本笔记所述。SDP评估板与CN-0189评估软件一起使用,可从EVAL-CN0189-SDPZ电路板获取数据。
设备要求
带USB端口的Windows? XP、Windows Vista?(32位)或Windows? 7(32位)PC
EVAL-CN0189-SDPZ电路评估板
EVAL-SDP-CB1Z SDP评估板
CN-0189评估软件
电源:+6 V或+6 V“壁式电源适配器”
开始使用
将CN0189评估软件光盘放进PC的光盘驱动器,加载评估软件。打开“我的电脑”,找到包含评估软件光盘的驱动器,打开Readme文件。按照Readme文件中的说明安装和使用评估软件。
功能框图
电路功能框图参见本电路笔记的图1,电路原理图参见“EVAL-CN0189-SDPZ-SCH-Rev0.pdf”文件。此文件位CN0189设计支持包中。
设置
EVAL-CN0189-SDPZ电路板上的120引脚连接器连接到EVAL-SDP-CB1Z(SDP)评估板上标有“CON A”的连接器。应使用尼龙五金配件,通过120引脚连接器两端的孔牢牢固定这两片板。利用合适的RF电缆,通过SMA RF输入连接器将RF信号源连接到EVAL-CN0189-SDPZ板。
在断电情况下,将一个+6 V电源连接到板上标有“+6 V”和“GND”的引脚。如果有+6 V“壁式电源适配器”,可以将它连接到板上的管式连接器,代替+6 V电源。SDP板附带的USB电缆连接到PC上的USB端口。注:此时请勿将该USB电缆连接到SDP板上的微型USB连接器。
测试
为连接到EVAL-CN0189-SDPZ电路板的+6 V电源(或“壁式电源适配器”)供电。启动评估软件,并通过USB电缆将PC连接到SDP板上的微型USB连接器。
一旦USB通信建立,就可以使用SDP板来发送、接收、捕捉来自EVAL-CN0189-SDPZ板的串行数据。
有关测试设置、校准以及如何使用评估软件来捕捉数据的详细信息,请参阅CN0189评估软件Readme文件。
上一篇:基于GPS的恒温晶振频率校准系统的设计与实现
下一篇:系统化测试支撑TD


