- 易迪拓培训,专注于微波、射频、天线设计工程师的培养
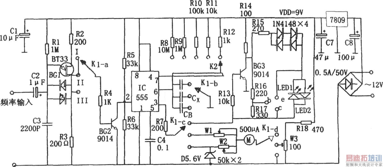
555构成的电容、频率、晶体管在线检测器
录入:edatop.com 点击:
如图所示为电容、频率、晶体管在线检测电路。本检测器对电容、频率、晶体管进行检测时可通过调节预置开关K1来转换。将K1置于II可检测电容。555和R8~R12及待测电容Cx组成单稳定时电路,Cx容量越大,则脉冲越宽,即td=1.1(R8~R12)Cx越长,电流平均值越大,相应表头的指示越大。电路中BG1为单结晶体管,其与R1、C3组成弛张振荡器,其输出的振荡脉冲信号作为IC的触发脉冲。将K1置于III可进行频率测量。此时单稳电路IC输出td=1.1(R8~R12)CB的定值宽度的信号。输入信号的频率越高。IC被触发的次数越多,则电流平均值越大,相应表头指示也越大。将K1置于I可进行在线晶体管测试。该原理类似于检测电容。电路中晶体管BG1完成正负电源的转换。随着IC输出高、低电平的交替变化,若发光二极管LED1、LED2依次发光,则说明晶体管是好的,否则晶体管是坏的。


上一篇:能够显示开路状态的逻辑笔之(CD4001)
下一篇:555构成的电阻快速测估电路


