- 易迪拓培训,专注于微波、射频、天线设计工程师的培养
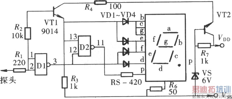
能够显示开路状态的逻辑笔之(CD4001)
录入:edatop.com 点击:
如图所示为能够测试和显示包括高、低电平和开路状态的逻辑笔。




上一篇:555构成的电容器检测筛选电路
下一篇:555构成的电容、频率、晶体管在线检测器


上一篇:555构成的电容器检测筛选电路
下一篇:555构成的电容、频率、晶体管在线检测器