• 易迪拓培训,专注于微波、射频、天线设计工程师的培养
首页 > 测试测量 > 技术文章 > 用门电路组成的文字显示型逻辑笔之二(CD4011)

用门电路组成的文字显示型逻辑笔之二(CD4011)

录入:edatop.com    点击:
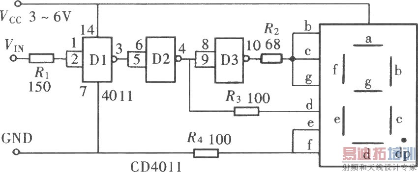
门电路组成的文字显示型逻辑笔可有多种形式,既可由反相器组成,也可以用与非门组成,还可用或非门组成等。如图所示的逻辑笔是由与非门CD4011与共阳极数码管共同组成的。

点击浏览:矢量网络分析仪、频谱仪、示波器,使用操作培训教程

上一篇:555构成的三极管好坏判别器
下一篇:反射光强度的检测电路(CD4052B、CD4011B)

微波射频测量操作培训课程详情>>
射频和天线工程师培训课程详情>>

  网站地图