- 易迪拓培训,专注于微波、射频、天线设计工程师的培养
一种医用人体基本参数测试仪的设计 (1)
1 引言
研究的是一台人体基本参数测试仪,可以测量体温、脉搏和呼吸间隔等参数。这些参数与记录是应用最多的基础护理技术操作,各项技术比较成熟。但普通便携式设备大多功能单一,精度不高,且仅能作为临时测量使用,无法跟踪病人的整个治疗过程:医院里使用的大型医疗设备能够提供很高的精度,且功能全面,但过于专业的使用方法以及高昂的价格导致它们的市场需求不高。鉴于这些缺点,该系统的研究具有以下两点意义:①通过一台仪器将人体各项参数集中在一起进行实时测量,从而提高测量仪器的集成度和便利性。②测量采用全自动的方式,通过对各项参数设定门限,可以在测量后对超出门限的参数自动给出相关说明。这部便携、精准和可记录的人体参数测试仪具有很高的科学价值和社会意义。
2 设计方案比较分析
2.1 体温测量
方案l:采用数字温度传感器。数字温度传感器内部集成了温度传感器和模数转换器,可以把温度直接转化为数字量送入微处理器。
方案2:采用模拟温度传感器。即采用输出电压可连续变化的模拟温度传感器,再通过高精度的A/D转换器将模拟电压量转换为数字量。
方案1实现起来较为简单.但想实现高精度的温度测量,成本较高。而方案2中由于传感器的输出电压可以连续变化,只需提高A/D转换器的精度就可以大幅度提高温度测量的精度,故系统采用方案2。
2.2 呼吸间隔测量
方案1:人体胸部的起伏可以通过弹性材料的伸缩来反映,弹性材料的伸缩带动滑片在电阻丝上滑动,改变其两端电阻。通过电阻分压的方法使电压的变化与胸部起伏的变化规律相同,最终实现呼吸间隔的测量。此方案对弹性材料和电阻丝,以及捆绑方式都有严格要求。
方案2:采用压力传感器实现。其装置如图1所示。图中的带子选用长度形变很小的线材制成,带子上固定一个压力传感器,则胸腔的起伏引起压力传感器上压力的变化,通过采集传感器输出的电信号在时间轴上捕捉胸腔起伏的趋势,可以实现呼吸间隔时间的测量。该装置简单,更适应于便携设备的要求。
综上所述,系统选取方案2。
2.3 脉搏测量
方案1:采用光电传感器实现。将手指尖放置在光源和光敏器件之间,当手指中有跳动的脉搏时,血液的透光性发生变化,光敏器件接收的光强随之变化。从而得到按脉搏跳动规律变化的电信号,但提取的信号非常微弱。
方案2:采用压电传感器实现。在手腕处安装灵敏度较高的压电传感器,将跳动的脉搏产生的压力信号转换为电信号,从而实现脉搏的测量。但是成本较高。
方案3:采用驻极体话筒实现。让话筒紧贴脉搏,则跳动的脉搏信号便可通过这一过程转换为相应的电信号。该方案提取的电信号很明显,测量精度很,且成本很低。
综上所述,系统采取方案3。
3 系统总体设计
系统以单片机为控制核心,由提取体温、脉搏次数和呼吸间隔的传感器及相应的信号调理模块、放大整形模块、电源模块、键盘控制模块,以及LCD显示模块等构成。系统还包括一个可以与独立监测单片机进行串行通讯的集中监测机,用于对仪器设备进行网络化管理。系统具体实现框图如图2所示。

4 理论分析
4.1 脉搏测量误差分析
人的脉搏频率一般为60~100次/min,以脉搏信号调整、整形后的信号为门限,在第一个上升沿开始对标准脉冲fo计数,第二个上升沿停止计数,计数值为N。这种在门限内的填充计数存在误差。脉冲频率越小,计数值越大,此方法固有误差的影响就越小。则脉搏频率f=100次/min时,误差最大。取fo=l kHz,此时理论上N=fo(60/100)=600次,而实际可能为599或者601。根据公式f=(60xfo)/N,可以得到f1=100.169次/min和99.833次/min。△fmax≤0.2次/min,精度很高。
4.2 温度测量数据处理方法分析
影响体温测量的因素很多。为提高测量精度,适当增加测量次数,利用补偿的方法减小随机误差的影响。为了获得最可信赖的结果,利用最小二乘法,在残余误差平方和最小的条件下测得值最可信赖。
被测温度和输出电压V成线性关系,即V=b+aT,则线性参数的误差方程为

式中:vi为每次测试值和真值的误差。
在等精度测量中,应满足最小二乘条件式

利用标准温度值T1,T2…Tn带入方程组中可以解得a和b的值,这样,就完成了利用最小二乘法对载重和电压进行线性标定的过程。
5 功能电路设计
5.1 温度传感器及后级放大电路
该电路采用美国国家半导体公司的LM35作为温度传感器,由于其输出电压较小,所以在后级加入了同相放大电路,运放采用超低噪声及失调电压的LTCl047。如图3所示。

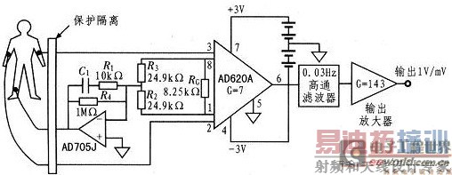
5.2 脉搏信号提取电路
该电路由话筒及仪表放大器AD620组成。话筒将脉搏信号转换为电信号,仪表放大器AD620采用单电源供电,电位器R3用于调节2引脚的直流偏置,使其与3引脚的输入信号中的直流偏置相同,从而实现差分放大。其参考端5引脚通过电位器R4加上直流偏置,可以根据需要对输入信号在较大范围内进行放大。
AD620的失调电压和失调电流小、共模抑制比高,其最大失调电压为50μV,最大失调电流为10 nA,最小共模抑制比为100 dB,所以对在微弱信号的处理,也就是放大和消除噪声方面有着比较优秀的品质,在仪表放大中应用较多,如简易心电仪、压力传感器、超声仪等。AD620还有一个偏置端,可输出带偏置的信号,也可用于程控放大等场合。AD620最典型的应用是心电信号检测,图4为心电信号检测电路中的AD620电路,其输入端(2、3引脚)接入的是一对差分信号。

图4 AD620典型应用
6 系统软件设计
程序作为单片机的控制核心。完成基本的功能.应有良好的用户界面,还要考虑较好的适应性、通用性,以最大限度地方便调试阶段的修改与调整。故在程序的编制中应注重结构化设计,还要注重层次化设计。程序流程图如图5所示。

图5 软件流程图
7 结语
人体参数测试仪体积小巧,对人体温度、脉搏、呼吸间隔测量精度高,操作简单,采用单节电池供电.可作为便携式仪器使用。在设计时考虑到各个参数的相对独立性,实物中的各个测量模块较为独立,拆卸十分方便。并且系统具有语音提示及解说的功能。系统上集成了串行接口,可以随时与其它相关仪器设备构成网络,进行集中测量和管理。该系统的研究具有重要的社会价值和实际意义。
上一篇:基于CAN总线的数据采集人机界面设计
下一篇:数字脉冲压缩技术在雷达中的应用


