- 易迪拓培训,专注于微波、射频、天线设计工程师的培养
GPRS技术在尾矿库远程监测系统中的应用
摘要:利用尾矿坝安全监测的自动化系统,实现实时监测监控是尾矿坝安全监测与管理的发展方向。在分析GPRS技术以及相关的TCP/IP技术的基础上,从系统总体设计的角度阐述了基于GPRS分组数据网络监控系统的设计,实现监控终端的软硬件设计、监控中心的软件设计、监控数据的采集与传输等。有助于矿山应急部门和相关单位进行实时监控、监视和预测尾矿的变化,为尾矿溃坝的应急指挥提供一种准确实时、成本低廉、全天候的监测手段。
关键词:通用分组无线业务;模数转换;传感器;数据采集;数据传输
0 引言
金属或非金属矿山开采出的矿石,经选厂选出有价值的精矿后产生砂一样的“废渣”,叫做尾矿。尾矿库是金属与非金属矿山安全生产的重要环节,也是该领域的重大危险源之一,作为具有高势能的人造泥石流危险源,其一旦发生事故,将会给下游人民生命财产安全造成巨大损失,给当地环境造成严重污染,给当地的经济发展和社会稳定也带来严重的负面影响。尾矿库的安全监测对于加强尾矿库的安全监管,把握尾矿库的安全现状,减少尾矿库的事故发生等具有重要意义。当前,我国尾矿库安全运行的主要技术参数如坝体形变位移、库水位、浸润线埋深等,均由人工定期用传统仪器到现场进行测量,安全监测工作量大、受天气、人工、现场条件等许多因素的影响,存在一定的系统误差和人工误差。同时,人工监测还存在不能及时监测尾矿库的各项技术参数,难以及时掌握尾矿库各项安全技术指标等缺点,这些都将影响尾矿库的安全生产和安全管理水平。
1 系统的总体框图
1.1 系统监测的参数
系统可以分别进行浸润线监测、坝体内部变形监测、水位监测、降雨量监测。
1.2 系统框图
在矿部控制中心内,配置GSM调制解调器1台、监控主机1台、管理主机1台,管理主机内安装信息管理软件及数据分析软件,监控主机内安装数据采集软件。前端采集设备通过公网到监控主机进行通讯,将所有传感器的数据上传到监控主机,管理主机对所有数据进行分析、管理,如图1所示。

本设计系统是利用MCS-51单片机,通过温度、位移、水位等传感器采集的信号,经过模数转换,将信息传送到GPRS移动通信的基站。它通过移动网关实现GPRS无线网络与Internet网互联。GPRS移动网络将数据或信息通过网关传输到互联网,而后Internet基于IP协议,通过路由将数据包直接传送到指定IP的矿部控制中心的监控主机上。网络服务器接收到信息后及时显示且将数据贮存到指定的数据库文件中。
2 系统通信的实现
2.1 建立系统通信的主要部件
(1)MCS-51系列单片机功能强,内存较大。
(2)GPRS模块。系统采用利事达信息技术有限公司开发的GPRS模块LT8030,采用标准的RS 232接口,用户可以通过单片机或其他CPU的UART口,使用相应的AT命令对模块进行控制,达到轻松进入GPRS网络的目的。
(3)服务器。建立SOCKET连接必须具有公网的IP地址,故应保证矿部控制中心计算机连接到Internet并且取得公网IP地址。在单片机对GPRS模块控制之前,服务器端需运行SOCKET端口监听程序,并且设为监听状态,端口号也要设定,例如port:1024。
2.2 系统通信的主要实现过程
(1)通过AT指令初始化GPRS无线模块,使之附着在GPSR网络上,获得网络运营商动态分配的GPRS终端IP地址,并与目的终端建立连接。
(2)通过串口0扩展MAX232标准串口和外部控制器(例如数据采集端)连接,外部控制器端接出标准串口,按照约好的协议可很容易利用本设计的控制器进行通信。
(3)复用P1.2和P1.3,也就是串口1分别和GPRS模块的TXD0和RXD0连接,通过软件置位完成对MC35的初始化和控制GPRS模块的收发数据。矿部控制中心的接收服务器支持两种接入方式:一种是通过非对称数字用户线路(Asymmetrieal Digital Sub setiber Line,ADSL)/局域网(LAN)/公共交换电话网络(Pu blic Swi tched Telephone Network,PSTN)/ISDN(Integrated services digital network)直接接入Internet。此时,发送接收服务器的动态IP地址或固定IP地址。如果接收服务器处在局域网内,可以使用第二种接入方式——即通过支持SOCKET的代理服务器接入Internet。此时发送的将是代理服务器的公网IP地址。
3 系统硬件设计
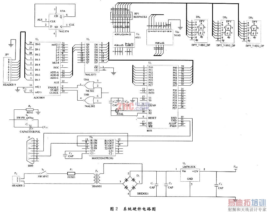
系统硬件电路图如图2所示。

(1)AT89C52单片机是一个低电压,高性能CMOS8位单片机,片内含8 KB的可反复擦写的只读程序存储器(EPROM)和128 B的随机存取数据存储器(RAM),器件采用美国Atmel公司的高密度、不易失性存储技术生产,兼容标准MCS-51指令系统,片内置通用8位中央处理器和FLASH存储单元,内置功能强大的微型计算机的AT89C52提供了高性价比的解决方案。本设计采用11.059 2 MHz晶体振荡器,通过定时器设置使之与GPRS模块的通信频率(9 600 Hz)一致。
(2)ADC0809模数转换芯片的数据采集。ADC0809内部带有输出锁存器,可与AT89C52单片机直接相连。ADC0809转换器的片选信号右P2.7线选控制,其通道地址INO~IN7分别为7FF8H~7FFFH。当单片机产生写信号时,则由一个或非门产生转换器的启动信号START和地址锁存信号ALE(高电平有效),同时将地址总线送出的通道地址A,B,C锁存,模拟量通过被选中的通道送到A/D转换器,并在START下降沿时开始逐位转换。当转换结束时,转换结束信号EOC变成高电平,经反相器后,可向CPU发中断请求。当单片机产生读信号时,则由一个或非门产生OE输出允许信号(高电平有效),将A/D转换结果读入单片机。
(3)GPRS模块。设计中所采用的是LT8030 GPRS IP Modem。LT8030基于SIEMENS的MC35 GPRS模块,并且内嵌了完整的TCP/IP协议,为用户提供更简单的网络接口。LT8030采用的GPRS技术无缝覆盖、永远在线和按流量计费。
LT8030内部包含两个主要部分:IP部分和GPRS模块。他们之间是串口连接(Serial 2)。用户上位机与LT8030也是串口连接(Serial 1)。这两个串口连接可以进行独立配置和操作,LT8030内嵌了完整的TCP/IP协议族,包括TCP,UDP,FTP,PPP,TELNET,HTTP,Web Server,SMTP,POP3等。内嵌的TCP/IP使LT8030有了访问Internet的能力。
LT8030有两种传输模式通过软件切换。LT8030在处于不同的传输模式时,数据的流向也有所不同。当用户使用AT指令集时,LT8030自动进入透明传输模,用户应用可以直接访问GPRS模块,用户数据经过Serial 2直接进入GPRS模块;当用户使用AT+i指令集时,LT8030自动进入非透明传输方式,用户数据从Serial 1进入LT8030后,由IP部分打成TCP/IP包,再经Serial 2发送给GPRS模块,GPRS再包装成GPRS数据包传送到GPRS无线数据网关。在远程终端,用户数据被数据采集设备采集并处理后送入LT8030(通过AT+i命令接口)。
LT8030首先将数据打包成TCP/IP数据包,再转换成GPRS数据包,通过无线链路传送到无限数据交换中心(MDEC)。MDEC剥离GPRS数据包,并通过网关将TCP/IP数据包传送到Internet。中心通过Socket套接字接受TCP/IP数据包,并把它还原成原始数据。当数据由中心到终端方向时,情况是一样的。
(4)LT8030的连接:单片机通过电平转换电路MAX232与GPRS模块连接,MAX232用于串行通信接口与RS 232通信接口之间的电平转换。
4 软件部分的设计
4.1 软件实现流程
本系统的前端机的软件设计采用C51编程,服务器监听软件是采用C语言编程,数据库是采用微软的Access数据库。软件实现首先是通过对整个硬件系统的初始化,然后进行数据的采集,并在数码管中显示出数据。最后通过AT指令,建立连接实现数据传送。
4.2 有关的GPRS AT指令介绍
(1)基本设置

(2)SOCKET设置
下面是建立一个TCP通讯的例子。

5 结语
基于GPRS的尾矿库的远程监测系统的实现,是通过传感器将数据转化为电压(0~5 V)传输到ADC0809中,进行采样和量化,转化为二进制数据,同时将数据贮存到单片机中,通过单片机通信串口传输给GPRS模块,单片机通过AT指令初始化GPRS无线模块,使之附着在GPRS网上,获得网络运营商动态分配给GPRS终端的IP地址,并与目的终端或服务器之间建立连接,实现无线数据通信。该系统为尾矿溃坝的应急指挥提供一种准确实时、成本低廉、全天候的监测手段。


