- 易迪拓培训,专注于微波、射频、天线设计工程师的培养
一种多路 像采集系统的软件设计
工业现场因为环境复杂,实时性要求高,常常需要对一处或多处重要位置同时进行监控,且能够在需要时切换其中一幅画面全屏显示。这就要求设计一种实时视频监控系统,既能够满足工业现场应用的特殊环境,具有体积小、功耗低、可定制的特点,又能够对多点进行同时采集和同屏显示以及对其中的一路进行切换。
国内现有的视频监控方案一般是采用CCD摄像头
摄像头
摄像头是一种输入器件,是用来组成电脑或其他机器的视觉系统的重要部件。摄像头如今已成为人们日常沟通,视频会议,安防监控和远程医疗等活动不可或缺的器材之一。 [全文]
+视频解码芯片(如SAA7113H/ADV7181B)+FPGA
FPGA
现场可编程逻辑门阵列(FPGA, Field Programmable Gate Array),是一个含有可编辑元件的半导体设备,可供使用者现场程式化的逻辑门阵列元件。FPGA是在PAL、GAL、CPLD等可编辑器件的基础上进一步发展的产物。 [全文]
/CPLD+DSP
DSP
dsp是digital signal processor的简称,即数字信号处理器。它是用来完成实时信号处理的硬件平台,能够接受模拟信号将其转换成二进制的数字信号,并能进行一定形式的编辑,还具有可编程性。由于强大的数据处理能力和快捷的运行速度,dsp在信息科学领域发挥着越来越大的作用。 [全文]
的模式实现,其中视频解码芯片用来对CCD摄像头采集的模拟信号进行AD转换,FPGA/CPLD对数据采集进行控制,DSP最终对数据进行处理。这种方法开发周期长,成本高,且可更改性差。
本文介绍的系统主要由两片Altera公司的CycloneⅡ系列的EP2C8Q20818和飞利浦公司的视频解码芯片SAA7113H以及外存储器
存储器
存储器是用来存储程序和数据的部件,有了存储器,计算机才有记忆功能,才能保证正常工作。它根据控制器指定的位置存进和取出信息。 [全文]
件SRAM等组成。两片FPGA分别完成前端图像的采集和后端数据的处理,视频解码芯片完成模拟信号向数据信号的转换,存储器件在FPGA的控制下起到数据缓存作用。
1 系统描述
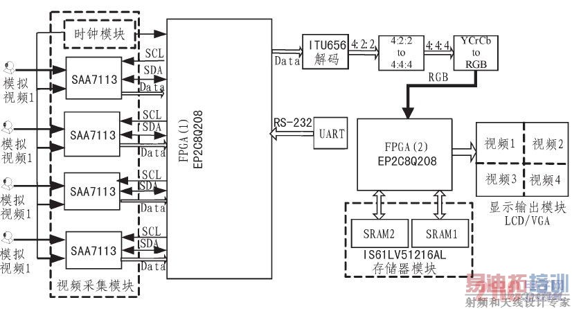
系统主要分为采集模块、解码模块、数据格式转换模块、存储模块、UART模块和LCD/VGA显示模块
显示模块
用于显示数据的模块。 [全文]
,如下图1所示。四片视频解码芯片在FPGA1的控制下通过I2C总线
总线
总线是将信息以一个或多个源部件传送到一个或多个目的部件的一组传输线。通俗的说,就是多个部件间的公共连线,用于在各个部件之间传输信息。人们常常以MHz表示的速度来描述总线频率。 [全文]
完成配置和初始化过程,输出8位与CCIR656兼容的YCrCb 4:2:2格式的视频数据,同时还包括行同步HS、场同步VS和奇偶场RTS0等信号。由于显示终端支持的是标准的RGB格式的数据,所以要对视频解码芯片输出的YCrCb 4:2:2格式数据进行转换。经转换所得的RGB数据在FPGA2的控制下,配合相应的时序信号,截取要显示的有效的640x480个像素,乒乓存入两个SRAM中,并最终在:LCD /VGA显示模块的控制下将数据显示在屏幕上。UART通讯模块集成在FPGA里,通过PC机的串口
串口
串口是计算机上一种非常通用的设备通信协议,大多数计算机包含两个基于RS232的串口。串口同时也是仪器仪表设备的通信协议,并可用于获取远程采集设备的数据。 [全文]
发送相应的控制命令,FPGA接收后切换相应通道的画面。

图1 系统结构图
2 系统软件结构
系统软件主要由采集模块、解码模块、存储模块、显示模块和UART模块组成,软件结构如图2所示。

图2 软件结构图
3 ITU656解码
ITU656解码模块根据ITU656标准将4:2:2的数据流解码成ITU656标准视频流。ITU656并行接口除了传输4:2:2的YCbCr视频流外,还有行、场同步所用的控制信号。PAL制式的图像一帧有625行,每秒扫描25帧;每行数据由1128字节的数据块组成。其中,PAL制式23~311行是偶数场视频数据,312~552行是奇数场视频数据,其余为垂直控制信号。
图3为ITU656每行的数据结构。每行数据包含水平控制信号和YCbCr视频数据信号。视频数据字是以27兆字/秒的速率传送的,其顺序是:Cb,Y,Cr,Y,Cb,Y,Cr,…其中,Cb,Y.Cr这3个字指的是同址的亮度和色差信号取样,后面的Y字对应于下一个亮度取样。每行开始的288字节为行控制信号,开始的4字节为EAV信号(有效视频结束),紧接着280个固定填充数据,最后是4字节的SAV信号(有效视频起始)。

图3 ITU656每行的数据结构
SAV和EAV信号有3字节的前导:FF、FF、00;最后1字节XY表示该行位于整个数据帧的位置及如何区分SAV、EAV。在每个时钟的上升沿读取从解码芯片传来的8位数据。当检测到一行数据的开始标志FF0000XY时,检测到SAV信号或EAV信号,提取H、F、V信号。然后发出开始命令,同时开启行列计数器
计数器
计数器是一种具有多种测量功能、多种用途的电子计数器。它可以测量频率、周期、时间间隔、频率比、累加计数、 计时等;配上相应的插件,还可以测量相位、电压等。一般我们把凡具有测频和测周两种以上功能的计数器都归类为通用计数器。 [全文]
,开始对接下来的图像数据进行解码,根据每个8位数据自身带的信息,判断该数据为Y,Cr还是Cb,从而得到Y,Cr,Cb各分量的值。解码流程如图4所示。

图4 解码流程
4 帧存储控制器与LCD/VGA显示控制器的设计
4.1 数据格式的转换
根据前面第2节的介绍,从ITU656解码模块出来的数据为8位4:2:2的YUV空间图像数据,而LCD/VGA显示器只能接收RGB数据。因为Y-CrCb4:2:2格式不能直接转换为RGB,所以需要先转换为YCrCb4:4:4格式。
我们知道解码芯片得到的视频数据是顺序为Cb,Y,Cr,Y,Cb,Y,Cr,……的序列,存储的时候将一个Y与一个C(Cb或Cr)结合起来组成一个16位的数据。而当数据被读出来时就要将这些视频数据转换为每个像素占24位(Y、Cb、Cr各占8位)的4:4:4的数据流。4:2:2到4:4:4的转换采用最简单的插值算法,在采样的时候,每隔一个像素才采一次色度值(Cb和Cr)。在转化时,直接将前一个有色度信息的像素点的Cr以及Cb的值直接赋给后一个像素的Cr和Cb,这样就能得到4:4:4的像素数据,每个像素占用24位位宽。
4.2 帧存储控制器
作为系统的重要组成部分,帧存储控制器主要用来进行有效数据的缓存。视频数据在FPGA1的控制下乒乓写入两片SRAM。乒乓技术应用的关键在于乒乓切换信号frame的产生,本系统中根据视频解码芯片的奇偶场信号RTS0来产生帧切换frame信号,也就是一个RTS0周期切换一次。一个RTS0周期由一个奇场和一个偶场组成,是一副完整的画面。当frame为1是,FPGA通过计数器的计数截取最终显示所需要的有效的像素点信息按照SRAM的控制时序写入SRAM1,同样当frame为0时,将对应的像素信息写入SRAM2,如图5所示。

图5 乒乓存储示意图
系统加电的同时,4片视频解码芯片同时工作,为了保证数据采集的准确性和显示的同步性,系统内生成一个八倍于像素时钟的写时钟信号write_clk,这样,在一个像素时钟周期,写时钟信号已经过了八个周期,而每两个周期分别完成一路图像数据的写过程。
由于SRAM是一维存储空间,一个地址对应一个数据。所以在写入数据时将SRAM的地址空间划分为4段,每一段用来存储一路图像数据。
用程序实现比较简单,设置一个地址寄存器sram_addr_reg,将它赋给SRAM的地址控制信号sram_addr。然后在对每一路图像写入时,将对应的SRAM的起始地址加上一个固定的基数。如:

这样就保证了SRAM中对应地址的数据和屏幕上显示位置的一一对应关系,在读程序中,只需要按照顺序读SRAM即可,如图6所示。

图6 SRAM地址验证
4.3 LCD/VGA显示控制器
本模块主要是用FPGA来产生LCD/VGA显示时所需要的时钟信号CLK(像素时钟信号)、VSYNC(帧同步信号)、HSYNC(行同步信号)和使能信号(VDEN),并在相应控制时序的作用下,依次将显示缓存即SRAM中的数据依次读出,输出到LCD上的过程。
LCD显示所需的主要时序信号的关系如图7所示。

图7 LCD时序信号图
在系统中,LCD屏幕分辨率为640x480,像素时钟CLK为25MHz,由于FPGA的主时钟输入选用了20 MHz的有源时钟,那么就要求利用Cyclone芯片的内部逻辑资源来实现时钟倍频,以产生所需要的CLK(25 MHz)、用Verilog语言编写参数化的时序生成模块,产生HSYNC(32 kHz)及VHY-NC(60 Hz)时钟信号,如图8所示。

图8 时序验证
VGA显示原理与LCD相似,除了在硬件上正确连接ADV7125芯片电路外根据需要的分辨率来生成相应时钟信号即可。
5 图像抖动的分析与解决
在系统完成后软硬件联调时,出现画面抖动现象,其中以RTSO为基准而产生乒乓切换的那一路图像稳定,其他三路都出现不同程度的抖动现象。对此我们做了深入的分析和实验,分析整个系统的结构可知,系统在多个时钟控制下共同工作,也就是所说的典型的异步系统。我们知道,数据在异步系统传输时对时钟要求非常严格,稍微的一点时钟偏差都会带来对有效像素截取的偏差,最终影响图像的显示质量。
解决的办法有两个,一是加入缓冲机制,利用FIFO对数据存储的特性来实现数据在异步时钟之间的无缝传输;二是同步时钟,利用状态机等方法使得异步系统的时钟能够尽可能同步。采用第二种方法对系统进行改进,首先系统中所有的分频、倍频尽量使用Quartus 6.0自带的PLL
PLL
pll是锁相环(Phase-Locked Loop)的英文简称,用来使外部的输入信号与内部的振荡信号同步。pll是用于振荡器中的反馈控制电路。 [全文]
产生,并且使用专用时钟引脚进行时钟输出;其次把写时钟write_clk降为54M,也就是每隔一个像素采集一次。最终,四路图像都能稳定显示。
6 结束语
本文实现了一种结合Altera公司生产的CycloneII系列FPGA与视频解码芯片ADV7181B的嵌入式图像采集系统。系统具有低功耗、低成本、高可靠和灵活性好等特点。基于FPGA的多路图像采集系统采用两片FPGA作为主控芯片,完成四路视频画面的同时显示和切换,实现两个FPGA的级联配置,采用Verilog语言编写的控制逻辑解决了画面抖动问题。系统软件集成度高,硬件结构清晰简单,即可满足一般监控场合对多处位置进行实时监控的需求,又能为功能更复杂的图像处理、压缩、传输系统提供前端图像数据采集。
上一篇:基于DSP的高速数据采集系统硬件设计
下一篇:Windows的可视化分析仪8.0


