- 易迪拓培训,专注于微波、射频、天线设计工程师的培养
高噪声情况下蓄电池剩余容量在线检测方法的改进
摘要:首先指出了传统的几种蓄电池剩余容量检测方法的缺点:局限性大,计算困难,对系统产生的影响大等。接着对内阻法测量蓄电池剩余容量的方法进行了分析,并给出了具体的实施方案,讨论了该方案的优缺点。最后提出了在高噪声情况下对蓄电池剩余容量在线检测方法的改进方案。实验结果证明了这种改进方法的有效性。
关键词:蓄电池;剩余容量;在线检测;高噪声
0 引言
蓄电池剩余容量是用户最为关心的一个问题,它与整个供电系统的可靠性密切相关。蓄电池剩余容量越高,则系统可靠性越高。因此,如何在既不消耗蓄电池能量,又不影响用电设备正常工作情况下,实时地在线检测蓄电池剩余容量,有着重要意义。
蓄电池是一个复杂的电化学系统,它在不同负载条件或不同环境温度下运行时,实际可供释放的剩余容量不同;而且随着蓄电池使用时间增加,其容量也将下降。通常是根据蓄电池的电解液密度来估算剩余容量的,该方法有很大局限性:在蓄电池使用后期,随着正负极板的腐蚀、断筋,难以准确推算出剩余容量;同时,这种方法也难以适应目前广泛应用的VRLA蓄电池的在线检测。近些年常用的几种蓄电池剩余容量检测方法之中,对在线使用的蓄电池来说,内阻法对系统产生的影响最小,并可以在蓄电池整个使用期内准确测量,因此,内阻法被视为一种比较理想的方法。但在高噪声情况下却发现,实际所测得的蓄电池剩余容量精度不尽人意,因此,对高噪声情况下蓄电池剩余容量在线检测方法的改进势在必行。
1 内阻法预测剩余容量的实施方案
大量研究结果表明,蓄电池内阻与荷电程度之间有较好的相关性。美国GNB公司曾对容量200~1000A·h,电池组电压18~360V的近500个VRLA蓄电池进行过测试,实验结果表明,蓄电池内阻与容量的相关性非常好,相关系数可以达到88%。随着蓄电池充电过程的进行,内阻逐步减小;随着放电过程的进行,内阻逐步增大。另外,随着蓄电池老化,其剩余容量随之下降,内阻也逐渐增大。蓄电池内阻与剩余容量的典型关系曲线如图1所示。
图1 蓄电池内阻与剩余容量的关系曲线
蓄电池完全充电(充满)和完全放电(放完)时,其内阻相差2~4倍,变化率远远大于蓄电池端电压变化率(约为30%~40%),因此,通过测量蓄电池内阻可以比较准确地预测其剩余容量。另外,对于在线使用的蓄电池来说,内阻法还有一个突出优点是对系统影响最小,可以在蓄电池整个使用期内准确测量。因此,不难看出内阻法最适合于VRLA蓄电池剩余容量的在线测量。
内阻法预测剩余容量的具体实施方案是:首先,将蓄电池充满电(以2V蓄电池为例,充电至2.23V,浮充电流至10mA),然后,以0.1 C 的放电率使蓄电池放电,记录下放电过程中内阻与剩余容量的大小。当蓄电池放电完毕(2V蓄电池放电至1.80V)便可获得完整的放电曲线,即剩余容量与蓄电池内阻之间的对应关系。将此曲线存入蓄电池监控系统的FLASHROM中,在以后测试同型号、同规格的蓄电池时,处理器根据在线测试得到的内阻值,通过查表计算,得出其剩余容量。因此,这一方法的关键在于如何在线测得蓄电池内阻。
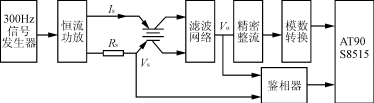
蓄电池内阻测量原理如下:在蓄电池两端施加一恒定交流音频电流源 I s,然后,检测其端电压 V o以及 I s和 V o两者之间的夹角 θ 。显然,蓄电池的交流阻抗为 Z = V o/ I s,而 R = Z ×cos θ 即为我们所要获取的蓄电池内阻值。其具体实现方案如图2所示。
图2 内阻法预测剩余电量的实现
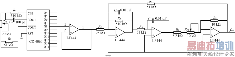
图中300Hz信号发生电路由14位二进制串行计数/分频器CD4060以及带通滤波电路组成,具体电路如图3所示。
图3 300Hz信号发生电路
2 高噪声情况下在线测量方法的改进
采用上述方法测量蓄电池剩余容量具有较高精度,离线测量时误差优于7%。然而在实时的在线测量中,却发现实际所测得的蓄电池剩余容量精度不尽人意,有时误差甚至超过10%。是什么原因引起这种误差呢?为此,我们对蓄电池的几种工作状态,即供电正常情况下的浮充状态,市电故障情况下的放电状态以及逆变器故障时的状态分别进行了测试,发现在逆变器故障情况下,可以达到与离线测试时近似的精度。至此,可以断定精度降低的原因是由逆变器反馈噪声所引起的,为此,我们尝试采用低通滤波器(截止频率为1kHz)的方法来提高测试精度,效果并不理想,可见逆变器的反馈噪声主要集中于低于1kHz范围,因此,在硬件上难以实现。
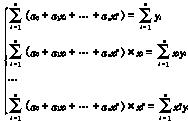
考虑到事先已经测试得到 n 个标准内阻值,因此,可以在软件上采用最小二乘拟合的办法进行数据修正。所谓最小二乘问题,就是要找出一个待定函数 f ( x ),使得 f ( x )与标准值 y 之差的平方和最小,即
s
=
[
yi
-
f
(
xi
)]2 (1)
f ( x )的求解过程如下:首先,假定 f ( x )为一个 n 次多项式,即
f
(
x
)=
a
0+
a
1
x
+…+
anxn
=
aixi
(2)
然后取出已经测试得到的 n 个标准内阻值,设为 y 1, y 2,…, yn ;从而式(1)可以化简为
s
=[
a
0+
a
1
xi
+…+
anxni
-
yi
]2 (3)
根据微积分中的极值原理,欲使式(3)最小,必须使其对每一个系数的偏导数为0,即:
(4)
该式中有 n +1个方程式,因此,可以求解出 n +1个未知数。将式(3)代入式(4)并化简可得
(5)
最后将测试过程中实测得到的 n 个阻值 x 1,…, xn 与 n 个标准内阻值 y 1, y 2,…, yn 代入式(5),就可以确定出 a 0, a 1,…, an 共 n +1个系数,从而可以得到 f ( x )。
3 实验结果
以蓄电池参数和交、直流电压为例给出系统测试结果。测试用标准表为ESCORT3155A;测试用蓄电池为南都公司GFM200,并将其在额定负载情况下以0.1 C 放电率恒流放电所得到的容量作为标准容量;测试环境温度均为18℃。蓄电池剩余容量测试结果如表1所列。
表1 蓄电池剩余容量测试结果
| 标准容量/A·h | 监控单元实测容量/A·h | 绝对误差/A·h | 相对误差/% |
|---|---|---|---|
| 200.0 | 184.9 | -15.1 | 7.6 |
| 193.6 | 180.7 | -12.9 | 6.7 |
| 176.4 | 188.9 | +12.5 | 7.1 |
| 165.7 | 153.2 | -12.5 | 7.5 |
| 135.2 | 142.8 | +7.6 | 5.6 |
| 87.76 | 83.28 | -4.48 | 5.1 |
由实验结果可以看出,经过最小二乘法拟和以后,测量结果基本接近离线测量结果。其精度完全可以满足《通信电源和空调集中监控系统技术要求》中的规定。
4 结语
蓄电池剩余容量的在线检测对整个供电系统的可靠性都有着深远的影响。它也一直是国内外研究的一个热点和难点问题。本文给出了内阻法测量蓄电池剩余容量的具体的实施方案,提出了一种在高噪声情况下对蓄电池剩余容量在线检测的改进方案。实验结果证明了这种改进方法能够在高噪声下得到令人满意的测量精度。
上一篇:一种简单有效的限流保护电路设计
下一篇:一种复合型电气火灾监控探测器的设计


