- 易迪拓培训,专注于微波、射频、天线设计工程师的培养
一种简单有效的限流保护电路设计
摘要:提出了一种简单有效的限流保护电路,论述了该保护电路应用于宽范围输入正激变换器和宽范围输入反激变换器时工作状况的区别,并给出了一个适用于宽范围输入反激变换器的补偿电路。最后的实验结果验证了限流保护电路及补偿电路的工作原理及其有效性。
关键词:过流保护;正激;反激
0 引言
过流保护电路是电源产品中不可缺少的一个组成部分,根据其控制方法大致可以分为关断方式和限流方式。限流方式由于其具有电流下垂特性,故障解除后开关电源能自动恢复工作,因此,得到比较广泛的应用。
限流保护电路首先要有一个电流取样环节,目前,一般的做法是串联一个小电阻或者是用霍尔元件来获得电流信号。当取样电流比较小的时候,这两种取样方法都是可取的。但当取样电流比较大时,电阻取样会有较大的损耗,降低了变换器的效率,而霍尔元件取样其体积比较大,且价格昂贵,对整个电源的成本也是个问题。
基于以上考虑,本文提出一种简单有效的限流保护电路,克服了以上两种方式取样大电流时的缺点。它适用于正激、反激等各种变换器,而且成本也比较低。
1 限流保护电路工作原理
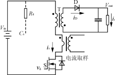
图1中虚线框外的电路是普通的峰值电流方式的PWM控制电路,利用电流互感器取样峰值电流。图中所示的PWM芯片是ST公司生产的L5991。虚线框内是本文所提出的限流保护电路。它利用峰值电流控制中的电流信号作为输入信号,通过一个由D1, R 1, C 1组成的峰值保持电路和由运放组成的PI环节得到一个误差信号,在变换器的输出电流超过限定值的时候,该误差信号就会控制PWM芯片的占空比,从而使输出电流保持在限定值。由于D2存在,当输出电流低于限流值时,该部分电路对占空比的控制不起作用。
图1 限流保护电路
下面以正激变换器为例,阐述限流保护电路的工作原理。
正激变换器如图2所示。设图1中A点电压为 v a,B点电压为 v b,C点电压为 v c,图2中流过开关管的电流为 i s,电感电流为 iL ,输出电流为 i o。电流取样变压器原边电流,即流过开关管的电流 i s。并作以下假定:
图2 正激变换器
1)二极管D1的导通压降是 V D1并保持不变;
2) R 1在实际电路中的作用是与 C 1组成 RC 吸收网络吸收尖峰,这里假定为零;
3)正激变换器电感 L 电感量较大,电路工作在CCM模式且电感电流波动较小。
则正激变换器限流保护电路的理论工作波形如图3所示。其一个开关周期可以分为3个工作阶段。
阶段1( t 0- t 1) t 0时刻 v g>0,开关管S及二极管DR1导通, iL 线性上升,所以,原边电流 i s也线性上升, v a也随之上升,此时间段 v a- v b<VD1,二极管D1处于关断状态, v b通过 R 3放电,呈下降趋势。
阶段2( t 1- t 2) t 1时刻 v a- v b>VD1,二极管D1开始导通, v b随着 v a线性上升。
阶段3( t 2- t 3) t 2时刻 v g=0,S关断, i s=0,则 v a=0,二极管D1关断, v b通过 R 3放电,直到下一周期的到来。
从图3中可以看到 v b是一个波动的电压,但是在实际电路中,由于图1中时间常数 R 3 C 1取得比较大, v b的波动很小,可以近似为一个直流电压。
图3 正激变换器限流保护电路理论波形
根据假定3),电感电流的波动较小,即 v a的斜率比较小,另外 V D1较小(是因为流过二极管的电流很小,实验中采用1N5819实测值为200mV左右),则 v b的值近似地等于 v a D ( v a在 DT 时间内的平均值)。从图3中可以看到 V a D 与输出电流 i o成正比,也即 v b近似与输出电流 i o成正比,假定 v b= Ki o K 为常数。
我们知道,当限流保护电路工作并达到稳定状态时, v b= v c= v ref= Ki o,此时输出电流 i o即为限流保护值。因此,通过改变参考电压 V ref即可改变限流保护值。
2 限流保护点补偿电路
在输出电压一定,输入电压为宽范围时,由于占空比随着输入电压的变化而变化,应用于不同的拓扑,限流保护电路的工作情况会有所不同,下面以正激和反激式变换器为例进行理论分析。
在分析之前先作一个假定:由前面分析已经知道 v b的值近似等于 v a D ,在此令 v b= v a D ,并且在以下的波形图中都以直流电压出现。
2.1 正激变换器
根据限流保护电路的工作原理及以上假定,则有
v
b=
v
a
D
=
i
s
Dn
2
R
=
(1)
i
o=
(2)
式中: i s D 为 i s在 DT 时间内的平均值;
n 1为变压器原副边匝数比;
n 2为电流互感器原副边匝数比;
iL o为电感电流一个周期内的平均值。
当限流保护电路工作并达到稳定状态时, v b= v c= V ref, i o即为限流保护值 i omax。则
i
omax=
(3)
从式(3)中可以看到, n 1, n 2, R 为常数,在 V ref一定的条件下, i omax是个恒定值,并不随输入电压的变化而变化。
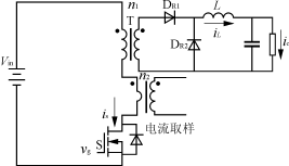
2.2 反激变换器
反激变换器如图4所示,同样有
v
b=
v
a
D
=
i
s
D
n
2
R
=
iL
o
n
2
R
=
(4)
i
o=
(5)
式中: iL o为电感电流一个周期内的平均值(反激变换器的电感即变压器原边励磁电感);
i D D ′为流过副边二极管D的电流 i D在(1- D ) T 时间内的平均值。
图4 反激变换器
又有
V
out=
(6)
推出
D
=
(7)
将式(7)代入式(5)得
i
o=
(8)
当限流保护电路工作并达到稳定状态时, v b= v c= V ref, i o即为限流保护值 i omax。则
i
omax=
(9)
从式(9)中可以看到, n 1, n 2, R 为常数,在 V out及 V ref一定的条件下, i omax随着 V in的增大而增大。
比较式(1)和式(4)可以发现:在 v b一定时(即限流保护电路工作并达到稳定状态时参考电压 V ref一定),不管是正激变换器还是反激变换器,电感电流平均值 iL o都不随输入电压的变化而变化。造成两者区别的关键在于:正激变换器的输出电流是连续的而反激变换器的输出电流是断续的。对于正激变换器来说 i o= iL o,而对于反激变换器来说 i o= n 1(1- D ) iL o。由于在输出电压一定时,占空比 D 会随着输入电压的变化而变化,因此,反激变换器的限流值将会随着输入电压的变化而变化。
图5和图6分别给出了假定 i o不变时,不同输入电压正激变换器和反激变换器限流保护电路的理论波形,图中输入电压 V in2> V in1。
图5 不同输入电压正激变换器限流保护电路理论波形
图6 不同输入电压反激变换器限流保护电路理论波形
根据以上分析可知,当参考电压恒定时,正激变换器限流值也是恒定的,跟输入电压没有关系。这里需要指出的是:以上的理论分析是基于 v b= v a D 的假定,当输入电压变化时, v b= v a D 的近似程度也会不同,所以,实际上正激变换器限流值
也会随着输入电压的变化而变化,只是波动很小,这个在之后的实验结果中可以看到。
反激变换器限流值随着输入电压的变化而有较大变化,因此,需要采用一定的措施来进行补偿,使限流值的变化在可以接受的范围之内。从式(9)中可知限流值随着输入电压的增大而增大,也即假定限流值不变的话, v b随着输入电压的增大而减少。因此,需要对 v b作一定的补偿,补偿电压应随着输入电压的增大而增大,从而来抵消 v b的变化。用输入电压来作为补偿信号是一种可以选用的方法。输入电压通过一个电阻接到图1的C点,如图4虚线所示,此时限流保护电路工作并达到稳定状态时, v c不再等于 v b,而是
v
c=
v
b+
v c的第一部分 v b随着 V in的增大而减小,而第二部分随着 V in的增大而增大,从而达到抵消的目的。 R 4的取值理论上可以根据最大输入电压和最小输入电压时 v c相等来求得( R 2取值已定的情况下),再在具体实验中进行微调,以求得到最小的限流值变化范围。
3 实验结果
一个带有本文所提出的限流保护电路的正激变换器,和一个带有限流保护电路和补偿电路的反激变换器验证了上述的理论结果,其电路参数如表1所列。
表1 电路参数
| 变换器 | Forward | Flyback |
|---|---|---|
| 输入电压/V | 9~15 | 9~15 |
| 输出电压/V | 24 | 5 |
| 输出功率/W | 240 | 35 |
| 工作频率/kHz | 100 | 100 |
图7给出的是输入电压12V,电路满载工作时的限流保护电路工作波形,从图中可以看到,它的实际电路波形跟理论波形是一致的。
图8及图9分别给出了输入电压分别为9V,12V,15V,电路满载工作时正激变换器和反激变换器限流保护电路 v a的波形,与图5和图6的理论波形也是一致的。
图7 正激变换器限流保护电路实验波形( V in=12V)
图8 不同输入电压时正激变换器 v a波形
图9 不同输入电压时反激变换器 v a波形
图10则给出了正激,反激补偿前和反激补偿后实测限流值随输入电压变化的曲线。正激变换器限流值随着输入电压变化基本不变,而反激变换器限流值在补偿前随输入电压的变化有较大的波动。但是,在加了补偿电路之后反激变换器限流值的稳定性有了明显的改善,证明了该补偿电路的有效性。
图10 输入电压变化时限流值波动曲线
4 结语
本文提出的限流保护电路具有简单有效的特点,克服了电路工作电流比较大时电阻取样消耗功率大和霍尔元件取样体积大,成本高的缺点。
本文分析了该限流保护电路应用于正激和反激变换器时的工作情况,并且提出了应用于宽范围反激变换器时的一个简单有效的补偿电路。对于别的拓扑需不需要附加补偿电路,读者可根据输出电流是连续还是断续自行分析。


