- 易迪拓培训,专注于微波、射频、天线设计工程师的培养
为什么示波器阻抗偏偏是1M和50欧?
用过示波器的看官都会发现,带宽超过200M的示波器大多会有两种输入阻抗可供选择。一种是常见1MΩ,一种就是本文的主角50Ω。这个50Ω是做什么用的呢,输入阻抗不应该是越高越好么。接下来我们将一起来了解这个神秘的50Ω。
传输线
就像讲历史,不得不插一段军事理论课一样,想把我们的50Ω讲明白,那也不得不讲一下这个传输线了。众所周知,电信号实际上是以电磁波的形式在传输线中传播的。当传输线的尺寸不再远小于电磁波波长时,就不得不考虑这个“波”的特性了。
光在传输介质发生改变时会发生反射,电信号也一样。反射会带来什么呢,您的信号可能就会成这样。

图 1
是不是整个人都不怎么好了。为了不让反射发生,就出现了均匀传输线,如PCB微带线,同轴线等,他们介质均匀,任何一点横截面几何结构相同,这样就可以保证电信号不会在传输线内发生反射了。但是问题又来了,送君千里,终须一别,传输线早晚还是要把信号交给信号的负载的。信号一旦来到传输线终点,岂不是还是要发生反射么。还好我们的电信号不像光那么矫情。只要保证她的瞬时阻抗不变,她也能将就一下不反射回去。瞬时阻抗就是电信号在传输线上某一点所受的阻抗,经过研究发现,均匀传输线的瞬时阻抗是个纯阻性的,与频率无关,就像个电阻,而且瞬时阻抗只与传输线的几何结构和填充材料有关,所以又叫做特性阻抗。既然瞬时阻抗像电阻,那我们就给负载并联一个电阻,让总阻值和特性阻抗相等,这样信号就不会有太大的反感,会屈尊降贵的传到负载中去而不会反射回来,您的电路也就清净了。这种方法叫做终端匹配。还有一种方法就是源端匹配,即在源端串入一个电阻,使其与信号源的输出电阻相加等于传输线的特性阻抗,这样就可以让反射波的负载与传输线阻抗相等,从而吸收反射波,不让其在传输线上撞来撞去。很多时候这两种匹配是同时用的。
著名的50Ω
特性阻抗大小会影响信号传输功率、传输损耗、串扰等电气性能,而其板材和几何结构又影响制造成本,这种情况只能找一个折中值。而50Ω正是同轴线的传输功率、传输损耗以及制造成本的一个最佳平衡点。所以大多数高速信号都会采用50Ω特性阻抗系统,形成标准并沿用至今,成为使用最广泛的一种阻抗标准。比如常见的PCIE,其单端阻抗就是要求是50Ω。
这就是这个50Ω的由来,但是还没有解释示波器上为什么会有个50Ω,是为了防止信号反射么,是的,这确实是一个原因,但是除了这点,他还有着其他的意义。
示波器的负载效应
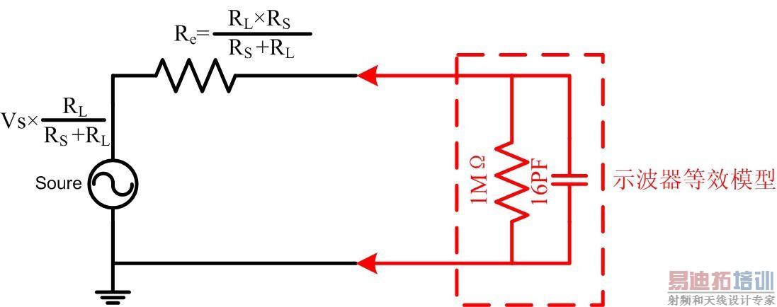
相信大家都有这种经历,调试一个有问题的电路,想看看波形,结果接上探头电路就正常了,拿开探头电路就又出问题。这就是负载效应引起的。示波器在1MΩ阻抗模式下的等效模型比较复杂,大致可以等效成是1MΩ和一个十几pF的电容并联在一起的形式。

图 2
这个1MΩ是示波器的规范。而电容是我们并不想要但是又不可避免的寄生参数。在DC和较低频时,1MΩ起到主导地位。而当频率超过10M以后,电容会成为主要的负载。由于这两个参数的引入,就会使得测量时的信号与原信号有差异,从而使测量结果出现误差。那么差异有多大呢,这也要取决于您的被测电路的输出电阻和负载。就按上图的例子来说。根据戴维宁定理,可变为:

图 3
可知原信号为;
;低频信号的差异主要是戴维宁输出电阻Re与1MΩ的分压决定,而高频时,则需要再加上Re与16pF容抗的分压。
经计算可知,如果Re的值是10Ω,而信号的频率是200M,则示波器的负载效应会造成-0.2db左右的偏差。而如果您系统的Re是25Ω,那么这个偏差会达到-1db。如果是50Ω呢,100Ω呢,无疑误差会越来越大。
示波器为了使得测量更加准确,是必须在内部加一些补偿措施将这些偏差补偿回来的(当然这种补偿只是相对于测量结果与原信号而言的,内部补偿是无法减小测量时信号与原信号之间的差异)。那具体应该按那种情况来补偿呢。前面我们已经知道,高速信号中,50Ω系统是使用最广泛的,所以我们选择50Ω系统即Re=25Ω的情况下进行补偿。示波器厂家都会在这种情况下将信号补偿的最好。所以如果您是50Ω系统,示波器测量出的结果影响与原信号最为接近。如果您的等效输出电阻与25Ω相差很多且需要测量的频率较高,则需要评估测量误差是否在您允许的范围内。建议使用10:1探头进行测量,因为其寄生电容要比示波器低,而1:1探头的负载电容基本上是50pF左右的,其负载效应比示波器本身要严重的多。如果10:1探头仍然不能满足您的需求,就要选择寄生电容更小的有源探头进行测量了。
试想一下,如果用示波器直接与高频信号发生器相连,测量信号发生器输出的高频信号,而高频信号发生器的输出电阻都是50Ω,那会发生什么情况呢。由上文可知,负载相应会严重影响测量结果。再结合传输线理论,可知会有一个反射波反射回信号源,这对于一些精密的仪器这可能是致命的。所以这时候需要加入一个50Ω端接适配器或者使用内部50Ω档位。这样既大大减小信号的反射,又可以使得测量出的信号受负载效应影响最小。这就是示波器50Ω阻抗的作用了。
示波器测量与50Ω相关的注意事项
结合传输线理论和示波器负载效应,说几点在示波器测量中与50Ω有关的注意事项。当然,测量较低频率信号时不需要考虑这些。
1、当示波器使用50Ω端接或者内部50Ω档位时,只能够使用50Ω同轴电缆或者一些要求做50Ω匹配的有源探头。直接测量板载信号时则只能够使用有源探头,同轴电缆仅适用于测量无负载信号(如信号发生器)。
2、测量高频信号时,要注意示波器的负载效应。测量系统最好是50Ω系统,再考虑到传输线理论,最好用探头直接测量负载端而不是中间的PCB。
3、在测量信号发生器输出波形时,需要进行50Ω端接。否者测量结果将会受示波器负载效应影响严重。
番外篇
明朝一哥阳明公教导我们说:“行之明觉精察处即知,知之真切笃实处即行”。真知,就是在不断的知行合一的过程中得到的。在这个过程中,您一定需要一些可以帮您发现真相的伙伴。而广州致远新推出的ZDS2024 Plus,将会是您不错的选择。其支持250M点的超大储存,可以在较大时基下看到比其他示波器多得多的细节。支持20多种协议触发与解码,同时具有FFT等多种运算功能,将让您的‘行’与“知’更加快速的‘合一’。
上一篇:示波器不可忽略的一个重要参数
下一篇:如何理解示波器探头的带宽


