- 易迪拓培训,专注于微波、射频、天线设计工程师的培养
基于PCI-9846的航空导航VOR信号综测仪设计
以航空导航VOR(Very High Frequency Omnidirectional Range,甚高频全向信标)信号为例,用凌华科技PCI-9846高速数字化仪进行采集,并完成时域及频域的分析,解调后可以还原出方位信息,以此快捷地检验信号准确性。经验证,软件无线电在自动测试系统的应用可以大大节约成本,简化系统,并提高效率。数字化仪的相关性能指标可以满足需要。
引言
航空电子设备的测试要求利用有限的资源,构建功能多样化的自动测试系统。机载电子设备的信号多且复杂,涵盖了低频和高频信号、连续和离散信号,同时还包括一些非电信号。传统的测试系统采用分立仪器搭建,这种方法成本高,测量自动化程度低,扩展性差。随着民用航空运输业的发展,大部分机载飞行电子设备高度数字化、集成化,已不可能靠人工手动对其进行测试检查。所以目前世界各发达国家均采用自动测试设备完成此类工作。
软件无线电的基本思想是以一个通用、标准、模块化的硬件平台为依托,通过软件编程来实现无线电台的各种功能,从基于硬件、面向用途的电台设计方法中解放出来。自动测试系统对信号源的灵活性和全面性提出了更高的要求,传统的信号发生器难以满足需求。与之相比,基于软件无线电的信号发生器由于它所具有的灵活性、开放性等特点,有着突出的优势,更加适应需要。同时,这也将为相关的教学研究提供便利。
将凌华科技PCI-9846H运用于自动测试系统信号源的测试和校准中,以航空导航VOR信号为例,对信号进行采集和处理,还原出基本信息。证明数字化仪的性能指标可以满足需要。
1.VOR信号
甚高频全向信标的基本功用是为机载VOR接收机提供一个复杂的无线电信号,经机载VOR接收机解调后,测出地面甚高频全向信标台相对于飞机的磁方位即VOR方位。机载接收机接收到的空间合成VOR信号包括基准相位信号和可变相位信号,通过对两种信号相位的比较来实现定向。VOR工作频率范围108MHz~117.95MHz,波道间隔0.05MHz。
1.1 VOR基准相位信号
VOR基准相位信号(Reference Phase Signal)包括射频载波和9960Hz的副载波。射频载波的频率范围从108MHz~117.95MHz。9960Hz的副载波被30Hz基准信号调频,调制系数16,表达式为:

式中,mR是副载波对射频载波的调幅系数,fs为副载波频率,mf为对副载波的调制系数,F为基带信号频率,f0为射频频率。
基准相位信号在空间0°~360°各径向方位上辐射信号的强度和所含30Hz信号的相位都不变,辐射场的水平方向性图为一个圆。
1.2 VOR可变相位信号
可变相位信号(Variable Phase Signal)只包含单纯的射频载波,频率范围108MHz~117.95MHz。两对正交的边带天线分别辐射正弦调制边带波和余弦调制边带波,场强均按30Hz的规律变化,这样在空间就生成了一个30Hz正弦规律改变的调幅波,表达式为:

式中α是当前VOR径向方位角。
1.3 合成信号
空间接收到的合成信号(Composite Signal)包括基准相位信号和可变相位信号的叠加,如图1所示,表达式为:

接收机通过解调和比较二者的相位差得到方向信息。

图1:空间合成信号
2.系统实现
采用以GPP(General-Purpose Processor,通用处理器)为基础的体系结构,直接用工控机进行数字信号处理。对于这种无线电系统,从实体上无法观察到一个真正的电台,它完全从软件角度解决无线电通信问题。由于通用机不是一个实时的同步系统,不适于严格定时采样信号的实时处理,只能通过中断来保持一定的同步。但是因其开放性、灵活性、可编程性和人机界面方面的优势,最接近理想的软件无线电,也更适于测试、教学和研究。
系统选用流水线形式进行连接,与信号流方向一致,具有很高的效率,时延短,处理数率高,可以一定程度上弥补GPP信号处理速度慢的不足。但是由于各模块之间采用实际电路互联,模块间耦合紧密,独立程度不高。如果系统功能改变,需要增加、去除或修改某一模块,牵扯到相应的模块变动,甚至总体结构的改变。因为设计目的是针对测试系统信号源的测试和校准,信号相对固定,不需要频繁变动,所以选用流水式结构,结构框图如图2所示。信号的产生和处理由工控机完成,任意波形发生模块(Arbitrary Waveform Generator,AWG)实现波形输出(高频时需要用到数字上变频卡),如果做无线发射和接收时需要附加天线和射频放大器。信号的采集和数模转换由凌华科技PCI-9846高速数字化仪完成,转换结果可以实时显示,也可以保存成波形文件以便后续处理。

图2:系统框图
2.1 信号源
中频信号用PXI-5421产生。这是一款可进行板载信号处理(OSP)的任意波形发生器,具有16位分辨率和-91dBc封闭式无寄生动态范围(SFDR),可为要求数字上变频和基带插值的应用提供仪器质量标准。作为一款功能齐全的AWG,PXI-5421还能够生成通用的电子测试信号,其最大输出范围为12Vpp,50Ω电阻载荷,最高频率43MHz。上变频卡采用NI PXI-5610,其内有2.7GHz上变频器,具有高实时带宽和稳定的时基,其精度可达±50ppb。在射频生成应用中,与模块化函数发生器紧密集成,可产生频率范围50kHz到2.7GHz的信号,可调增益范围130dB。PXI-5421产生高频VOR信号送至PXI-5610做上变频处理,变频到需要的甚高频波段。
PXI板卡安装在NI PXI-1402控制箱内。采用NI PXI-PCI833x套件,可使用通过铜缆连接的完全透明的MXI-4网络在计算机上控制PXI模块。MXI-4通过在PCI-PCI高带宽连接上搭建桥路,通过计算机的PCI接口对PXI系统进行远程控制。
2.2 数据采集
用凌华科技PCI-9846高速数字化仪完成数据采集。凌华科技PCI-9846是具有40MHz采样频率的16位4通道数字化仪,专为高频率、大动态范围信号设计,最高输入频率可达20MHz。模拟输入量程可以通过软件设定为±1V或±0.2V,可选择50欧输入阻抗,以适应高速、高频信号。装有4通道高线性16位A/D转换器,可以理想地适应诸如雷达、超声波及软件无线电等大动态范围信号。
配合高达512MB的板载内存,PCI-9846可以记录更长时间的波形而不受限于PCI总线的传输速率。数字化的信号数据在传输到主存储器以前先被存储到板载内存。数据传输采用SG-DMA(Scatter-gather Direct Memory Access,分散-聚集直接内存读取)方式,可以提供更高的数据传输率,并可更有效的利用系统内存。如果数字化仪的数据传输速率低于可用的PCI总线带宽,PCI-9846还设有一个板载取样点先进先出存储器,以实现绕过板载内存而实时直接将数据传输到主机内存。
PCI-9846具有灵活的触发选项,包括软件触发、外部数字触发、任意模拟通道的模拟触发以及PXI总线触发。多样的触发方式使其更适应需求。后触发、延迟触发、前触发及中触发模式可以采集触发事件附近的数据。PCI-9846也可以重复触发采集,以便对极短时间间隔的多个数据段进行采集。PXI背板提供的多种触发选项使PCI-9846可以简便地实现多模块同步。利用PXI触发总线,PCI-9846可以在设置为“主”时向PXI触发总线输出触发或时基信号,在设置为“从”时从PXI触发控制槽接收触发或时基信号。PXI背板提供精准的10MHz信号也可以用作一个时基信号源。
PCI-9846包含一个精确的低温度漂移板载基准。这不但可以提供一个稳定的校准源,亦能保证在较大温度变化范围的数据采集稳定性。自动校准过程通过软件完成,不需要任何手动调整。一旦校准过程完成,校准信息将被存储在板载EEPROM(Electrically Erasable Programmable Read-Only Memory,电可擦除可编程只读存储器),需要时校准值可从板上加载。
2.3 软件部分
LabVIEW是NI(National Instruments,美国国家仪器公司)的创新软件产品,其全称是实验室虚拟仪器工程平台(Laboratory Virtual Instrument Engineering Workbench),是一款基于G语言(Graphics Language,图形化编程语言)的测试系统软件开发平台。信号产生、数字化仪调用和数字信号处理在LabVIEW2010环境下进行。
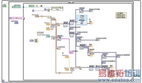
由于机器性能有限,程序分为产生、采集和处理三部分。根据信号建模的结果(参考“1.3 合成信号”),计算得出波形数据并保存到文件。在波形的产生程序中,先把波形数据读出并写入任意波形发生器,调用其产生所需要的信号。调用DAQPilot相关模块控制数字化仪进行信号采集,并存储到文件以便后续调用。解调程序调用此波形文件,进行相关解调及运算,完成信号分析。信号的产生与采集程序框图如图3所示,解调和运算程序框图如图4所示。

图3:信号产生与采集程序

图4:信号解调程序
3. 运行结果
按照设计的硬件结构连接好硬件,设置波形信息,基带信号为30Hz正弦波,调频副载波9960Hz,频偏480Hz,调制系数0.3。考虑机器性能及运行时间,VOR信号以1MHz为例。计算得出的波形存储到文件中,以便在波形产生程序里调用。在波形产生程序中,先对设备进行初始化和参数调整,设定板卡地址,功率为-10dBm,中心频率1MHz,模式为“Arb Waveform”。调用时候采用IQ调制,I路为调制信号,Q路为0。写入数据时选择与生成时相同的采样率,才能保证生成信号的频谱正确。
信号产生模块持续运行,并调用数字化仪进行采集。同样需要设置虚拟通道,量程±1V,信号类型“AI Voltage”,采样频率须满足乃奎斯特定理,此处选为8MHz,采样时钟设定为“Continuous Samples”,持续时间1秒。采样后的数据可以实时在波形图表中显示,并通过“写入波形数据到文件.vi”存入文件,以便后续调用。
为实现对信号的测量和验证,需要对采集的波形进行解调并还原出相应的信息。采集到的VOR空间合成信号经过相干解调后得到空间合成信号的外包络,包括30Hz的可变相位信号,和9960Hz的调频副载波。30Hz可变相位信号经过30Hz滤波器直接得到,前面板可见其时域、频域波形以及频率、相位和幅值等信息;9960Hz副载波经过滤波后鉴频,得到30Hz基准相位信号,前面板可见其相应参数。基准相位信号与可变相位信号的相位差可指示当前的方位信息,读书为VOR方位角。运行后的前面板如图5所示。程序运行时,其中的各个标签页可以轮流显示,按下右下方的“暂停”钮可以锁定当前标签页。

图5:综测仪前面板
4. 结论
软件无线电技术目前在军用、民用通信领域已经有广泛的应用。基于此技术的测试设备因为其开放性和灵活性,比传统设备有更加广阔的应用前景。而数字化仪正是实现模拟信号向数字信号过渡的关键。经验证,凌华科技PCI-9846高速数字化仪安装简便,操作界面人性化,可以在LabVIEW环境下方便地调用,胜任复杂模拟信号的准确采集和模数转换,并能存储成波形文件便于后续调用。限于技术水平和电脑性能,不能做更高频率的采样和信号处理实验,有待今后工作中继续研究改进。


