- 易迪拓培训,专注于微波、射频、天线设计工程师的培养
一种基于超声波和红外的测距定位系统
引言
传感器检测技术、无线电通讯技术、计算机控制技术是现代信息技术的三大支柱,它们分别构成了信息技术系统的“感官”、“神经”和“大脑”。传感器技术是信息社会的重要技术基础,其品种、性能和质量直接决定了信息技术系统的功能和质量。因此有人说:“征服了传感器就等于征服了科学技术”。由此可见,传感器的开发与运用具有重大的意义。随着现代科学技术的发展,人们对传感器的性能水平及运用方式提出了更高的要求,而在被人们广泛运用的传感器家族中,超声波传感器和红外线传感器以其优异的性能得到人们的青睐,广泛用于军事、医疗、工业和家电产品。但目前超声波传感器和红外线传感器一般都是单独使用,由于这两种传感器具有功能互补的特点,故而应把这两种传感器综合起来,以制作出功能更全、精度更高、结构更简、成本更低的传感器探测系统。基于上述考虑,本文开展了基于超声波与红外线探测技术的测距定位系统的研究。
1 测距原理分析
目前,超声波传感器广泛用作测距传感器,常作为一种辅助视觉手段与其他视觉工具(如CCD图像传感器)配合使用,可有效提高机器的视觉功能。
1.1 超声波发生器
超声波发生器可分为两大类:一类是用电气方式产生超声波;一类是用机械方式产生超声波。电气类包括压电型、磁致伸缩型和电动型等;机械类包括加尔统笛、液哨和气流旋笛等。它们所产生的超声波的频率、功率和声波特性各不相同,因而用途也有所不同。目前常用的是压电式超声波发生器。
1.2 压电式超声波发生器工作原理
压电式超声波发生器实际上是利用压电晶体的谐振来工作的,其外观结构与内部结构分别如图1和图2所示。
图1 超声波发生器外观结构
图2 超声波发生器内部结构
该传感器有两个压电晶片和一个共振板,当其两极外加脉冲信号,且频率等于压电晶片的固有振荡频率时,压电晶片将会发生共振,并带动共振板振动产生超声波。反之,如果两电极间未外加电压,当共振板接收到超声波时,将迫使压电晶片振动,将机械能转换为电信号,这时它就成为超声波接收器了。
1.3 超声波测距原理
超声波发射器向某一方向发射超声波,在发射的同时开始计时,超声波在空气中传播,途中碰到障碍物就立即返回,超声波接收器收到反射波就立即停止计时。超声波在空气中的传播速度为340m/s,根据计时器记录的时间t,就可以计算出发射点距障碍物的距离S,即:S=340t/2。
2 定位原理分析
由于超声波传感器的波束发散比较严重,当超声波发射点距障碍物较远时,超声波传感器的方向定位精度较差,因而有必要引入其它方法或传感器来改善其性能。经查阅资料得知,红外线传感器可弥补其性能上的不足。红外线具有光束发散小的优点,目前很容易得到光束视角小于5°的红外线传感器。
相对于超声波传感器,其定向精度有了很大的提高。而且,还可以采用反应速度较快的红外线传感器(如光导红外传感器,其响应时间达到了微秒级)来消除超声波传感器盲区,提高系统的整体性能。
当红外线反射型传感器接通电源后,即从模块内部的红外线反射管向前方发射红外线,一旦有物体或人体进入其有效探测范围内时,红外线就会有一部分被反射回来,被与发射管同排安装的光敏接收管所接收,光敏接收管的电阻将因此减少,引起与其串连的电阻出现电压变化,由电压比较器处理后,在输出端给出低电平信号,引起单片机中断,从而进行有效控制。
红外线反射型传感器的检测距离与工作电压密切相关。工作电压越高,红外线反射功率越强,检测距离就越远;反之,电压低,检测距离就相对较近。
3 系统总体方案
本文研究目标是利用单片机应用技术及传感器探测技术,开发一套传感器定位测距系统。该系统将采用超声波传感器来测距,采用红外线传感器来定位,其组成框图如图3所示。
系统包括四部分:超声波收发部分、红外线收发部分、控制部分和显示部分。控制部分是一个单片机系统,包括信号发射功能、信号判断和分析功能以及控制显示功能。
图3 系统总体框图
4 系统硬件设计
4.1 微控制器单元设计
微控制器单元设计是本系统的核心部分,针对系统要求体积小、功耗低的特点,选用AIMEL公司的AT89C51。这是一个带有4K字节闪速可编程可擦除只读存储器的低功耗、高性能的CMOS8位微控制器,可与工业标准80C51的指令设置和管脚输出兼容,因而具有较好的实用性[2]。在选定单片机型号以后,还需完成以下电路的设计工作。
4.1.1 复位电路设计
控制系统的复位电路应具有上电复位和手动复位功能。由于复位电路易受噪声干扰,故在设计时,一要保证整个系统可靠复位;二要使之具有一定的抗干扰能力,这可通过以下设计加以保障。
(1)复位电路RC参数的选择
微控制器的复位脉冲高电平必须大于2个机器周期,若系统选用6MHz晶振,则1个机器周期为2μs,那么复位脉冲宽度最小应为4μs。在实际应用中,考虑到电源稳定时间、参数漂移、晶振稳定时间以及复位可靠性等因素,必须留有足够的余量。图4是利用RC充电原理实现上电复位的电路原理图。实践证明,上电瞬间RC电路充电,RESET引脚端出现正脉冲。只要RESET端保持10μs以上的高电平,就能使微控制器有效复位。

图4 复位电路原理图
应当指出,在图4(a)所示电路中,非门的最小输入高电平U′IH=210V,因而当充电时间t=016RC,则充电电压UC=0145VCC=0145×5V≈2V,其中t为复位时间。由于在该电路中,有R=1kΩ和C=22μF,则有t=016×103×22×10-6=13ms。
(2)复位电路的可靠性和抗干扰设计
微控制器复位端口的干扰主要来自电源和按钮传输线串入的噪声。这些噪声虽然不会完全导致系统复位,但有时会破坏CPU内的程序状态字的某些位的状态,对控制产生不良影响。以图4为例,电源噪声干扰过程如图5所示,其中u代表噪声源,为了分析方便起见,设u为阶跃扰动。图5中分别绘出了A点和B点的电压扰动波形。
图5 电源阶跃扰动示意图
由图5可以看出,图5(a)实质上是个低通滤波环节(惯性滞后环节),对于脉宽小于3τ的干扰信号有很好的抑制作用;图5(b)实质上是个高通滤波环节(微分超前环节),对脉冲干扰没有抑制作用。由此可见,对于图4所示的两种复位电路,图5(a)的抗电源噪声的能力要优于图5(b)。但为了精简系统电路,在电路系统设计中,还是采用了图5(b)所示的复位电路。
4.1.2 振荡器电路设计
晶振设计是单片机系统设计的重要环节之一,通常可用两种方式产生单片机所需的时钟信号。一种为内部方式,主要利用单片机内部的反相器作振荡电路,具体接法如图6所示。
图6 晶体振荡/陶瓷振荡电路
该方式利用外接晶体作定时单元。晶体的频率范围在112~12MHz之间任选。电阻RS用来防止晶振被过分驱动。
在晶体振荡下,电阻RF≈10MΩ。图中并联的两个小电容可在5~30pF之间选择,起频率微调的作用,当VDD>415V时,建议C1=C2≈30pF(C1为相位调节电容;C2为增益调节电容);另一种为外部方式,此方式的时钟源直接来自外部硬件电路(见图7)。对此电路来说,MCS-51系列单片机可使用已集成在片内的振荡器,亦可使用由TTL门电路构成的简单振荡器电路。由于内部时钟发生器是一个二分频的触发器,所以对外部振荡源要求不严,通常是产生112~12MHz的方波。当外接振荡器时,外部振荡信号从XTAL1端,即内部三相波形发生器的输入端输入,XTAL2端可浮空。
图7 外部晶体振荡电路
图7所示为一种典型的外部并行谐振振荡电路。该电路主要应用晶体的基频来设计。其中,74AS04反相器用来实现振荡器所需的180°相移,417kΩ的电阻用来提供负反馈给反相器,10kΩ的电位器则用来提供偏压,从而使反相器74AS04工作在线性范围内。
图8 外部串行谐振振荡电路
图8所示为一种典型的外部串行谐振振荡电路。该电路也是应用晶体的基频来设计。其中,74AS04反相器用来提供振荡器所需的180°相移,330Ω的电阻用来提供负反馈,同时偏置电压。
4.1.3 RC振荡
RC振荡适合于对时间精度要求不高的低成本应用。RC振荡频率随电源电压VDD、RC值及工作环境温度的变化而变化。
由于工艺参数的差异,对不同芯片而言其振荡器频率将有所不同。另外,当外接电容CEXT值较小时,对振荡器频率的影响更大。同时,电阻电容本身的容差对振荡器频率也有影响。图9所示为RC振荡电路,如果REXT低于212kΩ,振荡器将处于不稳定工作状态,甚至停振。而REXT大于1MΩ时,振荡器又易受噪声、湿度、漏电流的干扰。因此,电阻REXT取值最好在3~100kΩ范围内。在不接外部电容时,振荡器仍可工作,但为了抗干扰及保证稳定性,建议接一20pF以上的电容。
图9 RC振荡电路
本系统选取晶体振荡器作为微控制器的时钟输入,并选取6MHz时钟频率作为系统时钟周期,既可以满足系统频率的要求,又可以克服阻容振荡器精度不足的缺点,是一种较为适宜的设计选择。
4.2 系统电路设计
在本测距定位系统中,系统电路可分成三部分,一是超声波发射与接收电路部分;二是红外线产生与接收电路部分;三是显示电路部分,具体设计思路及设计结果如下:
4.2.1 超声波发射与接收电路
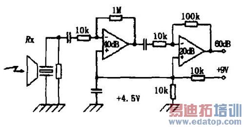
图10所示为超声波发射电路。在该电路中,通过输入引脚p110来控制超声波,并经超声波发射头Tx发射出去;图11所示为超声波接收放大电路。在该电路中,先通过接收头Rx接收超声波,然后经两级放大器把信号放大60dB,再输送给超声波检波电路。

图10 超声波发射电路
图11 超声波接收放大电路
图12所示为超声波检波电路。在该电路中,超声波脉冲信号被整流为正相信号(经测试,该正相信号近似于直流信号),此正相信号转入电路中的电压比较器,引起比较器输出脚(即单片机的INT0脚)电压跳变,由此即可判断是否有回波信号存在。
图12 超声波检波电路
4.2.2 红外线产生与接收电路
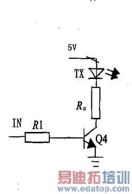
图13所示为红外线发射电路。在该电路中,红外线传感器通过IN引脚输入接收到的信号,当三极管的基极有电流时,三极管导通,从而有电流从位于发射极的红外二极管流过,激发出红外线。图14所示为红外线接收电路。在该电路中,当接收到反射红外线信号时,光敏二极管的电阻将被降低,输入到电压比较器负端的电压将被升高,从而使比较器的输出端输出低电平,并通过发光二极管的熄灭显示出来,由此可判断前方是否有障碍物。
图13 经外线发射电路
图14 红外线接收电路
4.2.3 显示电路
单片机接收到前面两部分电路反馈回来的信息并经过相应算法的处理后,得出前方物体的距离与方向等信息,一方面可以控制相应的被控对象进行相应的动作,另一方面可以通过LED显示相应的距离。本设计采用动态显示,以节省单片机的输出管脚,有利于简化系统,具体电路如图15所示。
图15 系统显示电路
5 系统软件设计
系统工作时首先启动红外线传感器进行探测,当检测到有障碍物存在时,再启动超声波传感器进行测距,然后通过LED进行显示。如果检测到的物体在超声波传感器的测量盲区内,则根据红外线传感器的响应情况对距离进行估计显示。对应上述功能的程序框图如图16所示。
图16 系统程序框图
6 结语
本文采用超声波传感器和红外线传感器组成综合测距定位系统,克服了由单一传感器所构成探测系统的不足,同时具备了超声波传感器和红外线传感器探测的优点,能够比较精确地测距和定向。同时,系统还采用了单片机控制技术,使系统具有良好的扩展性和实用性。
上一篇:用于EMC测试的低频光导传输设备的设计
下一篇:三毫米单片集成电路噪声系数测量技术


