- 易迪拓培训,专注于微波、射频、天线设计工程师的培养
24位A/D转换称重数据采集系统
摘要:研究一种用于组合秤和选别秤的高精度数据采集系统,采用具有24位分辨率的∑-△模数转换器高性能片上系统(SoC)MSC1210和应变式称重传感器设计称重数据采集系统。该系统可应用于组合称重设备、选别设备,并具有精度较高,可靠性较强的特点。
关键词:数据采集;称重;选别;组合称重;24位模数转换器;MSC1210
1 引言
组合秤又称选择组合衡器,它是由多个独立的进料出料结构的称量单元组成,电脑利用排组合原理对称量单元的载荷量自动优选组合计算出最佳、最接近目标重量值的重量组合进行包装。选别秤是检测单个产品重量与设定目标是否相符,并由分选装置自动剔除不合标准产品的包装行业设备。从实用角度出发,采用具有24位∑-△型A/D转换器的系统级单片机MSC1210结合低成本的供电解决方案与CAN控制器SJA1000以及CAN总线收发器82C250,设计一种具有CAN总线接口的24位称重数据采集系统,可应用于组合称重设备、选别设备。
2 系统硬件设计
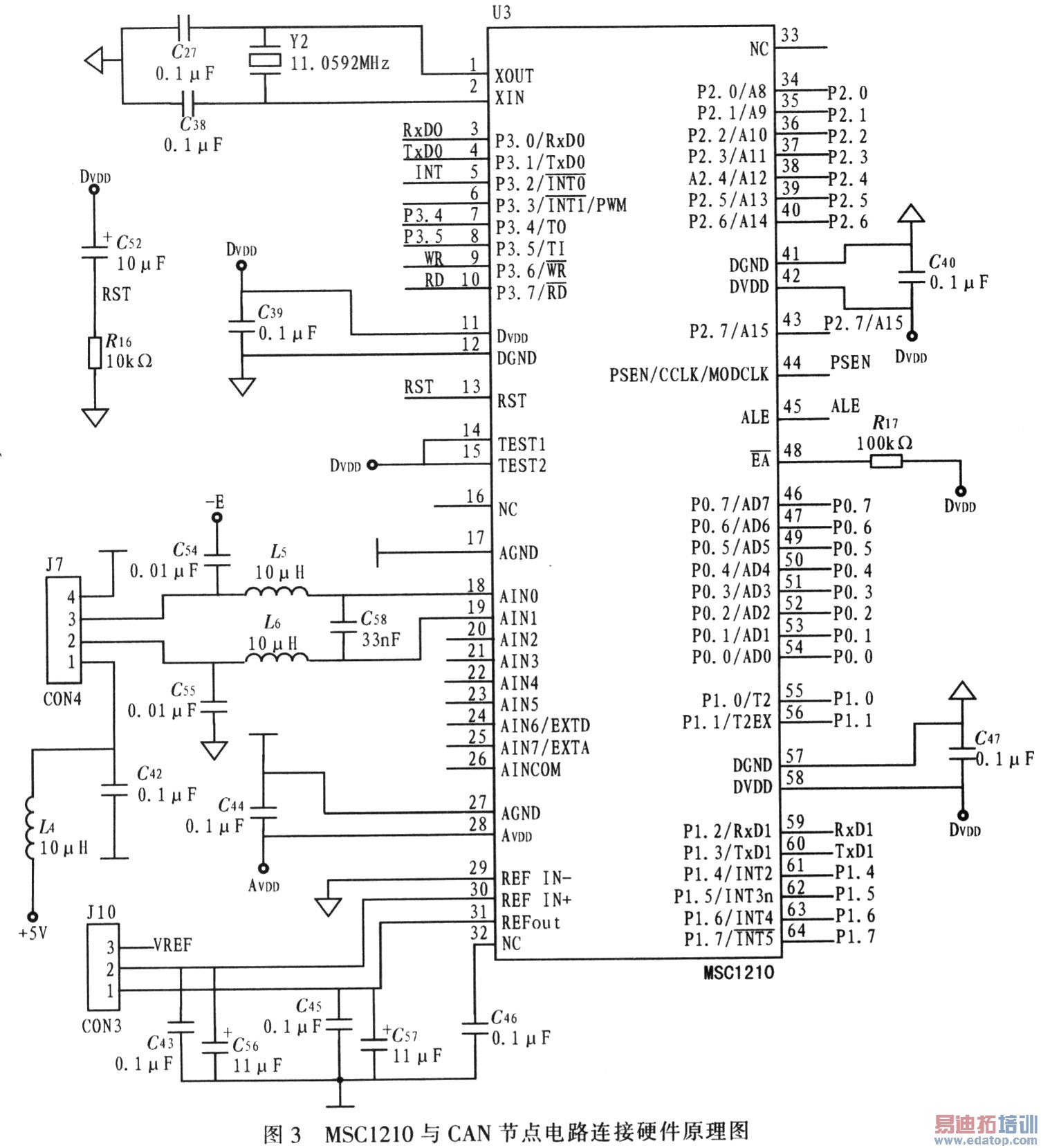
图1为系统硬件结构图。系统硬件采用系统级单片机MSC1210直接采集传感器信号。由称重传感器产生的电压输入信号采用差分输入方式,由滤波电路直接接到MSC1210的AIN0、AIN1,经MSC1210内部A/D转换采集数据,然后将采集数据转化为CAN协议数据传输至CAN总线网络,再由触摸屏处理数据。MSC1210内置有温度传感器,便于后期数据校正,采集测量环境温度。

2.1 供电电压
A/D转换数据大小仅取决于输入电压V0大小,A/D转换精度取决于参考电压V0的稳定性。V0、VREF必须取同一电源,电源波动相互抵消,对A/D转换无影响。该称重传感器最小激励电压为5 V,最小激励电流为25 mA。MSC1210提供的内部参考电压不足以驱动传感器,因此选择外部输入参考电压,同时关闭内部参考电压以减小噪声干扰和功率损耗。
基于上述原因,综合成本考虑,选用低压差线性稳压器LP2591提供5 V用以激励传感器,通过高精度电阻网络分压成2.5 V供给MSC1210作为A/D转换的参考电源。
LP2951属精密型低压差线性稳压器,初始精度0.5%,电压调整率和负载调整率可达0.05%,具有低静态电流(≤8 mA)、低压差、低温度系数(20×10-6/℃)等特点。轻载时的压差为50 mV;当其为100 mA负载时压差为380 mV。最大输出电流为100 mA。
集成的各个电阻具有参数、性能、受环境影响一致的特点,外界对其干扰(如电源变化、温度变化)能在分压比中相互抵消。采用并联电阻的分压电路有助于减小温漂,提高稳定性。
2.2 A/D转换器
高精度数据采集核心在于A/D转换器的参数指标。即量程、有效分辨率和转换时间等。
MSC1210通过可编程增益放大器(PGA)和偏移D/A转换器(ODAC)改变量程以增加输入信号的动态范围。MSC1210通过改变本身的PGA来改变量程以适应不同的传感器输入电压。如果AIN0作为同相差分输入通道,其他任何一个通道都可作为反相差分输入通道。这里选择AIN0、AIN1作为输入传感器输入电压的前向通道。PGA的模拟输入通过ODAC最多被偏置到输入范围的一半,由于ODAC引入了模拟偏置量而非数字量到PGA,所以使用ODAC不会降低A/D转换器的性能。
该系统要求输入信号的动态范围为0~4 000 g,最小输入分辨率为0.1 g,同时根据A/D转换器线性输入、输出特性,A/D转换器满量程电压与所分辨最小电压的比值和相应重量输出比值相等。系统必须保证最终测量结果具有16位的精度。考虑系统电源电压漂移、温度漂移等其他因素,因此要求A/D转换至少应达到18 bit的实际转换精度。因此,MSC1210能够满足系统设计要求。
2.3 温度测量
MSC1210内置温度传感器便于后期数据校正,采集测量环境的温度。由于其内部二极管提供温度传感功能,当输入多路复用器的设置寄存器所有位都为1时,二极管就连到A/D转换器的输入端,所有通道打开。
2.4 CAN总线数据通讯
SJA1000的AD0~AD7连接到MSC1210的P0端口,CS连接到MSC1210的引脚P2_7。P2_7引脚为0时,CPU片外存储器地址选中SJA1000,CPU通过这些地址对SJA1000执行相应的读/写操作。SJA1000的RD、WR、ALE分别与MSC1210的对应引脚相连,INT引脚接MSC1210的INT0,MSC1210可通过中断方式访问SJA1000。
为增强CAN总线节点的抗干扰能力,SJA1000的TX0和RX0通过高速光耦6N137与82C250相连,这样就实现总线上各CAN节点间的电气隔离。采用小功率电源隔离模块B05-05S将光耦部分的两个电源完全隔离。通过隔离提高了节点的稳定性和安全性,如图2所示。

传感器电压输出信号经过滤波后直接接MSC1210的AIN0,AIN1;MSC1210内部A/D转换的参考电压为LP2951,输出电压经精密电阻网络分压得到,如图3所示。


3 系统软件设计
单片机采集A/D转换的数据并通过CAN协议发给CAN网络,传输数据,在触摸屏上编制软件系统接收和存储采集到的称重传感器输出的电压数据,软件工作的重点包括数据校准和数据采集两部分。
3.1 数据校准
为降低器件和系统的偏移误差和增益误差,需要采用校准方法。MSC1210或整个系统的偏移、增益误差可以通过校正来减少影响。
校正功能ADCCON1寄存器(SFR DDH)的CAL2~0位控制每个校准过程需7个tDATA周期,因此,完成偏移和增益校准需要14个rDATA周期。在校准完成后,当中断允许时,会产生A/D转换中断。校正完成以后A/D转换器中断位置为1,表示校正结束可以读取有效数据,相关程序代码如下:
ADCON1=0X01; //初始化增益和偏移自校准
while(!(AISTAT&0X20)); //等待中断触发
3.2 数据采集
采用台达DOP人机界面软件ScreenEditor开发平台,编制数据采集与存储系统,使用CAN网络协议与下位机通讯,进行称重数据的实时采集,具体应用于称重系统采集测试系统中。数据采集界面如图5所示。
3.3 提高精度采取的其他措施
为保证得到一个高精度的测试系统,除了使用高精度A/D转换器外,系统中的其他模块设计也对整个系统精度有很大的影响。
(1)传感器是整个系统的核心,要获得可靠的数据源就要注意电阻式应变传感器的安装方式,传感器的底座安装面应平整、整洁,无任何油膜、胶膜等存在。安装底座要求高于传感器本身的强度和刚度。安装底座的安装面要用水平仪调整水平。安装时不能采用普通平垫圈,应使用弹簧垫圈。在给传感器加载受力时,要按传感器加载受力方向加载,避免横向或附加扭矩力。
(2)数字器件和模拟器件独立供电,对电源进行稳压,并加滤波电路,以免电源噪声对系统产生影响。为防止传导型高频电磁干扰,在传感器信号输出端及电源线上加屏蔽珠。在PCB布线时应尽量将数字部分和模拟部分隔离,数字地与模拟地隔离。
系统能够稳定运行,测量结果满足精度要求,显示分辨率为1/40 000。数据稳定时间小于1 s。
4 结束语
该CAN总线的称重数据采集方案适用于组合称重或选别称重的环境下对称重传感器信号的采集与存储,经工厂环境的实践检验,证明系统能够长时间稳定运行,具有较好的应用前景,同时也可运用在车辆称重系统。
上一篇:半导体C-V测量基础
下一篇:基于FPGA和MV-D1024E相机的图像采集系统


