- 易迪拓培训,专注于微波、射频、天线设计工程师的培养
基于C8051F020单片机的多路压力测量仪
1 引言
压力测量对实时监测和安全生产具有重要的意义。在工业生产中,为了高效、安全生产,必须有效控制生产过程中的诸如压力、流量、温度等主要参数。由于压力控制在生产过程中起着决定性的安全作用,因此有必要准确测量压力。为了测到不同位置的压力值,研制了基于C8051F020单片机的测量仪。通过压力传感器将需要测量的位置的压力信号转化为电信号,再经过OP07运算放大器进行信号放大,送至C805lF020单片机内部的高速率12位A/D转换器,然后将模拟信号转换成单片机可以识别的数字信号,再经单片机转换成液晶显示器可以识别的信息,最后显示输出。与此同时,可以利用SD卡存储器将各通道设定的压力值、系统参数存储起来,以便在系统断电或复位后,能使其继续运行,增强系统的抗干扰性能。
2 硬件电路
图l给出多路压力测量仪的系统框图。其硬件部分主要由压力传感器、C8051F020单片机、SD卡存储器、液晶显示器、键盘及信号调理电路等组成。

2.1 压力传感器信号采集电路
图2给出压力传感器信号采集电路。它选用了测量范围广,精度较高,性能价格比好的电阻应变式压力传感器;信号放大部分采用功耗低,输入失调电压小,线性度好的OP07运算放大器:A/D转换模块采用C8051F020内部设置的高速率12位A/D转换器。图2中OP07的输出失调电压为2 mV,通过滑动变阻器R8可调节输出失调电压的大小。

2.2 单片机处理电路
单片机处理电路是测量仪的核心。在此采用美国Cygnal公司生产的C805lF020微控制器。该器件采用独特的CIP-8051结构,对指令运行实行流水作业,大大提高了指令的运行速度,可在25 MHz时钟频率下提供高达25 MI/s的输出,并具有下述独特功能:①真正12位、100 Ks/s的8通道A/D转换器,并带PGA和模拟多路开关;②64 K字节可在系统编程的Flash存储器,其扇区为512字节;③两个12位D/A转换器,具有可编程数据更新方式;④工作电压为2.7~3.6V;⑤用于硬件实现的SPI,SMBus/I2C和两个UART串行接口;⑥片内看门狗定时器、VDD监视器和温度传感器。
2.3 SD卡存储电路
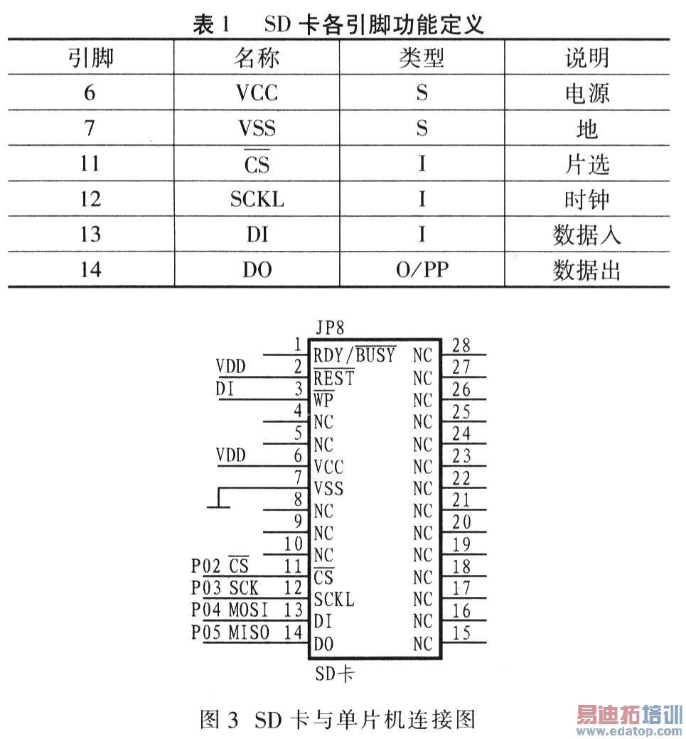
将SD卡作为外部掉电存储介质用于多路压力测量仪中,利用C8051F020单片机的SPI接口,实现单片机与SD卡存储数据的扩展,并设计了单片机的SD卡驱动电路.以满足测量仪对存储大容量数据的要求。SD卡的工作模式有SD模式和SPI模式两种。在此,多路压力测量仪选用SD卡.且工作在SPI模式下。表1给出SD卡各引脚功能定义。图3给出SD卡与单片机的连接电路。其中,CS是SD卡的片选线,在SPI模式下,CS必须保持低电平有效;DI不但传输数据,还发送命令,其传输方向是由单片机到SD卡;D0除了发送数据,还传送应答信号,其传输方向是由SD卡到单片机;SCLK是操作SD卡的时钟线。相应地将C805lF020的交叉开关配置成SPI模式,与SD卡所对应的引脚连接,并针对SPI总线电路设计了上拉电阻。

2.4 液晶显示电路
液晶显示模块选用HSl2864图形点阵液晶显示器。图4给出它与C8051F020单片机的连接电路。主要由行驱动器/列驱动器及128x64全点阵液晶显示器组成,可完成图形、汉字和数据的显示。图4中CSl为片选1;CS2为片选2;GND为电源地;VCC为电源正;VO为液晶显示驱动电源;RS为数据,指令选择信号;R/W为读/写选择信号;E为使能信号;DBO~DB7为数据总线;A为背光电压正:K为背光电压负:RST为复位信号;VOUT为负电压输出。必须在使能线E为低时,改变控制线R/W,CSl,CS2,RS;在使能线E为高时,不能改变控制线R/W,CSl,CS2,RS;但可以从数据线DB0~DB7输出数据。

根据指令的要求及HSl2864的时序,单片机对HSl2864的访问方式有直接访问方式和间接访问方式两种。前者,无需辅助器件即可控制液晶显示器的显示;后者,则需要加一些辅助器件才可控制液晶显示器的显示。在此,采用直接访问方式对液晶进行操作。
3 软件设计
为了使测量仪获得测量压力值并显示相关数据到液晶上,必须设计相应的软件系统来支持硬件电路。在此,采用Keil C软件编程进行测量仪软件的设计。图5给出具体的单片机数据采集和处理子程序软件流程。其中,系统程序由主程序、数据采集子程序、数据处理子程序、中断子程序、显示子程序及存储子程序等组成。

主程序代码如下:


4 测试结果
在完成测试仪硬件电路的设计后.需要通过单片机编程器将设计的软件程序下载到单片机中,这样就制成了多路压力测量仪。将压力传感器连接到待测位置后,即可通过液晶显示器看出各测点的压力变化情况。经测试,该系统稳定,功耗低,实时性好。
5 结语
设计中,该测量仪采用了高精度压力传感器、低输入失调电压和线性度好的运算放大器构成信号调理电路,同时还采用了12位高速A/D转换采集模块。因此,采用它可提高测量精度,满足用户需要。此外,由于该测量仪采用了功能强大的C8051F020单片机作为控制核心,因此电路结构简单,成本低,性能好。不仅能降低系统成本,而且因外围电路简单,还可减少干扰。
上一篇:基于ARM的信号发生器人机交互系统设计
下一篇:电力系统中直流接地检测的设计


