- 易迪拓培训,专注于微波、射频、天线设计工程师的培养
泰克示波器与Labview的结合应用
泰克3014B一直是我手头最好的朋友,从02年就一直用它,对它的各种用途和性能都是相当了解,在实际中无论是实验还是生产线安装都是使用它们,我觉得它的功能真是很强大,易用的操作方式和灵活的设置结合在一起,也可能是工作范围的关系吧,反正几乎没有不够用的情况出现,包括在去年的设备安装中,我还是选用了3014B。
在实际使用中,一直有个问题困扰我,在一些故障讲演和存档时,很难把波形给存到PC中,原来标配有软驱,一张1.44的软盘也就存个5个屏吧,作一次实验得带一盒盘去,操作相当麻烦,还经常出现软盘存完后无法读取的问题,现在单位PC机上软驱几乎绝迹了,示波器的特征曲线有一阵子被逼到用相机拍摄存档。示波器在购买时也购有通讯模块,也一直想通过与PC机联机操作,可是一想到麻烦的编程工作,都让我头疼不已。最近接触了Labview,使我一下子掌握了相关的技巧,而且不仅仅是保存这么简单,还可以实现长实间记录及自动判断保存,使得一些试验工作无需用人
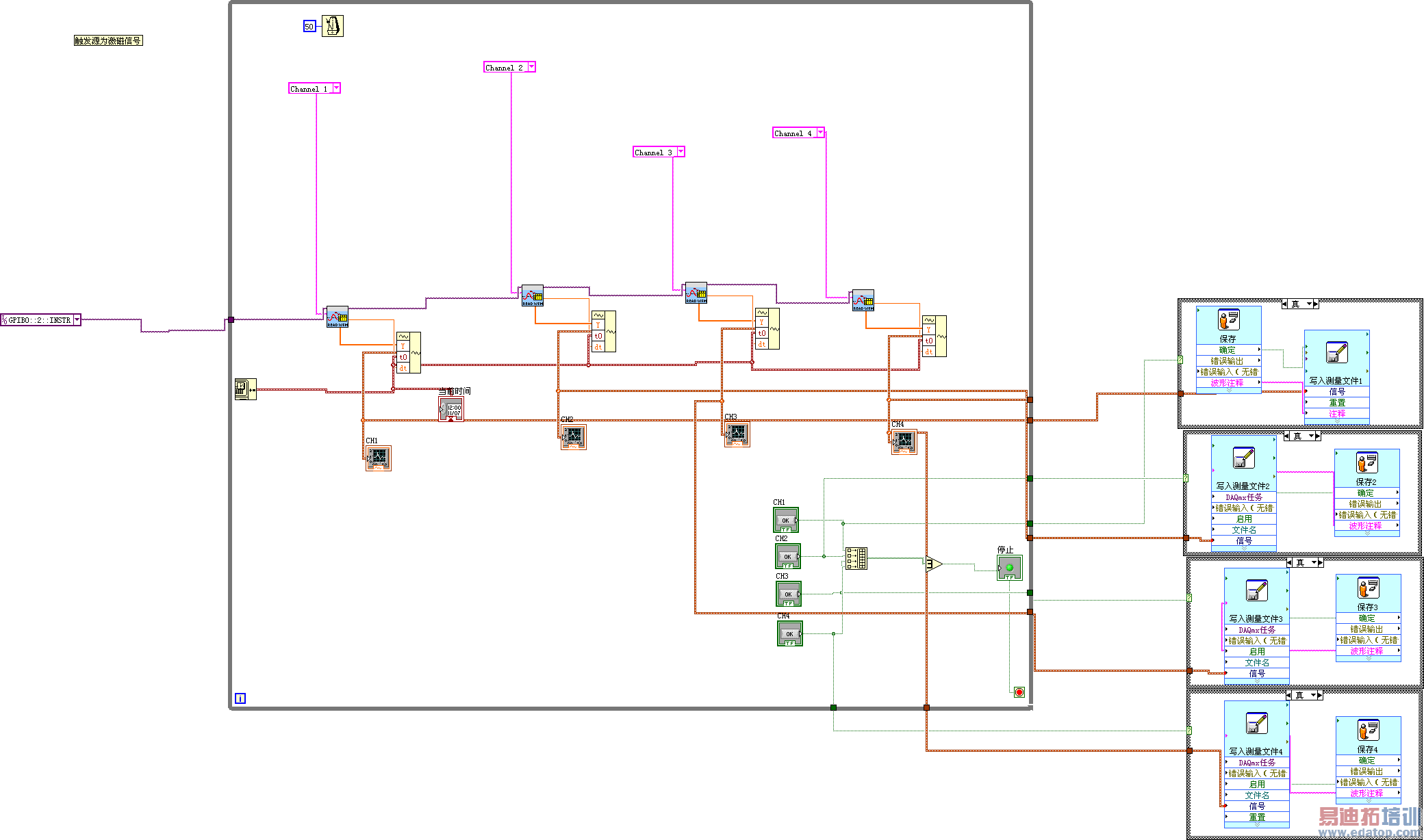
首先是联接:示波器上当然要有通讯模块喽,一根串行线(GPIB就更好了),将示波器与PC联机。下一个Labview软件(评估版)也好用,然后下VISA的驱动,如果不想费事的话再下示波器的驱动事实上也是在Labview上开发的,自己看书也可搞定)就这两步将软硬件搞定。
然后就是拉图图框,图形化编程效率真是高的很也简单的很。写一个保存的程序,可以将数据存成Excel文档,包括写入一些备注信息和时间。如果不想在Excel下还原曲线的话,可以写一个读写程序直接还原曲线,所有数据都可以读,可以细化任何细节,我还作了一个FFT,这比原先用软驱拷屏要好的多(拷屏的数据不能读)。
请在新窗口中查看大图


最后就是试用了,效果还真是不错,不过以后还想加入更多功能,我对这个示波器是很了解了,不过Labview的功能还是了解不多,相信以后会做得更好些。


最近在资料上看到NI与泰克合作的消息,NI专门开发了泰克示波器的Signal Express,示波器可以直接通过USB接口实现更快捷复杂的无缝开发,不过只支持TDS1000B、TDS2000B和DPO4000系列示波器,看来我的3014B有了升级的理由了,我相信掌 握了这两样利器可以更好的在测控世界里应用自如。
上一篇:示波器前级衰减电路
下一篇:基于RIGOL数字示波器的电源纹波自动测量系统


