- 易迪拓培训,专注于微波、射频、天线设计工程师的培养
高输入阻抗的轨至轨测量系统的电路实现
这个示例电路将一种热耦和电阻温度传感器(RTD)连接到轨至轨、高输入阻抗ADC简化了精准测量">LTC2449高性能Δ-ΣADC上(图1)。热耦输出的变化很小(每℃为几十毫伏),而且如果热耦结的温度比连接热耦到PCB走线的“冷结”的温度更低,则输出为负。
通过比较RTD上的电压和参考电阻RREF上的电压来测量RTD,可提供高精度的电阻比较,且无需增加精密电流源。如图1所示将传感器接地是一个很好的减少拾取噪声的首要方法。然而,这个ADC必须能处理非常接近或者稍稍大于电源轨的输入信号,就像LTC2449一样。
|
|
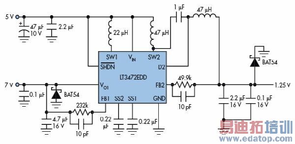
| 图1:在这个热耦合测量电路中,ADC通过MUXOUT引脚将模拟输出连接到外部缓存器中以提供很高的输入阻抗。 |
ADC的模拟输入信号连接到器件的MUXOUT引脚,一个外部缓冲器将这些信号与开关电容ADC的输入信号隔离开来。外部缓冲器为精密CMOS双运放LTC6241,它使得从多路器到模拟输入为高阻抗。这种方法明显优于集成缓冲器,因为只要缓冲器电源合适,这种方法的模拟输入便为真正的轨对轨。
LTC6241具有轨对轨输出级,以及一直从负电源到低于正电源1.5V范围的共模输入范围。因为没有轨对轨放大器可以真正将其输出拉升到电压轨,所以它采用LT3472升压/反相调节器,通过5V LTC2449电源产生1.25/7V的运放电源(图2)。调节器可以为多个放大器和其它真正需要摆幅达到轨的电路提供足够电流。
|
|
| 图2:升压/反相调节器电路利用ADC的+5V电压,并为缓冲器放大器提供双电压电源。 |
此外,LT3472的1.1MHz开关频率接近LTC2449数字滤波器阻带的中点。当使用内部转换时钟时,阻带的中点为900kHz,并与所选的速度模式无关。放大器的0.01μF电容负载和补偿网络使ADC具有一个“电荷池”,以平衡ADC的采样电流,而2.5k反馈电阻则用来保持直流精度。
作者:Mark Thoren
Email: @linear.com">mthoren@linear.com
混合信号应用工程经理




