- 易迪拓培训,专注于微波、射频、天线设计工程师的培养
半英寸 UMTS 基站接收器简介
在满足宏蜂窝基站性能要求的前提下,能达到多高的集成度? 工艺技术仍然限定某些重要的功能部件必需运用特殊的工艺来制造:在射频 (RF) 领域采用 GaAs 和 SiGe、高速 ADC 采用细线 CMOS,而高品质因数滤波器则无法使用半导体材料得以很好地实现。此外,市场还需要更高的密度。
考虑到上述问题,我们决定用系统级封装 (SiP) 技术来开发占用约 1/2 平方英寸 (刚刚大于 3cm2) 面积的接收器。接收器的边界是 50Ω RF 输入、50Ω LO 输入、ADC 时钟输入及数字 ADC 输出。这留待增加 LNA 与 RF 滤波以用于输入、LO 和时钟发生、和数字输出的数字处理。在 15mm x 22mm 封装内,是采用 SiGe 高频组件的信号链路、分立式无源滤波和细线 CMOS ADC。
以下是对两个微型模块 (μModule?) 产品进行的设计分析:一个是实现直接转换接收器的 LTM9004;另一个是实现 IF 采样接收器的 LTM9005。
设计目标
设计目标是 UMTS 上行链路 FDD 系统,特别是处于工作频段 I 的中等覆盖区域基站 (详见 3GPP TS25.104 V7.4.0 规范)。就接收器而言,灵敏度是一个主要的考虑因素,在输入信噪比 (SNR) 为 -19.8dB/5MHz 时,要求为 ≤ -111dBm。这意味着,接收器输入端的有效噪声层必须 ≤ -158.2dBm/Hz。
设计分析 ─ 零 IF 或直接转换接收器
LTM9004 是一款直接转换接收器,采用了 I/Q 解调器和基带放大器以及双 14 位、125Msps ADC,如图 1 所示。LTM9004-AC 低通滤波器在 9.42MHz 处有一个 0.2dB 的转角,从而允许 4 个 WCDMA 载波。LTM9004 可与一个 RF 前端一起使用,以构成一个完整的 UMTS 频带上行链路接收器。RF 前端由一个双工器以及一个或多个低噪声放大器 (LNA) 及陶瓷带通滤波器组成。为了最大限度地降低增益和相位失衡,基带链路采用了固定增益拓扑,因此在 LTM9004 之前需要一个 RF 可变增益放大器 (VGA)。以下是此类前端的典型性能例子:
接收器频率范围: 1920 至 1980MHz
RF 增益: 最大值为 15dB
自动增益控制 (AGC) 范围: 20dB
噪声指数: 1.6dB
IIP2: +50dBm
IIP3: 0dBm
P1dB: -9.5dBm
20MHz 时的抑制: 2dB
发送器频带上的抑制: 96dB

图 1:在 LTM 9004 微型模块接收器中实现的直接转换架构
OFFSET ADJUST:偏移调节
DC OFFSET CONTROL:DC 偏移控制
考虑到 RF 前端的有效噪声贡献,LTM9004 引起的最大可允许噪声必须是 -142.2dBm/Hz。LTM9004 的典型输入噪声是 -148.3dBm/Hz,据此计算出的系统灵敏度为 -116.7dBm。
一般情况下,此类接收器可受益于 ADC 之后的数字化信号的某些 DSP 滤波。在该场合中,假设 DSP 滤波器是一款具有 α = 0.22 的 64 抽头 RRC 低通滤波器。为了在存在同通道干扰信号的情况下运作,接收器在最大灵敏度下必须拥有足够的动态范围。UMTS 规范所要求的最大同通道干扰源为 -73dBm。
请注意,就一个具 10dB 波峰因数的已调信号而言,在 LTM9004 IF 通带内 -1dBFS 的输入电平为 -15.1dBm。在 LTM9004 输入端,这相当于 -53dBm,或 -42.6dBFS 的数字化信号电平。
RF 自动增益控制 (AGC) 设定为最小增益时,接收器必须能从手机中解调出 预计所需的最大信号。这种要求最终设定了在或低于 -1dBFS 时,LTM9004必须提供的最大信号。规范中规定的最小通路损耗为 53dB,而且假定手机的平均功率为 +28dBm。那么在接收器输入端,最大信号电平就是 -25dBm。这等效于 -14.6dBFS 的峰值。
UMTS 系统规范中详细说明几种阻断信号。在存在此类信号的情况下只允许进行规定大小的减敏;灵敏度指标为 -115dBm。其中的第一种是一个相距 5MHz 的邻近通道 (处于 -42dBm 的功率级)。数字化信号电平峰值是 -11.6dBFS。DSP 后处理增加 51dB 抑制,因此在接收器输入端,这个信号相当于一个 -93dBm 的干扰信号。结果灵敏度为 -112.8dBm。
接收器还必须与一个相隔 ≥ 10MHz 的 -35dBm 干扰通道相竞争。微型模块接收器的 IF 抑制将使这个干扰通道衰减至相当于峰值为 -6.6dBFS 的数字化信号电平。经过 DSP 后处理,该干扰通道在接收器输入相当于 -89.5dBm,结果灵敏度为 -109.2dBm。
还必须考虑到带外阻断信号,但是这些带外阻断信号的电平与已经讨论过的带内阻断信号相同。
在所有这些场合中,LTM9004 的 -1dBFS 典型输入电平均远远高于最大预期信号电平。请注意,调制通道的波峰因数将大约在 10 至 12dB,因此在 LTM9004 的输出端上,其中最大的一个将达到约 -6.5dBFS 的峰值功率。
最大的阻断信号是 -15dBm CW 音调 (超过接收频段边缘 ≥ 20MHz)。RF 前端将对这个音调提供 37dB 抑制,因此它出现在 LTM9004 的输入端时将为 -32dBm。在这里,这种电平值的信号仍然不得降低基带微型模块接收器的灵敏度。等效的数字化电平峰值仅为 -41.6dBFS,因此对灵敏度没有影响。
另一个不想要的信号功率源是来自发送器的泄漏。因为这是一个 FDD 应用,所以这里描述的接收器将是与一个同时工作的发送器耦合的。该发送器的输出电平假定为 ≤ +38dBm,同时发送至接收的隔离为 95dB。那么在 LTM9004 输入端出现的泄漏为 -31.5dBm,相对于接收信号偏移至少 130MHz。等效的数字化电平峰值仅为 -76.6dBFS,因此没有降低灵敏度。
直接转换架构的一个挑战是二阶线性度。二阶线性度不够将允许想要或不想要的任何信号,以引起基带的 DC 偏移或伪随机噪声。如果这种伪随机噪声接近接收器的噪声电平,那么上面详细讨论过的那些阻断信号将降低灵敏度。在这些阻断信号存在的每种情况下,系统规范都允许灵敏度降低。按照系统规范的规定,-35dBm 阻断通道可以使灵敏度降至 -105dBm。如我们在上面看到的那样,这种阻断信号在接收器输入端构成了一个 -15dBm 的干扰信号。LTM9004 输入端产生的二阶失真大约比热噪声低 16dB,结果预测灵敏度为 -116.6dBm。
-15dBm 的 CW 阻断信号还将导致二阶分量,在这种情况下该分量是一个 DC 偏移。DC 偏移是不想要的,因为它减小了 A/D 转换器能处理的最大信号。一种减轻 DC 偏移影响的可靠方法是,确保基带微型模块接收器的二阶线性度足够高。在 ADC 输入端,由于这一信号而产生的预测 DC 偏移 < 1mV。
请注意,发送器泄漏不包括在系统规范中,因此由于这一信号而产生的灵敏度下降必须保持到最小。发送器输出电平假定为 ≤+38dBm,同时发送至接收的隔离为 95 dB。LTM9004 中产生的二阶失真导致的灵敏度损失将 <0.1dB。
在规范中对 3 阶线性度仅有一个要求。这就是在两个干扰信号存在的情况下,灵敏度不得降至低于 -115dBm。这两个干扰信号是一个 CW 音调以及一个 WCDMA 通道,每个的大小都是 -48dBm。这些干扰信号每个都以 -28dBm 的大小出现在 LTM9004 的输入端。它们的频率与想要的通道相隔 10MHz 和 20MHz,因此 3 阶互调分量落在基带上。这里,这个分量仍然以伪随机噪声形式出现,因此将使信噪比降低。LTM9004 中产生的 3 阶失真大约比热噪声层低 20 dB,预测灵敏度降低 < 0.1 dB。
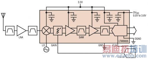
设计分析 - 140MHz IF 采样接收器
LTM9005 是一款 IF 采样接收器,采用了一个下变频混频器、IF 放大器以及一个可变衰减器、一个表面声波 (SAW) 滤波器和一个 14 位、125Msps ADC,如图 2 所示。LTM9005-AB SAW 滤波器的中心频率为 140MHz,带宽为 20MHz,允许 4 个 WCDMA 载波。LTM9005-AB 可与一个如上所述的类似 RF 前端一起使用,以构成一个完整的 UMTS 频带上行链路接收器。在这种情况下,一个合适的前端应该有 14.5dB 的最大 RF 增益。

图 2:在 LTM9005 微型模块接收器中实现的 IF 采样架构
以下是 LTM9005-AB 的典型关键性能规范:
-1dBFS 信号输入: -17.8dBm
输入噪声电平: -158dBm/Hz
IIP3
IF 内有两个音调: +17.7dBm
IF 外有两个音调: +19dBm
P1dB (IF 通带外): +8.8dBm
IF 通带外抑制: 40dB
LTM9005-AB 的典型输入噪声为 -158dBm/Hz。考虑到 RF 前端噪声,在最大 RF 增益时,预测系统灵敏度为 -122.2dBm。
UMTS 规范要求最大同通道干扰信号为 -73dBm。在接收器设定为最大增益时,到达微型模块接收器输入端的电平为 -58.5dBm。请注意,已调通道的波峰因数将在 10 至 12dB,因此这个信号在微型模块接收器输入端将达到约 -48.5dBm 的峰值功率。这在 ADC 输入端相当于 -31.7dBFS。
在 RF AGC 设定为最小增益、手机平均功率为 +28dBm 时,该规范中规定的最低通路损耗为 53dB。那么在接收器输入端,最大信号电平就是 25dBm。这一条件限定了微型模块接收器之前可设定的最大 RF 增益。假定 RF AGC 范围为 20dB,那么在 LTM9005-AB 输入端的信号电平就是 -30.5dBm。考虑到波峰因数,那么在微型模块接收器输入端,这个信号将达到约 -20.5dBm 的峰值功率。这在 ADC 处相当于 -3.7dBFS。
假定在阻断信号存在的情况下,接收器设定为最大 RF 增益。灵敏度规范仍然为 -115dBm。请注意,一旦接收到的信号数字化了,那么其他带通滤波将利用 DSP 来完成。假定这运作有 20dB 的抑制因数。
在这些阻断信号中,第一个是电平为 -52dBm 的相邻通道阻断信号。该微型模块接收器的 IF 抑制为 40dB,DSP 后处理另增加 20dB。因此在接收器输入端,这信号相当于 -114.5dBm 的干扰信号,数字化信号的电平为 -50.7dBFS。结果灵敏度为 -122.2dBm。
该接收器还必须与相隔 ≥ 10MHz 的 -40dBm 干扰通道相竞争。这里,RF 前端仍然不提供对这个通道的抑制,但是微型模块接收器的 IF 和 DSP 抑制将衰减该通道信号,使其在接收器输入端的等效电平为 -102.5dBm。这相当于 -38.7dBFS 的数字化信号电平,而且所产生的灵敏度为 -119.8dBm。
在所有这些情况下,LTM9005-AB 的 -1dBFS 典型输入电平都远高于最大预期的阻断信号电平。请注意,所产生的灵敏度全部在规范规定的 -115dBm 范围之内。
带外阻断信号也必须考虑,最大的是 -15dBm CW 音调,位于接收频带边沿之外 ≥ 20MHz 之处。RF 前端将对这个音调提供约 37dB 抑制,而且 IF 滤波器将另提供 40dB 的衰减。考虑到 DSP 抑制,那么这个音调的电平等于 -114.5dBm。那么所产生的灵敏度为 -122.2dBm,数字化信号电平为 -60.7dBFS。
发送器输出电平假定为 ≤ +38dBm,发送至接收隔离为 95 dB。考虑到 IF 和 DSP 抑制,那么在接收器输入端的等效电平为 -119.5dBm 或 -55.7dBFS。结果灵敏度为 -122.2dBm,这也在规范规定的 -115dBm 范围之内。
就 3 阶线性度而言,在两个干扰信号存在的情况下,灵敏度不得降至低于 -115dBm。这些干扰信号是一个 CW 音调和一个 WCDMA 通道,每个的电平都为 -48dBm。这些干扰信号均以 -33.5dBm 的电平出现在 LTM9005-AB 的输入端。它们的频率与想要的通道相隔 10MHz 和 20MHz,因此 3 阶互调分量落在 IF 通带之内。这里,这个分量仍然以伪随机噪声的形式出现。利用适合于通带外音调的 IIP3,预测 3 阶分量在 -131.1dBm 出现。这比噪声电平大约低 30dB,而且对灵敏度没有影响。
结论
LTM9004 和 LTM9005 展现了 UMTS 基站应用所需的高性能,而且提供非常紧凑设计所需的较小尺寸和集成度 (参见图 3)。通过运用 SiP 技术,这些微型模块接收器采用了以最佳工艺 (SiGe、CMOS) 制造的组件和无源滤波器组件。

图 3:实际的演示板照片,该板最大限度地减少了所需的外部电路


