- 易迪拓培训,专注于微波、射频、天线设计工程师的培养
深层概念教学-了解RF无线电广播
概览
尽管FM广播是一种常见的技术,但有时其概念也很难理解。 本教程将探讨如何使用NI LabVIEW软件和NI USRP-2920收发器建立一个FM广播,并对广播调频信号的基础知识有更深入的了解。
在本练习中,您首先需要获取和分析一个宽频谱来定位一个电台。然后搜索一个特定电台,解码并进行收听。然后,您就可以使用NI USRP-2920和LabVIEW,在这个过程中的每一步骤中与时域及频域中的信号进行交互,最大程度地提升您对概念的理解。
在完成本指南学习之后,您能够:
· Lo定位FM广播电台,并识别它们的频谱形状
· 确定一个电台所需的带宽
· 辨别解调FM收音机信号中的子载波
· 识别多线程读写的"流水线"设计模式
背景
FM代表频率调制,是一种对信息信号编码的过程,比如音乐信号等,信号的频段为射频频段。 世界各地的FM广播电台使用从87.5 MHz至108 MHz为中心频率的信号进行传输,而每个电台的带宽通常为200 kHz。 在此范例中,使用的是94.7 MHz中心频段,该地方广播电台的频段靠近美国FM波段的中心频率。
NI USRP™入门
NI USRP-2920是一个灵活的RF收发器,它能发送和接收信号。 在此范例中,RF前端配置了一个接收器,获取用于FM广播的10 MHz频段的RF频谱。

图1. NI USRP-2920
USRP-2920通过直接连接到RX1的天线接收FM信号,然后使用两个高速模拟-数字转换器将信号下变频至基带I/Q和采样点。 I/Q代表同相(I)和正交(Q),方便用来创造一个相当于RF频段的信号的基带(频率较低)。 由此产生的I/Q采样点通过千兆以太网接口发送至PC,并在LabVIEW中进行信号处理。

图2. Find FM Signals.vi上显示FM电台
现在,你需要LabVIEW虚拟仪器或VI来处理I/Q采样点。 您可以使用虚拟仪器自定义USRP-2920的前面板或用户界面。图2为FM波段的平均光谱。 图中的每一个高峰代表当地一家电台。 图3中放大了94.7 MHz,你可以看到这个电台所占用的频谱。

图3. FM94.7 FM 200 kHz带宽
如果RF信号仅仅是一个94.7 MHz的单频的音调,它在这里会显示为一个很窄的尖峰。 但是可以看到该广播站的RF能量在多个频率上传播。 因为这是大约为200kHz信号带宽,它包含了频率调制后的音频(以及一些下文将要探讨的其他信息)。 要提取音频,您需要使用一个不同的VI来配置USRP-2920,从而获取该电台发出的较窄的频段的RF信号广播并进行解调。
解调FM广播
FM Deod声卡VI的RX频率设定为94.7兆赫,I/Q采样率为200 kS/s,以及增益为25 dB。 根据正在使用的电台和天线的不同,配置也会有所不同。 一旦配置完成,VI便开始运行。

图4. 使用FM Demod Sound Card.vi解调FM广播
在此VI中,可以看到正在播放音乐的时域及频域信息。 现在,我们来研究如何提取音频。 同第一个范例一样,首先进入LabVIEW的样本是代表复数的原始基带I/Q信号。 凭借LabVIEW调制工具包,FM可以解调I/Q信号。 当音频采样恢复并低于44.1 kHz之后, 界面上方可以显示时域波形。 界面下方显示FM解调信号的频谱。调制之后可以清楚地看到,很多频谱在一起组成了一个单一的FM信号。 尽管信号不断变化,仍可以发现一些固定模式。 根据均方根(RMS)平均数,能够确定信号常用形状。
打开附带的视频,查看和收听运行这个VI的结果。
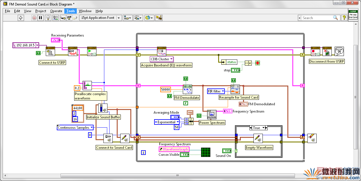
特别是在检查VI的程序框图时,可以发现三行鲜明的图??标。 每一行都是一个处理步骤,其生成的结果用于下一行的下一次循环处理。 将一个串行任务分割成多个在之后循环中运行的并行任务的过程称为流水线。 从While循环顶部第一行图标开始初始化并从USRP-2920获取I/Q信号。在while循环过程中,对FM信号进行解调并重采样为音频。 while循环底部第三行图标不断将恢复的音频输出至声卡。 流水线可以确保VI有效地将数据传输全部通过三个处理步骤。(请注意,流水线有一定的时间延迟;一个信号从天线获取并通过该系统再作为音频回放需要两个完整的循环。)

图5. 在LabVIEW中解调的FM广播程序框图
分析解调FM广播信号
该FM解调信号明显的形状在全球大多数电台中非常常见。 为了诠释图片中的更多含义,你可以使用光标进一步说明信号的不同部分。

图6. 启用光标,显示解调FM电台组件
图6中的第一部分一直到红线左侧的部分由左右音频组成,可作为单声道音频播放。 仔细观察这部分的信号可以看到一个频率偏差15 kHz的漂亮框图。 这相当于肉耳可以听到的实际音频频率。 在无线电接收器上采用19kHz的试点音,可用来恢复立体声音频以及其他信息。 使用位于试点音后的信息可以恢复立体声音频。 左声道减去右声道,使用AM抑制载波调制立体声音频数据。 一旦信号使用19 kHz载波器经AM解调后,在单声道信号上添加此信息会产生左声道音频,从单声道信号中减去此信息会产生右声道音频。 立体声部分之后是两个57 kHz的高峰,包含用来显示广播电台RDS文本信息以及许多现代汽车音响上的流行歌曲。一些电台在高清广播上采用剩余的频谱,通常播出频率大约为76 kHz。
结论
每个广播FM电台占用200kHz的带宽,并且在解调时包含许多不同的子组件。 然而,这篇简短的教程只能让您略知一二。 刚开始使用这些VI,您可以重建立体声音频,甚至可以解码RDS子载波。 USRP-2920和LabVIEW为探索FM广播和其他模拟及数字调制方案的基础知识提供了一个理想的解决方案。 除了其教育方面的优势,该解决方案还是一个有价值的研究工具。


