- 易迪拓培训,专注于微波、射频、天线设计工程师的培养
TD-HSDPA技术演进及 网建议
原有的TD-SCDMA的峰值速率已经无法满足越来越高的数据业务需求,作为TD-SCDMA技术的演进,HSDPA技术的发展为更高的数据速率和更高容量提供了一条平稳演进的途径。在TD-SCDMA试验网已经开始大规模建设的今天,如何引入HSDPA技术越来越受到人们的关注。
随着移动通信和互联网的高速发展,视频、流媒体等许多对流量和延迟性能要求较高的数据业务对移动通信系统提出了更高的要求。在这种情况下,第三代移动通信系统原来所提出的2Mbit/s的峰值速率目标已经无法满足市场的需求。为满足数据业务日益增长的需求并迎接宽带无线接入技术的挑战,3GPP在R5以后的版本中引入了新的分组接入增强技术HSDPA,将TD-SCDMA的峰值速率提高到2.8Mbit/s。
TD-HSDPA的技术演进与发展
在单载波1.6Mbit/s的带宽下,HSDPA理论峰值速率为2.8Mbit/s,与FDDHSDPA相比,单载波HSDPA可提供的下行峰值速率偏低,很难直接满足运营商对高速分组数据业务的需求。在这种情况下,TD-SCDMA系统引入多载波HSDPA技术,使得TD-SCDMAHSDPA技术支持的理论峰值速率大大提高,理论上N载频的多载波HSDPA方案可以获得N×2.8Mbit/s的峰值速率,如3载频的HSDPA方案理论的峰值速率可以达到8.4Mbit/s;同时,多载波HSDPA允许单用户同时使用多个载频上的HSDPA资源,因此,对单用户而言,这也大大提高了高速分组数据业务的支持能力,同样,理论上,单用户的高速分组数据业务支持能力可达N×2.8Mbit/s。
简单说来,TD-SCDMA多载波方案就是指一个UE可以同时接收多个载波的数据。和N频点特性相结合后,得到一种优化的方案,即在一个小区内提供多个连续的载波,主载波上提供BCH、UpPCH、DwPCH以及其他信道,用于系统信息广播和终端接入,而在辅载波上,只提供业务信道。UE在通过主载波接入之后,由系统的接纳控制功能根据各个载波资源的情况,统一配置资源。
在TD-SCDMA系统引入多载波HSDPA技术,对于无线接入网络,一方面可以提高一个小区的高速下行分组业务容量,同时也可以提高一个用户的高速下行分组业务能力。
TD-HSDPA的组网方案研究
HSDPA作为TD-SCDMA的增强型无线技术,为TD-SCDMA向更高数据传输速率和更高容量提供了一条平稳演进的途径。HSDPA的网络建设一般可以采取两种方案:HSDPA与TD-SCDMA是用不同的小区分层建网,即HSDPA单独组网;HSDPA与TD-SCDMA共小区直接建网,即HSDPA与R4混合组网。
HSDPA单独组网方式有其独特的优势:TD-SCDMA网络承载CS业务和低速PS域业务,HSDPA集中提供高速PS域业务,通过切换实现两个系统间业务承载能力的互补;HSDPA网络与TD-SCDMA网络互不影响,避免了复杂的码资源、功率资源规划,实现无线资源的最佳使用。但是与此同时也带来了很多问题:HSDPA单独组网建设成本高;在建网初期,用户数量有限的情况下,TD网络和HSDPA网络共享程度低,网络整体效能下降;为支持R4网络业务和HSDPA网络业务的切换,还需要支持多载频的终端以及多小区驻留,UE复杂性增加。
HSDPA和R4的混合组网可以分为异频和同频两种方式。
在异频方式下,以采用S3/3/3站型进行网络规划建设的地区为例,可以按照HSDPA和R4业务分载波进行配置,总体时隙配置均采用3:3对称分配。在网络建设初期,话音业务需求相对较大,可以采用的分配方式为R4业务占用2个载波,HSDPA业务占用1个载波;随着网络建设的发展,用户的数据业务需求逐渐增大,可以采用的分配方式为R4业务占用1个载波,HSDPA业务占用2个载波。
采用异频组网,由于R4和HSDPA分别占用不同载波,避免了同载波上话音业务和数据业务不同QoS的问题,同一载波上话音业务和HS-DSCH承载的数据业务不同覆盖的问题,以及为了保证话音业务优先接入、资源预留和功率预留的问题,极大简化了无线资源管理和移动性管理,但是终端仍然需要在不同载频上同时工作,数据业务为主的HSDPA也需要配置对称的上下行转换点,造成了上行资源的浪费。
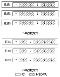
在同频方式下,R4和HSDPA占用同一载波,若时隙比例按照3:3进行配置,其中R4配置1对时隙,HSDPA配置2对时隙;若时隙比例按照2:4进行配置,其中R4业务配置1对时隙,其余时隙配置为HSDPA,上下行比例为1:3,如图1所示。

图1 R4和HSDPA同频组网
同频组网的情况下,需要对R4和HSDPA的各自业务进行合适的功率分配,无线资源管理和移动性管理策略都比较复杂,但是终端可以不同时工作在不同载频上,简化了终端设计,避免了网络资源的浪费,提高了网络利用率。
当前阶段的组网策略建议
目前国内的移动宽带网络处于网络建设的初期,传统话音业务仍是主要业务,同时有一定的数据业务需求,数据业务市场处于培育阶段。HSDPA资源可根据数据业务量的需求灵活分配。由于总的话务需求量并不是很高,因此建议运营商采用HSDPA和R4混合组网的方式,相对于单独组网,可以减少建设成本,降低管理维护和优化的复杂度。在混合组网方式下,由于业务需求总量不高,运营商可以采用异频组网的方式,共配置三个载波,一个载波承载R4业务,另外两个载波承载HSDPA业务。
在热点地区,HSDPA可实现连续覆盖,满足高速业务的需求。此时高速的PS域业务(如大于64kbit/s的业务)采用HSDPA承载,低于64kbit/s的业务采用R4承载;在非热点地区,PS业务全部通过R4承载,满足低速业务的需求。
随着网络建设的进行,以及语音和数据业务需求量的不断增加,数据业务快速发展,网络初期的配置方式已经无法满足需求。运营商可以采用同频组网等方式,同时重新配置HSDPA和语音业务资源,针对不同地区下行流量的不同需求,语音业务和HSDPA资源可在载频间以及载频内灵活分配。
HSDPA的单载波峰值速率可以达到2.8Mbit/s,多载波HSDPA技术更可以达到8.4Mbit/s的理论峰值,它的引进和发展可以满足日益增长的数据业务的需求。在HSDPA网络建设中,可以根据网络建设阶段和运营商建设思路采取HSDPA单独组网或者HSDPA与R4混合组网方案。在不同的阶段具体采用何种组网策略,来做到资源利用的最大化,节省网络投资是我们需要进一步考虑的问题。
作者:广东省电信规划设计院有限公司 李华 来源:通信世界
上一篇:TD智能天线改进技术
下一篇:TD-SCDMA广覆盖思路探讨


