- 易迪拓培训,专注于微波、射频、天线设计工程师的培养
研诺逻辑AAT1130电源管理方案
研诺逻辑(AnalogicTech )公司的AAT1130是电源管理器件,是固定频率电流模式降压控制器,输出电流可达500mA,静态电流仅为60uA.输出电压从0.6V到1.8V,而输入电压从2.7V到5.5V,开关频率可高达2.5MHz,可使用小型无源LC滤波器,而输出电压波纹低. AAT1130可用于微处理器/DSP核和I/O,手机,PDA和便携式计算机,数码相机,音乐播放器和手持游戏机.本文介绍了AAT1130的主要特性, 方框图, 两种不同的固定和可调输出电压评估板电路图.
The AAT1130 SwitchReg™ is a member of AnalogicTech’s Total Power Management IC™ product family. It is a fixed-frequency (during steady-state operation), current-mode step-down converter. The unique architecture improves transient response while allowing tiny passive LC filter components. The high switching frequency (up to 2.5MHz) keeps output voltage ripple low.
The AAT1130 delivers up to 500mA of output current, while consuming only 60μA of quiescent current. The current-mode control circuit operates at a fixed switching
frequency in steady-state operation. It allows the control circuit to react nearly instantly for improved transient response and is stable with LC components as small as 1μH and 4.7μF. The AAT1130 regulates an output voltage between 0.6V and 1.8V from an input voltage of 2.7V to 5.5V. The AAT1130 is available in either fixed or adjustable output regulation voltage options, for the adjustable version the output voltage is set by an
external resistor voltage divider circuit. Internal MOSFET switches reduce the overall solution size while maintaining high efficiency over a wide load current range.
The AAT1130 is available in a space-saving 2.0x2.2mm SC70JW-10 package or a 6-pin wafer-level chip scale (WLCSP) package, and is rated over the -40°C to 85°C
temperature range.
AAT1130主要特性:
2.5MHz Switching Frequency
Input Voltage Range: 2.7V to 5.5V
Output Voltage Range: 0.6V to 1.8V
High 92% Peak Efficiency (VIN = 3.6V, VOUT = 1.8V)
Low 60μA Quiescent Current
500mA Maximum Continuous Output Current
Fast Transient Response with Small LC Output Filter Components
Fixed and Adjustable Output Voltage Options
Internal Soft-Start
Anti-Ringing Switch to Reduce EMI During Discontinuous Conduction Mode Operation
Over-Temperature Protection
Valley Current Limit Protection
SC70JW-10 or 0.9x1.2mm WLCSP Package
-40°C to 85°C Temperature Range
AAT1130应用:
Microprocessor/DSP Core and I/O
Mobile Phones
PDAs and Handheld Computers
Digital Cameras
Portable Music Players
Handheld Games
Handheld Instruments

图1. AAT1130方框图

图2.AAT1130固定输出电压评估板电路图
AAT1130 Fixed Output Voltage Evaluation Board Schematic for the SC70JW-10 Package.

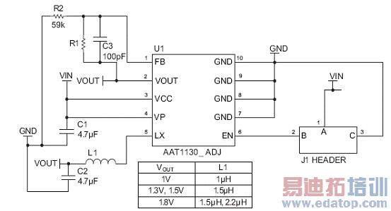
图3.AAT1130可挑输出电压评估板电路图
AAT1130 Adjustable Output Voltage Evaluation Board Schematic for the SC70JW-10 Package.

图2.AAT1130固定输出电压评估板电路图(2)
AAT1130 Fixed Output Voltage Evaluation Board Schematic for the WLCSP-6 Package.

图2.AAT1130可调输出电压评估板电路图(2)
AAT1130 Adjustable Output Voltage Evaluation Board Schematic for the WLCSP-6 Package.
上一篇:利用双处理器延长电池使用寿命
下一篇:Web应用中缩短Web响应时间的技术研究


