- 易迪拓培训,专注于微波、射频、天线设计工程师的培养
实用VRLA蓄电池维护电路
VRLA 蓄电池。是阀控式密封铅酸蓄电池的简称。广泛应用于工农业领域,主要为广电、金融、通讯等行业作后备电源。 VRLA 蓄电池应用于这些行业中。都将是全天候预备等待工作,以随时准备为所需系统供电。
VRLA 蓄电池由于长时间处于电源在路状态,故此长时间都可能处于充电状态,而针对铅酸蓄电池,还要进行必要的放电以激活化学分子。才能更好的以备后用。但目前很多设备后备电源都没有考虑其电池在使用过程中的维护,如笔者所在的广电局,以前平均每三年都要报废一次后备电源的电池,其原因就是经检测电池容量减少,无法达到使用容量标准。笔者通过添加维护电路的方式,使电池容量减小的现象得到了有效改善。现将电路介绍如下。
一、硬件 VRLA 蓄电池维护电路
电路如图 1 所示。采用 40106 作为脉冲发生器,电路包括电源电路、维护脉冲产生电路:电池识别电路等三部分。
1 .电源电路
从图 1 可以看出,本维护电路的电源电路分三部分:一是充电部分的充电电源到电池的输入电源,二是本维护电路的工作电源,三是本修复仪信号判断等用的电源。
充电电源取自原充电电路输出端,在充电电源与电池的输入电源之间.加入了电感器 L1 和 C1 .组成倒" L "型滤波器,使充电电源能直接通过 L1 对电池充电.不影响其充电性能。
本维护电路的工作电源经保险 F1 后通过 L2 等为其核心电路供电。本维护电路的信号判断电路电源,由 D1 、 L4 、 Rl 、 R2 等构成。经 R2 、 D6 和 U2 后,为维护电路提供可靠的 5V 电源,供 IC 和电池电压等判别电路使用。 12V 和 24V 电池电压识别电路,能自动识别接入维修的电池是 12V 的还是 24V 的,并指示出来。
2 .维修脉冲产生电路
本维护电路的脉冲产生电路由 IC(40106) 产生,并经过 JI 转接插座直接驱动 Q1 ,让 Q1 按照驱动脉冲导通与截止。再经过 L2 、 L3 、 C5 、 D5 、 D7 等构成电池维护脉冲生成电路。由 IC 产生的脉冲,经 Ql 驱动放大,在 L2 、 L3 上进行储能,根据电感特性, L2 、 L3 在本电路中将起主要作用。为了提升储能效果,还加入了电容 C5 ,使其产生的脉冲能量更大。所形成的维护脉冲电压。经过 D5 叠加到充电电源上,形成充电脉冲维护。
3 .电池识别电路
根据对不同电压电池的接入,本维护电路对 12V 或 24V 电池具有自动识别转换功能。同时,也对维护脉冲进行跟随调整。 12V 或 24V 电池自动识别电路由 R1 、 D10 、 R10 ~ R12 等电路组成。 R9 、 C7 、 Q2 、 C6 、 K1 、 D2 、 R6 、 R5 等组成 12V 或 24V 识别的频率调整电路,当接人电池为 12V 时,由于 D10 识别的作用.在 R9 和 R10 上无电压形成, Q2 基极为低电平,使其 Q2 截止。一方面使 K1 继电器无电不工作,将 R8 断开路,接入振荡电路中,其 IC 的振荡频率由 C2 、 R13 、 R8 、 R7 、 D3 、 D4 等构成;另一方面, 02 截止后,相当于将 R6 断路,使 Q3 基极电位升高, Q3 导通, 12V 指示灯得电点亮,指示接入的电池为 12V 。同理 , 由于 D10 的作用, R11 和 R12 支路无电导通, Q4 截止, 24V 指示灯不亮。
当 24V 电池接入后。由于 D10 识别, D10 导通,在 R9 和 R10 上有电压, Q2 基极为高电平,使其 Q2 导通。一方面,使 K1 继电器得电工作。将 R8 短路。不接入振荡电路中,其 IC 的振荡频率由 C2 、 R13 、 R7 、 D3 、 D4 等构成;另一方面 Q2 导通后,相当于将 R6 接通,使 Q3 基极电位拉低, Q3 截止, 12V 指示灯无电不亮。而由于 D10 导通作用, R11 和 R12 支路得电, Q4 导通, 24V 指示灯点亮。指示接入电池为 24V 。
从电池接入识别电路中可以发现,如果是 12V 电池被充至一定数值,或 24V 电池电压降到一定数值。则上述 12V 或 24V 电池电源指示灯均会被点亮.这不是什么故障,是由于一定电压交换识别所致。当电池充电后,即可立即识别。
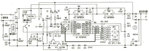
二、扫描型 VRLA 蓄电池维护电路
本铅酸蓄电池维护电路采用 PIC16F676 单片机作主控制器,电路如图 2 所示。通过本装置,利用普通充电电路平时对电池充电的同时.利用本装置检测电池电压充电阶段和时间,通过核心芯片单片机 IC1 内置程序计算,产生各阶段、各不同状态充电时的防电池硫化和减小硫化程度、以及对硫化电池的维护脉冲,以此保养和维护电池,延长电池使用寿命。
1 .工作原理
(1) 电源输入极性判别及转换电路电源输入极性判别及转换电路分两部分,一一是电源输入极性转换,指的是充电电路到维护电路的电源极性识别,还有就是维护电路到电池的电源极性识别;二是根据不同的充电器电源极性和电池输入极性,再自动识别进行匹配。充电端电源极性识别与极性转换电路由 D6~D9 组成,无论电池接入极性如何,经过该电路后都会把电源极性进行归属为正负的正确输入方式。电池端的电源识别与极性转换,相对复杂点,由于电池电源可能是双向供给的,并需要通过电池的极性来改变维护仪的输出电压,由此,首先要对电池的接入极性进行识别,再在识别的基础上进行转换。该部分电路原理设计根据多种充电电路的电池接入原理得来。主要电路由 D3 、 R3 、 D4 、 D10 、继电器 K1 等组成。该电路是非常巧妙的电源极性自动识别与转换电路.可应用于任何双向供电的电源极性识别与转换电路中。
当 J1 与电瓶的接法为上正下负时, D3 、 R3 、 D4 、 D10 、继电器 K1 等组成的电源极性识别转换电路不工作.继电器 K1 的常闭触点将维护仪的输出电源极性与电池接人电源极性匹配。当 J1 与电池的接法为上负下正时, D3 得电导通,经过 R3 降压后,在 D10 上形成稳定的 12V 电源,为继电器 K1 供电,使 K1 得电工作,其常开触点接通,将电池电源极性转换为与维护仪输出电源极性一致。
(2) 电源电路
电源电路是维护仪本身所需要电源的电路。该部分电路由降压电阻 R16 、滤波电容 C6 、 C5 、 C4 ,以及由 IC3 、 IC2 组成的两级稳压电路构成。一级稳压电源经 IC3 输出的 9V 电压为继电器 K2 供电,第二级稳压电源 IC2 输出的 5V 电源,为维护电路控制和其他电路供电。
(3) 控制电路
控制电路由矩形波产生、矩形波频率自适应自动控制扫频、矩形波占空比自适应自动控制功能电路等组成,该部分电路功能主要由单片机 IC1(PIC16F676) 完成,该部分功能电路的实现.主要是靠对电源采样电阻 (PICl6F676) 完成,该部分功能电路的实现。主要是靠对电源采样电阻 R15 、 R5 的电源电压信号进行采集,然后根据特定的内部算法,以及叠加在电池上电压的阶段来实现的,表现出对 IC1 的 RC4 、 RC3 端输出的控制。除了电源阶段电压检测外,还具有时间指定控制,避免充电电源损坏对电池过充,有效地避免热失控等引起的电池充鼓、充爆等现象。
(4) 正负脉冲形成电路
正负脉冲形成电路由电能脉冲形成电感 L1 、 L2 ,电容 C1 、 C2 和快恢复二极管 D11 等组成。该电路还包括脉冲驱动电路 R4 、 V2 、 V3 ,以及保护稳压二极管 D12 ~ D14 。但从本电路形成波形来看.只能形成正脉冲波,而负沿脉冲幅度并不是很高,但经过外加的蓄电池充电,就形成了正负完全对称的正负尖脉冲。
(5) 状态指示电路
状态指示电路分三部分,一是电池接入指示电路,由 D1 和限流电阻 R1 组成。当电池接入后, D1 会发光做出指示:二是充电器接入指示灯,由 D2 和 R2 组成;三是维护状态的指示,由 IC1 的③ ~ ⑤脚、⑨ ~ ⑩脚及限流电阻 R7~R13 和数码管 DS1 构成。数码管将显示电池组的容量。从 1~10 显示.表示电池组的目前容量。


作者:陕西毛贇 来源:电子产品世界
上一篇:高清晰视频会议系统及其优势
下一篇:高清晰度视频会议的标准是什么


