- 易迪拓培训,专注于微波、射频、天线设计工程师的培养
WEDM脉冲电源恒流输出双管正激交错DC/DC变换器设计
WEDM用脉冲电源的作用是把工频交流电流转换成一定频率的单向脉冲电流,供给电极放电间隙所需要的能量以蚀除金属。本文提出的电流型电火花线切割加工电源前级电路恒流输出DC/DC变换器,其电路拓扑采用双管正激交错并联结构,故称为恒流输出双管正激交错并联DC/DC变换器。其电压应力等于电源输入电压,通过两个二极管来构成励磁电流回路,使能量回馈至电源。
设计方案
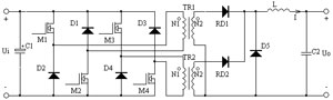
主电路结构如图1所示。M1、M2、D1、D2构成一路双管正激电路,M3、M4、D3、D4构成另一路双管正激电路,D5、D6分别为两路双管正激电路的整流二极管,D7为续流二极管,L为输出滤波电感,C1、C2分别为输入、输出滤波电容。
DC/DC变换器设计的最中心工作就是设计高频变压器。下面仅介绍高频脉冲变压器、输出滤波电感的设计,最后介绍计算输入电路、控制部分。

图1 恒流输出双管正激交错并联DC/DC变换器
1 高频脉冲变压器的设计
①脉冲变压器原副边匝比N的确定
为了满足在输入电压变化范围内都能够得到所要求的输出电流,高频变压器的变比应按输入电压最低,输出功率最大情况来选择。此种情况下,变换器工作在最大占空比状态,且电源工作在放电周期里。
设单路前级变换器的开关频率为fs,开关周期T=1/fs,取最大占空比DMAX=0.45,则单路开关管最大导通时间为Tonmax=DmaxT。
②确定绕组线径
60A/25V样机,流过副边的电流有效值为:
(1)
忽略电感电流脉动,变压器副边电流峰值为:Ismax=IL=60A。原边电流幅值为:Ipmax=Ismax+Iμ。
其中,Ismax为副边电流峰值折算到原边所得的电流值。Iμ为磁化电流,取Iμ=5%Ismax,则:
(2)
原边导线用铜芯标称直径0.6mm(面积为0.283mm2)的漆包线,7股并绕,则原边实际导线总面积为:
Sμ1=7×0.283=1.981mm2
副边用厚0.4mm、宽30mm的紫铜带绕制。副边实际导线总面积为:
Sμ2=0.4×30=12mm2
③ 校核窗口面积
(3)
能够绕下,设计合理。
2 输出滤波电感的设计
① 输出滤波电感值的确定
取输出滤波电感的最大电流脉动量为2%,并设电感电流连续,则△iLon=△iLoff=2%ILav,ILav为电感电流平均值。
实际设计中,取L=25μF。
②绕组线径为0.467mm
③ 校核窗口:
Kμ=NSμ/Q=(12×15×10-6)/(4.857×10-4)=0.371,能绕下。
3 输入电路设计
① 输入滤波电容设计
输入滤波电容计算公式为C=I·t/△V。
其中,I为输入电流,单位为A;t为电容提供电流的时间,单位为S;△V为所允许的峰-峰值纹波电压,单位为V。对于60A/25V样机,有:
(4)
取C=1680μF,用三个560μ/400V的电解电容并联。为了滤除高频纹波,需再并联一个小容量的高频无感电容。
② 功率晶体管的选取
最大漏源电压:UDSmax=Uinmax =353.5V。
峰值电流:IDSmax=Ipmax=9.69A
以上计算是理想结果,实际的电路中由于高频变压器存在漏感,回路中还有引线电感,在开关管关断瞬间会引起较大的电压尖峰。因此,选用开关管反向耐压应留有足够的裕度。本设计选用IR公司的功率MOSFET IR460。
③ 浪涌电流抑制设计
浪涌电流主要是由滤波电容充电引起的。在开关管开始导通的瞬间,电容对交流电呈现出很低的阻抗。一般情况下,只是电容的ESR值,而电容性能稳定情况下,该ESR值是很小的,从而导致浪涌电流可接近几百安培。所以设计时必须在电源的输入端采取一些限流措施,将浪涌电流减小到允许的范围之内。本设计采用热敏电阻技术限制浪涌电流。选取合适的热敏电阻,可以保证在负载电流达到稳定状态时,热敏电阻的阻值最小。
④ 输入瞬间电压保护设计
一般情况下,交流电网上的电压为115V或230V左右,但有时也会有高压的尖峰出现。如电网附近有电感性开关,暴风雨天气时的雷电现象,都是产生高压尖峰的因素。虽然电压尖峰持续的时间很短,但是它却有足够的能量给开关电源的输入滤波器、开关晶体管等造成致命的损坏。
最通用的抑制干扰高压器件是金属氧化物压敏电阻 (MOV)瞬态电压抑制器。将压敏电阻并联在输入交流电压两端。当高压尖峰瞬间出现在压敏电阻两端时,它的阻抗急剧减小到一个值,高压从其上经过,从而消除尖峰电压使输入电压达到安全值。
4 控制电路的设计
变换器的控制电路是变换器的重要组成部分,直接影响到变换器的技术性能。一般讲,控制电路包括调压控制和保护两部分。控制电路必须考虑到如下一些基本要求及功能:变换器是一闭环调节系统,所以与一般调节系统一样,要求控制电路应具有足够的回路增益,能在允许的输入电网电压、负载及温度变化范围内,输出电压稳定度达到规定的精度要求,即静态精度指标。同时,还必须满足动态品质要求,如稳定性及动态响应性能。因此,需要加适当的校正网络或采用多反馈技术。要满足获得额定的输出电压及调节范围的要求。此外,还应具有软启动功能及过压、过流等保护功能。必要时还要求实现控制电路输出与反馈输入之间的隔离。
为保持变换器的输出电压稳定,通常采用占空比控制技术。改变占空比的调节方式有脉宽调制(PWM)和脉频调制(PFM)两种方式。脉宽调制是在工作频率不变(即工作周期不变)情况下,通过改变晶体管或场效应管导通时间或截止时间来改变占空比,应用较普遍。脉频调制是采用恒定导通时间、可变截止时间或恒定截止时间、可变导通时间来实现占空比的改变。
过去,控制电路中各单元电路多采用分立元件及单片集成块。随着微电子技术的发展,近年来已研制出各种集成脉宽调制控制器,这些集成块包含了控制电路的全部功能,只需加少量元件就能满足要求。这不仅简化了设计计算,且大幅度地减少了元器件数量和连接焊点,使变换器的可靠性大大提高。
主功率管驱动电路设计
功率MOSFET是一种电压控制器件,没有少数载流子的存储效应,输入阻抗高,因而开关速度可以很高,驱动功率小。但为了得到最佳控制性能,需要精心设计驱动电路。根据要求,我们设计了如图2所示的驱动电路,该驱动电路采用两对图腾柱式推拉驱动。

图2 主功率管的驱动电路
结语
本文提出了一种WEDM用双管正激交错并联结构的DC/DC变换器设计方案,其采用并联结构,功率管工作在同样频率下,但输出电压频率提高了一倍。两路并联使得输出电压占空比也增加了一倍,其整流侧输出电压占空比可以在0~1之间变化,提高了电路响应速度;在同样输出电流的情况下,整流、续流二极管平均电流减小,有利于选取反向恢复时间更短的快恢复二极管。
作者:新疆工业高等专科学校 何颖 吴春艳 来源:今日电子/21IC
上一篇:片上网络交换机制的研究
下一篇:为高速应用选择缆线


