- 易迪拓培训,专注于微波、射频、天线设计工程师的培养
低压差线性稳压器的拓扑结构与应用
线性稳压器拓扑结构及主要特点
1 低压差线性稳压器的发展现状及应用领域
随着现代科技的进步,便携式电子产品正朝着高效节能、短小轻薄的方向发展。而传统的集成线性稳压器的输入/输出压差较高,这就大大限制了它在低压供电领域中的应用。尽管开关稳压器的电源效率高,但开关噪声大、输出纹波电压高,且容易产生电磁干扰(EMI),也难以满足高端射频收发装置(如手机)及视频装置(如DVD)的需要。
近年来问世的低压差线性稳压器,它一经问世便显示出强大的生命力,并以低功耗、高效率、低噪声、高抗扰、体积小、重量轻等显著优点,深受人们的青睐。低压差线性稳压器有3种类型:由低饱和压降的PNP型晶体管作内部调整管的PNP型低压差线性稳压器(LDO,Low Dropout Linear Regulator);由PNP型驱动管和NPN型调整管构成的准低压差稳压器(QLDO,Quasi Low Dropout Linear Regulator);由导通电阻非常低的功率场效应晶体管构成的超低压差线性稳压器(VLDO,Very Low Dropout Linear Regulator)。
低压差线性稳压器特别适合采用电池供电的便携式电子产品,如笔记本电脑、手机、MP3播放器、数码相机、数码摄录像机、数字视频光盘(DVD)、可视电话、全球定位系统(GPS)、机顶盒(STB)、便携式仪表、汽车电子设备等。

图1 线性稳压器的5种拓扑结构
a)传统的NPN型稳压器 b)准低压差线性稳压器(QLDO) c)低压差线性稳压器(LDO) d)PMOS超低压差线性稳压器 e)NMOS超低压差线性稳压器
2 线性稳压器的拓扑结构
线性稳压器的5种拓扑结构如图1所示。a图为传统的NPN型线性稳压器,其输入/输出压差超过2.5~3V,I为驱动电流(下同)。b图为准低压差线性稳压器(QLDO),其压差可减小到0.9~1.5V。c图为PNP型低压差线性稳压器(LDO),其压差仅为0.3~0.6V。d图为由P沟道MOS管构成的PMOS超低压差线性稳压器(VLDO),其压差可降至100mV左右。e图为由N沟道MOS管构成的NMOS VLDO,其压差可低至几十毫伏。
上述5种线性稳压器的压差计算公式见附表1。

3 低压差线性稳压器的主要特点
低压差线性稳压器的主要特点是可最大限度地降低调整管压降,从而大大减小了输入-输出压差,使稳压器能在输入电压略高于额定输出电压的条件下工作。例如,传统的线性稳压器7805或LM317,要求输入电压必须比输出电压高出2.5~3V才能正常工作。为获得+5V输出,就需要+8V的输入电压。与之相比,新型低压差稳压器的输入电压只需高于+5.3V,即可获得+5V输出。从电源效率上看,LM317工作在+3.3V、1A时的效率低于50%,若采用Micrel公司的MIC5156型3.3V大电流低压差线性稳压器,则当输入电压略高于3.3V时其效率高达95%。
低压差线性稳压器与开关稳压器相比,主要有以下6个优点:①稳压性能好;②低噪声(可达几十个微伏,无开关噪声)、低纹波(电源抑制比可达60~70dB),这对于无线电和通信设备至关重要;③低静态电流(超βLDO的静态电流可低至几微安至几十微安),低功耗,当输入电压与输出电压接近时可达到很高的效率;④具有快速响应能力,能对负载及输入电压的变化做出快速反应;⑤外围电路简单(仅用两只电容器),使用方便;⑥成本低廉。
低压差线性稳压器与其他稳压器的性能比较见表2。

低压差线性稳压器的应用
低压差线性稳压器的基本应用有以下5种。
1 交流供电的低压差线性稳压器
采用交流供电的低压差线性稳压器电路如图2所示。交流输入电压首先经过电源变压器降压,再通过整流滤波器送至低压差线性稳压器(LDO),最后获得直流稳压输出。

图2 采用交流供电的低压差线性稳压器电路
2 采用电池供电的低压差线性稳压器
采用电池供电的低压差线性稳压器电路如图3所示。低压差线性稳压器在采用电池供电时更具有明显的优势。

图3 采用电池供电的低压差线性稳压器电路
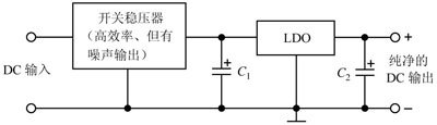
3 开关电源的后置线性稳压器
开关电源的后置线性稳压器电路如图4所示。开关电源以电源效率高而著称,但其输出噪声和纹波较大。将线性稳压器接在开关稳压器后面构成的复合式稳压电源,兼有开关电源和线性稳压电源的优点,不仅电源效率很高,而且稳压性能好,输出噪声极低,可获得纯净的直流输出电压。

图4 开关电源的后置线性稳压器电路
4 多路输出式低压差线性稳压器
多路输出式低压差线性稳压器电路如图5所示,利用4个使能端(Enable 1~Enable 4)可分别控制各路稳压输出的通、断。通信系统中各子系统的模块通常是由各自的稳压器供电的,即使它们采用相同的电源电压。

图5 多路输出式低压差线性稳压器电路
5 低压差线性稳压器在微处理器电源系统中的应用
LP2951是SIipex公司推出的低压差线性稳压器系列产品,其最高输入电压为30V,最大输出电流为100mA。固定输出式的输出电压有 3种规格:+5.0V、+3.0V和+3.3V。它具有静态电流小(仅为75μA)、输出电压精度高(±0.5%)、电压调整率及负载调整率高(可达±0.05%),低压差(满载输出时的压降为380mV)、低温度系数(20×10-6/℃)等优点。利用其故障标志输出端,可对输出电压进行监测,当LDO的输出电压降低或输入电压跌落时,可通过逻辑电路将LDO关断,起到电源复位的作用,特别适合采用电池供电的系统,如手机、便携式仪表、携式消费类电子产品及笔记本电脑。

图6 由两片LP2951CN构成的微处理器电源检测及辅助输出电路
由两片LP2951CN(IC1、IC2)构成的微处理器电源检测及辅助输出电路如图6所示。LP2951CN的输出电压为 +5V。IC1为主电源,UO1为主输出,给μP供电。IC2为辅助电源,UO2为辅助输出,可作为存储器的备用电源并给镍镉蓄电池(NiCad)充电。LP2951CN的SNS(SNSES)为检测端,UOT接内部取样电阻分压器的抽头,FB为反馈端。作固定输出时,应将FB端与UOT端短接。Error为故障标志信号输出端,当输出电压低于4.70V或输入电压低于 4.70V+ΔU(ΔU代表压差)时,该端输出低电平信号。SD(Shutdown)为掉电控制端,接高电平时关断LP2951CN的输出。图中,VD1~VD4均为隔离二极管。该电路的特点是将IC2的SD端悬空,使IC2总处于正常接通状态;IC1则处于受控状态。从IC2的Error端输出的故障信号(低电平)有三种用途,一是作为早期报警信号,二是给微处理器提供复位信号,三是经过VT反相后从集电极输出(高电平),将IC1关断。R1为镍镉蓄电池的限流电阻,R2为Error端的上拉电阻。
低压差线性稳压器使用注意事项
· 使用低压差线性稳压器时不得超过芯片的最高输入电压(UIM)、最大功耗(PDM)、最高结温(TjM)等极限参数值。最大功耗PDM=(UIM-UO)IOM。一般讲,芯片的封装尺寸越小,功耗越低。
· 输入电压必须大于预期的输出电压与输入-输出压差之和,即UI>UO+ΔU,否则低压差线性稳压器无法正常工作。
· 为延长电池使用寿命,应选择相对于负载电流而言,静态电流IQ较小的LDO。例如,为使IQ只增加0.02%的电池消耗,在100mA负载电流的情况下,采用IQ=200μA的VLDO比较合理。需要注意在数据表中是如何对IQ规定的。某些器件是在室温条件下规定的,或只提供IQ与温度关系的典型曲线。必要时可实测IQ值。
· 输出电压的精度亦称允许偏差。线性稳压器的输出电压精度一般不超过额定值的±5%。对大多数应用而言,该精度已经足够了。有的新型稳压器通过对芯片进行激光修正,可使输出电压的精度达到±2%,甚至更高的指标。
· 由于输出电容是用来补偿LDO的,因此在选择输出电容器时应格外仔细。一般情况下,采用等效串联电阻(ESR)较低的大电容器,可提高电源抑制比,降低噪声电压并改善瞬态响应。但ESR过高或过低,也可能造成振荡。例如,1μF以上的大容量陶瓷电容器,ESR通常会很低(<20mΩ),这几乎会使所有的LDO产生振荡。为避免发生振荡,可在陶瓷电容器上串联一只小电阻以增加ESR。若ESR过大,则LDO可能工作不稳定。ESR与温度有关,当温度低于10℃时ESR增加较快。铝电解电容器在低温时的ESR会显著增大,例如当温度从20℃降至-40℃时,铝电解电容器的ESR典型值可增加60~70倍,因此它不适合用作PNP型LDO的输出电容。推荐采用陶瓷电容器或钽电容器。陶瓷电容器的优点是价格低廉,ESR很低(约为10mΩ数量级),基本上不随温度而变化,故障模式一般为断路。钽电容器的漏电流小,高频特性及低温特性好,ESR约为100mΩ数量级,故障模式一般为短路,其价格较高,适用于VLDO。
· 手机、MP3、游戏机及多媒体PDA等便携式设备,适配300~500mA的LDO。为获得良好的音频质量,这种LDO在20Hz~20kHz的音频范围内应具有噪声电压低、电源抑制比(PSRR)很高的特性。
· 为满足精密电子设备的供电要求,应尽量减小LDO的输出噪声。LDO的输出噪声主要来源于基准电压电路,它所产生的噪声经过放大后送至输出端。影响LDO输出噪声的其他因素还有LDO内部放大器的极点、零点和输出极点,外部输出电容的容量、输出电容的等效串联电阻(ESR)及负载值。为降低基准噪声,可在基准电压的输出端增加一级低通滤波器。某些低噪声LDO芯片专门设置一个基准电压引脚BP(Bypass),用于接旁路电容。旁路电容可选470pF~0.01μF的陶瓷电容。容量过大,在上电时对LDO输出电压上升的速率会产生影响。旁路电容量越大,输出电压的上升速率越慢。
· 在查阅LDO的产品资料时,应注意所给出精度指标是在室温下,还是在整个工作温度范围内,是满载条件下还是在中等负载或空载条件下。
· LDO有多种压差数据,应区分轻载、中等负载、满载条件下的压差最小值、典型值和最大值。满载条件下压差的最大值最具有实际意义,设计时应以此为依据,确保低压差线性稳压器在最坏的情况下仍能正常工作。
· 使用LDO时,需要装合适的散热器,以便将芯片内部产生的热量及时散发出去,避免因散热不良二导致管芯温度超过最高结温,使LDO无法正常工作,甚至损坏芯片。采用TO-220等封装的LDO可选择叉指式或筋片式成品散热器;采用表面贴片式封装的小型化LDO,可利用单面印刷电路板上的铜箔制成散热器。
· 由LDO构成PC主板电源时必须具有良好的瞬态响应,以利于推动高速变化的负载,确保输出电压保持稳定。
· 利用低压差线性稳压器专用设计软件(例如美国Micrel半导体公司开发的免费设计软件LDO-It),可实现LDO的优化设计。
作者:河北科技大学 沙占友 安国臣 张良 杨超 来源:今日电子

