- 易迪拓培训,专注于微波、射频、天线设计工程师的培养
MCM功率电源模块EMC技术研究
对MCM功率电源而言,由于其工作在几百kHz的高频开关状态,故易成为干扰源。从国外同类公司的报告及实际措施来看,解决DC/DC变换器电磁干扰主要就是满足10kHz~10MHz电源线传导发射(即国军标GJB151A-97中CE102)的要求。
解决的关键技术
1电路的设计技术
通过EDA仿真,利用可靠性优化和可靠性简化技术设计电路参数,着重解决如下问题。
① 线路的自激振荡:合理地选择消振网络,消除DC/DC变换器的R、L、C参数选取的不合理性引起的振荡,减小EMI的电平。DC/DC电源由于工作在高频开关状态,很容易形成高频自激,有时反应为带满载时正常带轻载时自激,有时反映为常温时正常高温或低温时自激,因此元器件的选取、补偿网络的应用显得尤为重要。
② 纹波与噪声的有效抑制:抑制的方法大致可以归结为二类,即降低本身的纹波与噪声和设计滤波电路。
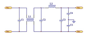
为了抑制外来的高频干扰,也为了抑制DC/DC变换器对外传导干扰,通过在DC/DC变换器的输入端、输出端设计滤波电路,抑制共模、差模干扰,降低EMI电平。其中,C1、C2、C3为差模滤波电容,C4、C5为共模滤波电容,L1为共模扼流圈,L2为差模滤波电感。
为了减少DC/DC变换器通过输入、输出端传导EMI,除了在输入、输出端采取LC滤波外,还在电源的输入地到金属外壳之间、输出地到金属外壳之间增加高频滤波电容,以减少共模干扰的产生。但此处要注意电容耐压要大于500V,以满足产品隔离电压的要求。

图1 滤波器的原理图
图中,L1、C1组成的输入滤波电路和L2、C2组成的输出滤波电路能减少纹波电流的大小,从而减少通过辐射传播的电磁干扰。滤波电容C1、C2采用多个电容并联,以减少等效串联电阻,从而减小纹波电压。C3、C4、C5、C6用于滤除共模干扰,其值不宜取大,以避免有较大的漏电流。
2 抑制干扰源技术
DC/DC变换器的主要干扰源有高频变压器、功率开关管及整流二极管,为此逐一地采取措施。
① 高频变压器
在开关电源中,变压器在电路中起到电压变换、隔离及能量转化作用,其工作在高频状态,初、次级将产生噪声并形成电磁干扰EMI。当开关管关断时,高频变压器漏感会产生反电动势E=-Ldi/dt,其值与集电极的电流变化率(di/dt)成正比,与漏感量成正比,叠加在关断电压上,形成关断电压尖峰,从而形成传导性电磁干扰。变压器在开关电源中是用来隔离和变压的,但在高频的情况下它的隔离是不完全的,变压器层间的分布电容使开关电源中的高频噪声很容易在初次级之间传递。此外,变压器对外壳的分布电容形成另一条高频通道,从而使变压器周围产生的电磁波更容易在其他引线上耦合形成噪声。 因此,在设计中采取了以下措施。
为减小变压器漏感的影响,采用初、次级交叉绕制的方法,并使其紧密耦合。
尽可能采用罐型磁芯。由于罐型磁芯可以把所有的线圈绕组封在磁芯里面,因此具有良好的自我屏蔽作用,可以有效地减少EMI。

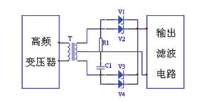
图2 输入输出滤波电路
为吸收上升沿和下降沿产生的过冲,并有可能造成的自激振荡,在初、次级电路中增加R、C吸收网络,以减少尖峰干扰。在调试时须仔细调整R、C的参数,确保电阻R1的值在30~200Ω,电容C1的值在100~1000P之间,以免影响变压器的效率。
② 功率开关管
由于功率管工作于高频通断开关状态,将产生电磁干扰EMI。当开关管流过大的脉冲电流时,大体上形成了矩形波,含有许多高频成分。由于开关电源使用的元件参数(如开关管的存储时间、输出级的大电流、开关整流管的反向恢复时间)均会造成回路瞬间短路,产生很大短路电流。凡有短路电流的导线及这种脉冲电流流经的变压器和电感产生的电磁场都可形成噪声源。开关管的负载是高频变压器,在开关管导通的瞬间,变压器初级出现很大的涌流,造成尖峰噪声。这个尖峰噪声实际上是尖脉冲,轻者造成干扰,重者有可能击穿开关管。因此,须采取以下措施。
优化功率管的驱动电路设计。通过缓冲电路,可以延缓功率开关管的通断过程。
采用R、C吸收电路,从而在维持电路性能不变的同时,降低其电磁干扰的EMI电平。
③ 整流二极管
整流二极管在关断期,由于反向恢复时间会引起尖峰干扰。为减少这种电磁干扰,必须选用具有软恢复特性的、反向恢复电流小的、反向恢复时间短的二极管。肖特基势垒二极管是多数载流子导流,不存在少子的存储与复合效应,因而也就会产生很小的电压尖峰干扰,故采取以下措施。
● 采用R1、C1组成旁路吸收网络。
● 采用多个肖特基并联分担负载电流,有效地抑制整流二极管形成的EMI电平。

图3 初级吸收网络
3 产品平面转化时EMC设计技术
影响产品EMC的方面很多。除了在线路上进行优化设计外,如何在基片有限的空间内合理的安排元器件的位置以及导带的布线,也将直接影响到电路中各元器件自身的抗干扰性和产品的电磁兼容性EMC指标。
① 平面转换设计规范
对于电源内部高频开关器件,如功率VMOS管、高频变压器、整流管等,应尽可能地减少其电路电流的环路面积,且不要与其他导带长距离平行分布。
电源的输入正端和地线应尽可能地靠近,以减小差模辐射的环路面积。
设计布线时走线尽量少拐弯,拐弯处一般取圆弧形,因为直角或夹角会产生电流突变,产生EMI干扰。导带上的线宽不要突变,无尖刺毛边。
导带印制时应尽量采用高目数的印制网,以便使线电流达到均衡。应选用电流噪声系数较小、性能稳定性较好的电阻浆料和导带浆料,保证不会因为工艺参数的因数带来新的干扰。
尽可能地加粗地线,若地线过细,接地电位则随电流的变化而变化,致使电路的信号电平不稳,抗噪声性能变坏。

图4 次级整流电路
② 采用金属全密封结构进行封装
屏蔽有两个目的,一是限制内部辐射的电磁能量泄漏出,二是防止外来辐射干扰进入该内部区域。其原理是利用屏蔽体对电磁能量进行反射、吸收和引导。为了抑制开关电源产生的辐射,电磁骚扰对其他电子设备的影响,可完全按照对磁场屏蔽的方法来加工金属外壳,然后将金属外壳与系统的机壳和地连接为一体,就能对电磁场进行有效的屏蔽。
4 地线设计技术
为降低接地阻抗,消除分布电容的影响而采取平面式或多点接地,利用一个导电平面作为参考地,需要接地的各部分就近接到该参考地上。为进一步减小接地回路的压降,可用旁路电容减少返回电流的幅值。在低频和高频共存的电路系统中,还应分别将低频电路、高频电路、功率电路的地线单独连接后,再连接到公共参考点上,如果有可能最好设计地线层。
作者:於灵 来源:今日电子/21IC
上一篇:柔性电缆的型号
下一篇:T-S-T三级交换网络路径搜索算法的研究


