- 易迪拓培训,专注于微波、射频、天线设计工程师的培养
应用处理器专用电源
在为智能电话开发一款集成电路时,小巧的解决方案尺寸是最重要的设计参数。但是,在导航系统中,由于较大尺寸的显示屏以及外形要求,其对空间的要求就显得不那么重要了。由于手持终端设备、导航系统每次只能运行数个小时,因此将它们与汽车的仪表板相连,并由一个连接至汽车蓄电池的12V适配器来供电是极为常见的。这种适配器通常包括一个为导航系统的输入提供5V直流电压的预调节器。这样就可以使用一个专用电源输入或USB连接器进行供电。有两种不同的电池充电器,即具有电源通道的电池充电器和不具有电源通道的电池充电器。
两者最主要的不同之处在于电池连接至负载的方法不同。对于不具有电源通道的充电器而言,电池直接连接至负载,且充电器所提供的电流在负载和电池之间进行拆分。如果应用被关闭且没有负载电流,那么充电器所提供的所有电流则全部用于为电池充电。如果应用被开启,则充电电流就会减少且部分电流将用于为应用供电。虽然这一概念非常简单,但缺点是无法预测进入电池的充电电流。只有当电池和应用充电器的总输出电流为已知时,才可对进入电池的充电电流进行预测。

图1 不具有电源通道的充电器

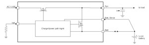
图2 具有电源通道的充电器
第二种充电器拓扑结构包含了一个所谓的电源通道。电池由一个开关与负载隔离开来,如果充电器上没有输入电压,那么开关将关闭且电池与输出连接,从而为应用供电。在与一个外部电源连接以后,电池和功率输出之间的开关将开启,且充电器输入和功率输出之间的第二个开关将被关闭。该输入电压要么被直接连接至输出,要么被预调节至高于电池电压的100mV左右或一个稳定电压。具有电源通道的充电器提供了限制输入电流、汽车适配器电流或USB总线电流的选项,可以对充电电流进行单独设置。这一类型具有诸多优点:
● 电池的充电电流不依赖于负载
● 精确的充电端
● 如果是外部供电,输出电压可以与输入电压相当
对于电源而言,根据所使用的充电器的类型的不同,输入电压范围也不尽相同。最低的工作电压通常由锂离子电池的最低电压定义,其可能会低至3.0V标准锂离子电池的电压。最高电压则取决于充电器,对于那些不具有电源通道的充电器而言,最高的电压与最高的电池电压相等,通常为4.2V。此外,由于电源通道激活,电压可能会上升至5V以上,因此,理想的状况是拥有一个在整个输入电压范围内都具有良好效率的电源。如果在一个电源芯片上集成了低压降线性稳压器(LDO),这就显得至关重要了,因为其效率主要取决于旁路元件两端的电压,该电压由输入和输出电压之间的差来定义的。
对一块集成电路来说,总会存在是否要集成充电器的问题。即使能够将为一种应用供电所需的全部电路都集成到一个小型器件中,也会存在折衷处理和缺乏灵活性的问题。从功耗和布局的角度来看,不在电源管理单元(PMU)中集成电池充电器的解决方案是可行的。充电器能够适应于可用输入源和更具使用灵活性的电池,可靠近电池或者输入连接器放置,同时可以将PMU靠近处理器放置来获得供电。
另外,还有一些解决方案,它们不但集成了如音频放大器和音频CODEC的模块,同时还集成了显示器及显示器背光电源。与充电器一样,这些附加模块也面临同样的问题。一个集成了各种模块的器件从一个用于许多不同应用的灵活解决方案转向一种用户特定器件,使得在没有损害某些参数的情况下适应不同应用变得困难。具有限制功能的器件可在终端上提供较高的灵活性。在以下例子中,给出了一种专门用于某种应用和/或某些处理器的器件。TI的TPS65024x系列电源管理单元就是代表,其专门优化用于处理器的输出电流能力和输出电压。当然,这种器件并不是不能被用于为其他设备供电,而是专门用于处理器只需要少量的外部组件。
TPS65024x系列电源管理单元包括三个专门用于I/O、存储器和手持设备内核电压的降压转换器。另外,还有三个要求具有极低纹波或低电流电压轨的LDO。两个LDO(LDO1和LDO2)可以提供一个200mA的输出电流,同时,第三个LDO(LDO3)专门用于一个电压轨(Vdd_alive),即使在应用处理器处于睡眠模式的情况下也需要开启该电压轨。输出电流能力为30mA,LDO3的电源电流仅为10μA,其将来自于处于睡眠模式下的电池的电流保持尽可能的小。
一般而言,宽范围输出电流的高效率是许多电池供电应用的关键。因此,所有设备要进行优化,以用于低静态电源电流,即未向输出提供任何电流但却仍然维持输出电压的芯片所需要的电流。对于那些长期在待机模式下工作的应用而言,这一参数至关重要。低静态电源电流不仅延长了待机时间(在应用不需要任何电源电流的情况下),而且在提到极低 DC/DC 转换器输出电流条件下的效率时这也是一个重要的参数。
DC/DC转换器(例如,降压转换器)的效率受到三个因素的影响。在高输出电流条件下,效率主要由内部电源开关电阻决定。在降压转换器中,工作在固定频率脉宽调制模式(PWM)下时,占空比取决于输入-输出电压比。对低输出电压而言,同高侧开关(PMOS)相比,内部低侧开关(NMOS)的开启时间更长,而对于高输出电压而言,高侧开关在大多数时间内均被开启。因此,适应这种尺寸以及其面向转换器输出电压开关的电阻是非常具有意义的。当然,假设条件是输入电压对于所有转换器而言(通常为一节锂离子电池或来自墙上电源适配器的一个固定电压)都相同。

对于10~200mA范围的输出电流而言,开关电阻不再是出现损耗的主要原因。取而代之的是电源开关栅极电荷和电感损耗决定了效率的高低。使开关频率适应输出电流是在该工作范围(被称为脉冲频率调制PFM)内保持高效率的关键技术。PFM只向输出提供恒定能量,这就带来高输出电流下的高开关频率,以及低输出电流下的低开关频率和随之而来的低开关损耗等问题。在转换器极低输出电流条件下,由静态电源电流引起的持续损耗决定了上述效率的高低。所有TPS65024x系列产品均是以这种最小化损耗的方法来设计,从而带来宽电压和电流范围的最佳效率。表1是对TPS5024x系列产品的纵览,图3则显示了其结构图。
图3中所显示的这种器件专门优化用于三星公司的应用处理器,这种处理器在低功耗模式下需要一个1.0V的内核电压,在正常工作模式下则需要一个1.3V的内核电压。为了最小化外部组件使用数量,降压转换器1拥有一个3.3V的固定电压,或一个用于I/O电压的 2.8V输出。转换器2提供了2.5V或 1.8V的存储器电压。转换器3的输出电压可以在1.0V和1.3V之间进行切换,其取决于被称为DEFDCDC3的数字输入状态。因此,无须外部组件来为降压转换器1和2设置电压。为了保持灵活性,可以连接一个外部电压分配器来在 0.6V至输入电压(Vbat)范围内设置转换器1和转换器2的输出电压。图4显示了设置转换器1和转换器2输出电压的一些选项。

图3 TPS650240 结构图

图4 设置转换器1和转换器2上的输出电压
三个LDO中的两个均具有一个单独输入电压引脚,从而使它们可以在 1.5~6.5V的范围内由任何输入电压来供电。LDO3由输入电压引脚Vcc内部供电。另外,它还具有一个电压比较器,其可以被用于探测电池电压是否降至某一阈值以下,并向应用处理器发出告警。
作者:德州仪器公司 Thomas Schaeffner 来源:今日电子/21IC
上一篇:选择射频电感
下一篇:BreakingPoint首推P2P加密协议解决方案


