- 易迪拓培训,专注于微波、射频、天线设计工程师的培养
适合于VoIP/PoE应用的简单电源
设计能满足PoE(网络供电)和VoIP(网络电话)应用要求的电源是1 个复杂的任务。本文所示的电路(图1)是一个元件少的电源,不用复杂的电路就能满足PoE和VoIP的技术指标。
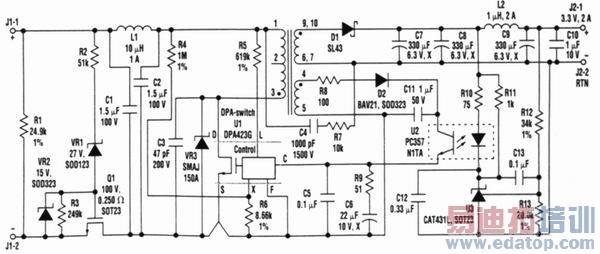
此电路示出一个用于PoE标准定义的用电装置(PD)的典型转换器。电路包括"发现"和"分级"所需的电路以及用DP423G高压功率转换器IC实现DC-DC转换器。
当首次加2.5~10V DC输入电压时,PD必须呈现出正确的"发现"特征阻抗。R1提供此阻抗。随着输入电压达到15~20V DC范围,R1也在0.5和4mA之间编程"分级"电流,辨别它为Class"0"PD。

图1 基于高电压功率转换IC(DP423G)的DC-DC转换器能提供3.3V(2A)
在电压大约高于30V DC(齐纳二极管VR1电压、R2电压和Q1栅—源阈值电压之和)时,MOSFET通路开关(Q1)导通并连接输入电压到电源。在输入电压为高电压(大于43V DC)时,齐纳二极管VR2限制Q1的栅一源电压到安全电平。
电阻器R3防止杂散导通,它与VR1和R2一起应选择其值防止在28V DC以下Q1导通。齐纳二极管VR1和VR2中的功耗越高,电阻上的功耗就越低。
DPA423G(U1)开关频率400KHz。电阻器R5编程欠压和过压阈值。电阻器R6控制U1电流限制,它与R4一起使输出功率限制与输入电压关系曲线相当平滑。器件导通时,能量存储在变压器T1中。
器件关闭时,变压器电压倒相(与电容器C3并联的齐纳二极管提供箝位)并由D1整流。并联输出电容器C7和C8滤波输出并均分输出纹波电流,后置滤波器(L2,C9)衰减开关转换纹波,靠近输出引脚用1个高频去耦电容器(C10)。
整个电源效率为78%,这样1个简单的反激电源能提供3.3V(2A)。对大多数应用来讲,低成本和简单化是最重要的特性。假若采用同步整流正激转换器拓扑和具有较低通导功耗、较高功率的器件DPA424G,则电路效率可增加5%~10%。■
上一篇:通信系统电源设计
下一篇:视频会议系统的分析比较及相关产品介绍


