- 易迪拓培训,专注于微波、射频、天线设计工程师的培养
新型低压差集成稳压器
低压差集成稳压器是近年来问世的高效率线性稳压集成电路,可作为高效dc/dc变换器使用。前面介绍的 串联调整式三端集成稳压器普遍采用电压控制型,为了保证稳压效果,输入/输出电压差一般取4~6v,这 是造成电源效率低的主要原因。低压差稳压器采用电流控制型,并且选用低压降的pnp型晶体管作为内部 调整管,从而把输入/输出电压差降低到0.5~0.6v。现在很多低压差稳压器的输入/输出之间的电压差已 降低为65~150mv,显著地提高了稳压电源的效率。在笔记本电脑、小型数字仪表和测量装置及通信设备 中得到了广泛的应用。
1 新型低压差78系列/mlc5156的应用
1.ka78系列低压差稳压器
ka78l05低压差集成稳压器的基本功能与78l05相同,但性能上有很大提高。它的最大压差为0.6v(典型 值为0.1v);过压保护可达60v;静态电流小,并有过热保护及输出电流限制电路。ka78l05在输人电压6 ~26v,输出电流100ma时,其输出电压为5±0.25v。内部结构框图及引脚配置如图1所示。基本应用与 78l05相同。

图1 ka78l05内部结构框图
ka78r05/12是输出5v/12v(1a)的集成稳压器,是7805/12的替代产品。它增加了一个电源开关控制端矶 ,使功能更加完善。ka78r05/12的特点是:最大压差为0.5v;内部有过流及过热保护电路;输出电压精密 度分别为5±0.12v和12±0.3v。内部结构框图及引脚配置如图2所示,典型应用电路如图3所示,在控制端 叽加2v以上的高电平时,电源导通,加低于0.8v的低电平时,电源关闭。
2.mlc5l56的应用
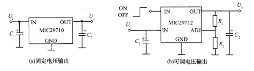
现在个人电脑新增加了3.3v输出电压挡,将5v电压变换到3~4v之间电压的计算机电源电路,有多种方法 。最简单的方法是在母板上使用单片ld0提供vcc,有固定电压输出和可调电压输出两种电路,如图4所示 为mlc29710,mlc29712组成的简单电源电路。
使用低压差线性稳压器mlc5l56,以及n沟道功率mos场效应管vt,,从而形成一个压差非常低的稳压器,提供固定的3.3v,5.0v或可调的电压,如图5所示。mlc5156利用pc的12v电源驱动场效 应管,当输出电压达到3.3v时,flag脚输出高电平。若此脚接入另一场效应管,此时可将5v电源接人第2 负载,该电路可用于某些双电源处理器。rs为限流电阻,其作用是使输出电流不大于12a。

图2 ka78r05/12的内部结构框图与引脚配詈

图3 ka78r05/12典型应用电路

图4 简单电源电路
图6所示为超低压差线性稳压器mlc5158的实用电路,将5v转化为3.3v,用法与mlc5156基本相同。

图5 采用mlc5156构成的电源电路

图6 采用mlc5158构成的电源电路

上一篇:IP城域网——未来城域网的发展方向
下一篇:视频监控系统的无线化趋势


