- 易迪拓培训,专注于微波、射频、天线设计工程师的培养
屏蔽性能指标的含义
1.表面转移阻抗(Surface Transfer Impedance)
按IEC61196-1测试同轴电缆的方法,测试带屏蔽的平衡电缆,短路8根芯线后用50Ω信号源激励。被测试线长1米,测试频率30MHz,频率越高,线长越短导体表面转移阻抗。主要用于评估连接硬件的屏蔽效率,其实测值不超过以下计算值。
ZTcable=37+4f+4f1/2+5f1/3
ZTcable:表面转移阻抗,单位mΩ/m
f:信号频率,单位MHz
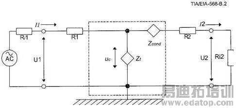
2.转移阻抗(Transfer Impedance)
转移阻抗与屏蔽电缆和连接硬件的屏蔽效率相关,其数值可通过实验室高频密封箱测量屏蔽插入损耗,计算得出。

Ri1=Ri2=50Ω——网络分析仪特性阻抗
R1=50Ω——馈电电阻
R2=50Ω——终端电阻
U1=信号发射电压(V)
U2=信号接收电压(V)
Uc=被测设备两端电压
Zcond=连接器特性阻抗(Ω)
Zt=转移阻抗(Ω)
Zt=1/l电缆长度•Ri1/Ri2•(R2+ Ri2)•U2/ U1=100/l电缆长度•U2/ U1
由于屏蔽插入损耗(αs)为20•lg (U2/ U1)dB,转移阻抗(Zt)也可以表示为:
Zt=100•10α/20(Ω)
3.耦合衰减(Coupling Attenuation)
耦合衰减用于描述电缆系统的电磁兼容性能。耦合衰减Catt=Pr/Pi(Pr:线缆接收功率;Pi:在内导体上产生的噪声功率)
将电缆近似看作电磁场中的全向天线,其接收到的电磁功率Pr=λ2/4π•PD(λ:信号波长,PD:电磁场功率密度)
内部内部导体产生噪声功率Pi=内部导体产生噪声功率Vi2/Z(Vi:内导体上的噪声电压;Z内导体阻抗,50Ω)

4.屏蔽系数(GB54419-1985)
按下图装置,测试电缆金属护套及铠装层的理想屏蔽系数γ0s=VC/VS(线芯上的感应电压mV;电缆式样金属套上的纵向干扰电压mV)。


5.屏蔽耦合损耗(Coupling Loss)(GY/T186-2002)
GTEM小室馈入功率与被测件耦合功率的分贝差。与10.9.3耦合衰减(Coupling Attenuation)意义相同。

6.屏蔽效能(Shielding Effectiveness)(GY/T186-2002)
采用GTEM小室测量无屏蔽电缆与屏蔽电缆的屏蔽耦合损耗的分贝差。



