- 易迪拓培训,专注于微波、射频、天线设计工程师的培养
驱动单线圈保持继电器的电路
单线圈保持继电器是一种带存储器的继电器,通常带一种能提供两个稳定位置的磁性结构,用于保持可动触点的衔铁。一个永磁铁提供将这些衔铁保持在稳定位置上的力。给继电器线圈施加电流,可将衔铁从一个位置移至另一个位置,从而改变触点的位置。
向线圈施加一个方向的电流脉冲,持续时间长于该型号继电器规定的最小值,就将继电器设为了两个稳定位置之一,它会在电流停止循环后仍保持在这个位置。相反方向的电流将继电器重置到另一个位置,没有电流也能稳定在这里。然后继电器会无限期地保持在这个位置,直到有一个新的电流脉冲将其切换到另一个位置。
从逻辑信号驱动这些继电器的电路可以是一个半桥(如果有双电源),或者是全桥(即H型功率驱动器,如果只有单电源可用的话)。产生用于双端线圈可逆电流脉冲的需求是采用这些桥式结构的原因。由于继电器本身在静态条件下并不消耗电能,因此相同情况下的驱动电路也应消耗最低的功率。

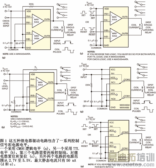
图1表示各种驱动电路,它们有不同的输入信号逻辑电平、编码,以及可用电源的幅度。图1a至图1c中的电路可驱动从4V至15V电压的继电器。图1c中电路需要两个独立的控制线:置位线用于设定继电器,复位线将其重置。可以将置位信号和复位信号编码为正(高有效)或负(低有效)。电路中的两个输入必须采用相同的逻辑约定。
置位信号与复位信号的宽度必须大于继电器的最小工作时间,这个时间一般为3 ms至5ms。为了可靠地工作,一次应只加一个信号,另一个应保持为非活动逻辑值。例如,使用正逻辑时,信号必须升高3 ms至5 ms,而另一个输入必须保持为低,直到第一个信号脉冲结束。IC的选择决定了逻辑电平:TTL(晶体管-晶体管逻辑)或电源电平CMOS(图1c)。
图1a和图1b中的电路采用单一on/off信号线,每次输入信号的变换生成一个线圈电流脉冲。线圈电流脉冲的极性依赖于生成时的输入信号转换极性(图1a、图1b和图1d)。图1a中的电路工作在CMOS逻辑电平,图1b中的电路工作在TTL电平。每次转换后,信号保持稳定的时间都必须大于继电器的最小工作时间。图1a和图1c中电路的典型静态电流为40μA,而图1b中电路的典型耗电约为50μA。图1d和图1e中电路与图1a、图1b和图1c中电路类似,但它们的电源范围为2.7V至5.5V,并且它们的最大静态电流只有50 nA。
由于单线圈保持继电器有自己的存储器,因此必须在上电后将其位置初始化到一个确定状态,这可以通过输入逻辑,也可以通过分析并响应来自触点电路的信号。所有这些电路都可以在用脉冲驱动继电器线圈时,在两个方向上提供高达数百毫安电流。
上一篇:赛门铁克发布云计算战略
下一篇:基于CPLD的模数转换
合研究


