- 易迪拓培训,专注于微波、射频、天线设计工程师的培养
密铅酸蓄电池池壳的检测
1﹑引言
随着铅酸蓄电池质量的不断提高,其应用范围越来越广泛。要生产一只合格的铅酸蓄电池,必须经过多道生产工艺,而且每道生产工艺都有严格的工艺要求。目前大部分蓄电池壳生产厂家在蓄电池池壳注塑后仅凭人工检测注塑效果,以剔除不合格品。而在池壳注塑过程中受温度及材质等因素的影响,池壳可能出现气孔、毛毗等缺陷,由于小密铅酸蓄电池的池壳各单格相互连结的隔板比中、大密电池薄,小密蓄电池各单格之间的间距也较小,所以仅凭人工检测很难发现池壳的某些缺陷,等到半成品电池时再通过检测仪器剔除因此造成的不合格品就为时过晚,已经浪费了大量的人力、物力。
针对这种情况,我们参考国外相关成品电池密合度检测设备中的高压检测原理,成功开发出了物美价廉的池壳检测机。它适用于各类大、中、小密铅酸蓄电池池壳的检测,对小密铅酸蓄电池尤其有推广价值。
2、检测原理
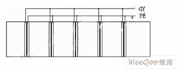
在注塑后的蓄电池池壳的隔板两边紧贴隔板分别放置两块厚铜板,其中一块铜板接直流高压,另一块铜板接地线,在两块铜板之间加1.5万伏~3万伏直流高压,通过检测泄漏电流的大小来判断池壳好坏,当池壳隔板有气孔或有毛毗等缺陷时此处隔板变薄,承受高压的能力差,空气电离严重,泄漏电流比正常池壳明显增大,当检测到的泄漏电流大于设定泄漏电流时我们用声光报警来表明此电池不合格。 (设定的泄漏电流值根据实际情况定)。以一只12V 6单格的小密铅酸蓄电池为例,其池壳的高压接线如图1。

图112V电池(6单格)的高压接线图
3、主电路的构成
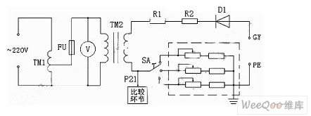
池壳检测机对电池壳检测的关键在于直流高压的产生,其主电路如图2。

图2 池壳检测机主电路的构成
图中TM1为调压器,TM2为高压变压器,TM2产生的高压经高压二极管D1整流得到0~3万伏(峰值电压)的直流高压。高压电阻R1、R2为限流电阻,我们以电压表V来间接指示实际的高压值,也就是以高压变压器TM1初级的低压送入电压表,其表头上指示的电压数值是根据高压变压器初、次关系换算后的高压值。这样处理既可节约成本又可保证安全。本设备将P21点电压送至另一比较环节,此电压与设定的泄漏电流比较来控制是否声光报警,以此剔除不合格品。由于电池壳的材质略有不同,空气湿度也有变化,各种因素都可能引起合格电池壳情况下P21点的电压发生微小变化,这种变化已足以导致设备误判断。为了解决这种问题,我们在主回路中串入了不同的电阻(虚线框中),以调节旋钮SA来作出选择,用以抵消各种影响,可避免设备的误判断。
4、直流高压的绝缘、元器件的耐高压及高压安全等问题
直流高压产生的原理并不复杂,本设备的关键还在于另外几个方面
首先是高压的绝缘问题。高压的绝缘如果处理不好,不但影响设备的正常工作,对人身的安全也有很大的隐患。其次是元器件的耐高压问题,如果元器件的选用达不到要求,设备将不能达到长时间工作的用户要求。另外因为高压对人的危险性,我们应特别注意高压的安全处理。围绕以上问题我们做了大量细致的工作。我们将高压变压器用真空环氧树脂全封闭浇铸,对高压变压器进行了严格的高压绝缘测试。主回路额定电流虽然较小,但额定耐压是实际高压的1.5~2倍,所以通过高压的导线全部采用额定耐压为实际电压的1.5~2倍的高压导线。在导线的连线上,我们将低压回路与高压回路分开,并充分考虑了导线走线的方向。高压元器件的安装与低压控制器件的安装也完全分开,可防止高压磁场对低压控制系统的干扰,同时也增加了设备的安全性。对高压元器件的安装载体我们做了大量的技术咨询工作,我们选用耐高压且价廉的PP板做成箱子,高压元器件安装在PP板箱内,为防止高压空气电离、尖角放电等情况的发生,我们将高压元器件之间进行了相互隔离。为了保证设备的安全,本设备充分考虑了高压的无裸露及接地的安全处理,达到了设备使用的较高要求。
5、结 语
本设备在用户处使用了半年多,整机运行稳定可靠,检测速度快,判断准确,用户反馈意见良好。该产品能减轻工人的劳动强度,提高产品的质量和生产效率,在小密铅酸蓄电池生产中有较高的推广价值。
来源:维库开发网

