- 易迪拓培训,专注于微波、射频、天线设计工程师的培养
双正激DC/DC变换器的一种新型拓扑研究
正是针对这一问题,本方案专门设计提出了一种励磁续流回路如图1 中右侧L3 所在的回路所示。回路中MOS 管M7 、M8 均带有反并联二极管。在主电路半桥的上下两管都不导通的时候,通过同时开通这两只开关管,来维持主磁通的励磁磁势及励磁电流的连续性,由于该回路电阻很小,励磁电流近似维持不变。
PWM控制信号产生电路
主电路的PWM 控制信号是由SG3525 产生出来的。由于3525 的控制简单且相关资料很多,在此我们就不详细给出其周边电路了。SG3525 根据变压器副边反馈的电压信号Vfd 调整输出PWM 控制信号的占空比,如图2 所示。由于主电路采用双端正激式结构,门极驱动信号也需要隔离,因此SG3525 输出端接于变压器T2 原边两端,两个副边分别以相反的极性来驱动开关管门极。至于励磁续流回路中的两个开关管的门极控制信号的控制逻辑,可以采用SG3525的两个输出信号的"或非"得到,从而保证在OUTA 、OUTB 有一个为高电平时,G3、G4 就都输出低电平。只有当两个输出均为低电平时,G3、G4 才为高电平,进而驱动励磁续流回路开通。

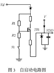
自举电路分析
作为实际能够应用的产品,必须要做到能够自启动,即自举。要利用上电时的输入直流高压,来得到能够提供给控制芯片的初始电源,在主电路变压器真正开始工作后,在某个副边会产生一定的电压,再利用此电压经过一定的处理作为工作电压提供给控制芯片,这样整个电路就可以正常工作了。
在许多开关电源的方案中,或者根本没有提出自启动的解决方案,或者采用的是直接利用大电阻将主电路直流侧高电压分压得到,在整个电源工作时期内,它都要提供电压,消耗许多能量,从而使得系统的效率大大降低。本方案提出一种有效的解决办法,如图3 所示,在上电初期,初始回路等效电阻较小,一旦工作电压建立起来,初始回路等效电阻变为很大,而且也不必为控制电路提供电源,因而提高了系统的效率。图3 中Vd 为主电路输入侧直流电压,V 为由某次级线圈提供的输出直流电压,R1 阻值很大,R2 相对R1 要小得多。刚上电时,V 为零,开关S1 断开。因此MOS 管TR1 导通。经过稳压管稳压后给作控制芯片的初始电源。一旦副边电压建立起来后,S1 闭合,进而拉低TR1 的栅极电压,使其关断。需要注意的是,R2 可以取得很小;同时,支路的电阻R1 由于场效应管栅极电流极小的缘故,阻值可以取得很大。这一点避免了传统的方案中电阻必须较小以提供足够大的电流的缺点,从而提高了工作效率。

仿真及实验波形分析
仿真波形
基于上面的电路原理分析,有助于理解以下给出的计算机仿真结果。
本方案的可行性研究是通过Pspice810 软件仿真来完成的。它的强大功能很适用于电力电子电路的原理及性能分析。仿真采用Pspice 内置的元器件: 主电路的MOS 管采用IRFD150 ,高频变压器的模型由电感元件L 和耦合系数元件K构造而成。MOS 管的开关频率为40kHz ,仿真时间为10ms。选取暂态仿真即得到如图4 所示几组波形,它可更充分完整地说明前面分析的原理。

作者:张加胜 张磊 来源:电工电能新技术


