- 易迪拓培训,专注于微波、射频、天线设计工程师的培养
高压变频器的谐波分析研究
结合IEEE-519中的标准,对各脉动数整流进行比较如表5所示,可见,在不增加其他滤波装置的情况下,12脉动整流很能满足IEEE-519中的要求,在各个范围内谐波含量均超出标准。36脉动情况要好的多,35次以下谐波及THD都能满足IEEE-519的要求,但仍然含有较大的35、37等次的谐波。

由分析可以看出,多脉动整流很好的解决了变频器输入端的谐波抑制问题,尤其对低次谐波的抑制效果明显,且输入波形近似为正弦,很好地满足了要求。但是,同IEEE-519中的标准相比较,在不增加其他滤波装置的情况下,多脉动整流不能在各次谐波上都满足IEEE-519中的要求,高次谐波的影响仍然很明显,需要与其它滤波器配合使用。
4 高压变频器输出谐波分析
作为高压大功率变频器的输出环节,高性能的逆变器是其性能的保证。但高压大功率变频器并不像低压变频器一样有着成熟、统一的技术,各种拓扑结构、控制方案都有其各自的优缺点。
4.1 变压器耦合输出型逆变器输出谐波分析
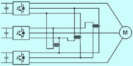
1999年,由Cengelci E等人提出该拓扑,其主要思想是通过变压器将3个由高压IGBT或IGCT构成的常规二电平三相逆变器的输出叠加起来,实现高质量的三相高电压输出、低dv/dt的PWM波,而且很好地保证了平衡运行,对每个三相逆变器的利用率都接近100%,这些特点使它特别适合于对恒转矩和变转矩负载的驱动场合。并且这3个常规逆变器可采用普通低压变频器的控制方法,使得变频器的电路结构及控制方法都大大简化。此结构如图3所示。

图3 变压器耦合输出型逆变器拓扑
变压器耦合输出型逆变器只需3个独立的三相逆变器就可以产生中高压输出,在运行时每个逆变器都是平行的,各提供1/3的输出功率,因此为高压系统使用低压IGBT器件提供了方便,这种平衡运行状态也使得直流侧电容不需要储存太多的能量。输出变压器的存在,有利于产生更高的输出电压,且能消除逆变器间的环流。
该结构在Matlab中的仿真波形及其频谱如图4、5所示。

图4 变压器耦合输出型变频器输出电压及频谱

图5 变压器耦合输出型变频器输出电流及频谱
变压器耦合输出型逆变器的输出波形可等效为7电平线电压PWM波,优于普通二电平变频器,dv/dt也较低,只含有非常小的低次谐波,THD值也很低,但高次谐波仍然存在,如23、25次谐波等,这主要是由于每个独立的逆变器采用PWM调制而造成的,采用更好的调制策略或增加一个小容量的低通滤波器可以解决这一问题。
4.2 多电平逆变器
日本长冈科技大学的A.Nabae等人于1980提出三电平逆变器,也称中点箝位式(Neutral point clamped:NPC)逆变器。经过多年的研究,出现了两种主要的拓扑结构:二极管箝位式;飞跨电容式。二极管箝位式拓扑如图6。

图6 三电平逆变器拓扑
与传统的二电平拓扑结构相比较,中点箝位式三电平逆变器更适合于中高压变频装置高电压、大容量的特点,特殊的拓扑使得器件具有2倍的正向阻断电压能力,其多层阶梯形输出电压,理论上可通过增加级数而使输出电压波形接近正弦,减少谐波,在同样输出性能指标下,三电平的开关频率将是二电平的1/5,从而使系统损耗小。随着电平数增加,每个电平幅值相对降低,dv/dt变小,主电路电流含有的脉动成分减小,转矩脉动和电磁噪声都得到有效的抑制。
虽然三电平变频器结构简单,能够实现四象限运行,但是因目前器件耐压水平的限制,只能达到4.16kV等中高压情况,若要输出更高的电压须采用器件串联方法,但会带来均压等问题。
图7、8为三电平逆变器输出电压、电流波形及其频谱。

图7 线电压波形及其频谱

图8 交流侧电流波形及其频谱
来源:电子发烧友
上一篇:常用交流稳压器的基本特性
下一篇:基于现场总线的万能式断路器通信从站设计


