- 易迪拓培训,专注于微波、射频、天线设计工程师的培养
基于MSP430F169的环境光自适应LED显示屏设计
摘要:本设计主要实现LED显示屏随着环境光改变其亮度,以避免白天显示不清或黑夜因太亮而炫目;并与上位机进行通信。本系统由MSP430F169单片机、16*32共阳极LED点阵显示屏、行驱动电路、列驱动电路、环境光自适应电路、数字开关调压电路、直流稳压源电路等组成。采用按列并行发送数据,按行扫描的方式实现LED点阵屏内容的显示;单片机通过数字开关调压电路实现对LED点阵屏电源电压的自动调节,使屏幕亮度随环境光自动变化。
LED点阵显示屏在生活中是很常见的,给我们的生活带来了很多的便利。由于LED显示亮度不能随外界环境光而改变,存在白天显示不清或黑夜因太亮而炫目的问题。如果能实现控制其亮度,不仅可以节省能源,还可以使显示屏的显示效果更加清晰。本设计介绍的是利用MSP430F169单片机系统控制的环境光自适应LED显示屏,该屏能够根据环境光的强弱自动调整亮度,以避免白天显示不清或黑夜因太亮而炫目,并与上位机进行通信。LED显示屏应用领域广泛,如商场、娱乐场所、工厂、学校等大型场所,对其研究有着实用的价值及良好的发展前景。
1 系统结构框图
本系统主要由MSP430F169单片机系统、降压整流滤波电路、稳压电路、开关调压电路、RS485通信接口电路、LED行列驱动电路、环境光检测电路、LED显示屏、上位PC计算机等构成。
本系统的结构框图,如图1所示。

图1 系统结构框
2 基本原理
本设计采用列发送数据,行扫描的方式实现LED显示文字或图像。本方法与硬件电路相结合,达到显示屏整体亮度相对均匀的目的。
利用光敏电阻对环境光的敏感特性,采集环境光的变化状况,将其转换成电信号并送入到单片机中,由单片机进行信号处理,并按照一定的规律控制输出PWM波的占空比。
在单片机与LED显示屏之间加一个开关调压电路,实现单片机对显示屏的亮度调整。将调整后的PWM波对开关调压电路进行控制,从而调节显示屏的输入电压的大小,最终实现显示屏的亮度控制。
3 电路设计
3.1 MSP430F169单片机系统电路
MSP430F169单片机系统电路为主控制电路。MSP430系列单片机是美国德州仪器公司1996年开始推向市场的一种16位超低功耗的混合信号处理器(Mixed Signal Processor),该单片机具有以下几个特点:超低功耗、强大的处理能力、丰富的片内外围模块、方便高效的开发环境、系统工作稳定。由于MSP430F169单片机内部集成了12位的A/D和D/A并且产生PWM波程序简单,不再需要外加A/D电路、D/A电路和PWM波产生电路,由此简化了外围电路的设计,所以本设计选用MSP430F169单片机,如图2所示。

图2 单片机系统电路
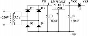
3.2 降压整流滤波电路
220V交流电经过变压器降压后,由整流桥整流成单向脉动电压,经电容滤波成脉动很小的直流电压。由于该直流电压随电网电压波动,如果直接作为显示屏电源,会造成显示屏的闪烁,因此采用稳压电路对其进行稳压。7805是专用的三端稳压器件,输入滤波后的电压(U≈9V),稳压输出的5V电压(VCC)供IPIC68273使用。MSP430系列单片机电源电压范围是1.8~3.6V,因此将5V电压经二极管降压0.7V(VSS)后,供单片机系统使用。经长期实验证明,单片机系统可长期安全可靠运行,其优点是与5V供电的TTL或CMOS电路接口,不必再加电平转换电路,如图3所示。

图3 降压整流滤波电路
3.3 开关调压电路
利用两个NPN型晶体管组成反相放大电路以实现PMOS开关管斩波放大,用PWM波调整PMOS开关管的导通时间来控制VDD作用于显示屏的平均电压的大小,进而控制LED的亮度。
为防止网络电压的波动对显示屏造成影响,故用定值电阻R4与R5组成分压测量电路,对电压进行精确测量控制,用于实现显示屏电压的稳定可靠,如图4所示。

图4 开关调压电路
3.4 行列驱动电路
LED显示驱动采用动态扫描驱动方式,每次只能点亮一行LED(共阳形式LED显示点阵模块),由于TPIC6B273是以OC门方式输出的,所以特别适宜选择共阳形式LED显示点阵模块做基础显示单元。行扫描电路采用4/16译码器CD4515译码形成行扫描脉冲,放大后直接形成行扫描信号,如图5所示。

图5 单色共阳极LED驱动电路
3.5 环境光检测电路
光敏电阻是用半导体材料制成的光电器件,它没有极性。利用光敏电阻RG与定值电阻R1组成环境光检测电路,通过测量R1两端电压的变化来检测环境光强弱的变化,如图6所示。

图6 环境光检测电路
3.6 RS485通信接口电路
MAX485是用于RS485通信的差分平衡收发器,由MAXIM公司生产。芯片内部包含一个驱动器和一个接收器,适用于半双工通信。上位PC机通过通信接口电路与单片机系统进行通信,如图7所示。

图7 RS485通信接口电路
4 程序设计
环境光自适应LED显示屏控制程序使用IAR软件,利用C语言进行编写,如图8所示。

图8 环境自适应LED 显示屏程序框
5 结论
本文所论述的环境光自适应LED显示屏,可随环境光的变化而改变亮度,使显示屏不至于太过刺眼或者太暗,同时有效地控制了能耗,使电源效率达到75%以上,本系统达到了预期的实验目的。通过改进,可应用于学校、商场、工厂、证券交易等场所的显示,本系统的研究有着极其实用的价值和良好的发展前景。
作者:吴兴波 李琦 付超 徐守平 来源:《吉林化工学院学报》2011年第28卷第7期

