- 易迪拓培训,专注于微波、射频、天线设计工程师的培养
嵌入式系统中小功率开关电源的设计与实现
摘要:根据嵌入式系统电源的实际需求,以FSD200小功率单片开关电源集成电路为核心,结合可调式精密稳压器TL431和线性光耦PC817等外围器件,设计并实现了适合嵌入式系统使用的多路小功率开关电源。
0 引言
随着计算机技术、半导体技术以及电子应用技术的发展,嵌入式系统以其体积小、可靠性高、功耗低、软硬件集成度高等特点广泛应用于工业控制、过程控制、仪器仪表、航天航空、汽车船舶、网络通信、军事装备、消费产品等众多领域。在这些系统中电源的结构和性能起着关键性的作用,特别是需要使用220V交流电供电的多路电源的系统,其电源设计的合理性和可靠性尤为重要。过去常用的变压器降压、整流滤波后稳压的线性电源,在嵌入式系统要求体积小,利用率高的情况下,显得不足。寻求体积小、效率高、成本低、可靠性好的开关电源成为一种迫切的需要。本文根据实际应用中的体会,以小功率单片开关电源集成电路FSD200为核心,设计并实现了一款适合嵌入式系统需求的小功率开关电源。
1 系统原理
在很多工业控制领域的嵌入式系统中,输入通常为220V的交流市电,而系统中需要多路直流电源驱动功率器件和微处理器系统。一个典型的开关电源的原理结构框图如图1所示,电网的中220V交流电首先经过整流电路,馈送到FSD200。

图1 嵌入式中小功率多路开关电源的原理框图
该器件的输出通过变压器隔离耦合后,稳压输出12V直流,其大小可以通过改变稳压电路部分来实现。电压输出端由TL431精密稳压器和线性光耦组成一个反馈回路,控制FSD200中的脉宽调制比例,实现开关电源的稳定输出。得到12V的直流电压后,可以通过DC/DC变换器,得到系统需要的5V、3.3V和2.7V等所需电源。
2 FSD200结构原理
FSD200是Fairchild公司近年推出的小功率单片开关电源集成电路,输出功率7W,内部集成了PWM控制及功率MOS管,并有过热保护、过负荷保护、欠压锁存、软起动、电流限制等功能,其独特的频率抖动电路能较好地减弱电磁干扰。FSD200单片开关电源的内部框图如图2所示。

图2 FSD200内部功能原理框图
FSD200单片开关电源启动时,直流高压电源通第8引脚Vstr进入芯片内部的高压调节器,再稳压到7V作为芯片的工作电压Ucc,同时以约100μA的电流源向参考电压及欠压锁存模块充电。第5引脚Vcc的外接电容一般选在10~47μF,这种方式省去了通常开关电源须采用反馈线圈提供工作电压的需要。
FSD200是电压控制模式器件,与典型的开关电源电路一样,采用线性光耦PC817与可调式精密稳压器TL431组成高频变压器二次侧的电压反馈网络。当负载变化引起输出电压变化时,反馈网络将信号回馈至第4引脚Vfb,与振荡器送出的锯齿波比较,产生相应的PWM波脉宽的变化,最后使高频变压器二次侧的输出电压稳定,完成反馈控制。
3 TL431结构原理
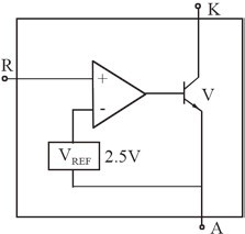
TL431是美国德州公司开发的一个有良好热稳定性能的三端可调精密电压基准集成电路。它有三个引出脚,其中,K为控制端,A为接地端,R为取样端。它由多级放大电路、偏置电路、补偿和保护电路组成,在原理上它是一个单端输入、单端输出的多级直流放大器。其等效功能框图如图3,由一个2.5V的精密基准电压源、一个电压比较器和一个输出开关管等组成。

图3 TL431等效功能框图
参考端R的输出电压与2。5V的精密基准电压源相比较,当R端电压超过2.5V时,TL431立即导通,反之截止。单片TL431的电压基准如同低温系数齐纳管一样运行,通过2个外部的电阻可以实现从2.5V到36V的稳定输出。典型的应用电路如图4所示。

图4 TL431的典型应用电路
当R1和R2的阻值确定时,两者对Uo的分压引入反馈。若Uo增大,反馈量增大,TL431的分流也就增大,从而又使Uo下降。显然,这个深度的负反馈必然在参考点的电压等于基准电压处稳定。稳压值可以通过下面的简化公式进行计算:

4 应用电路
图5是采用FSD200设计的一种微型小功率单片开关电源的典型电路。

图5 基于FSD200的小功率开关电源应用电路
图中采用的是典型的反激式功率变换电路。这种电路不需要额外的电感存储能量,图中的变压器可以同时实现直流隔离、能量存储和电压变化的功能。电路中采用了可调式精密稳压器TL431作为12V输出的误差放大器,再与线性光耦PC817组成隔离式反馈电路。当12V输出电压发生波动时,经R41和R42分压后得到的采样电压与TL431中的2.5V基准电压比较,并在阴极上形成误差电压,使光耦中的发光二极管电流I F产生相应的变化,光耦副边的光敏三极管的IC也相应变化,由此调节FSD200输出的占空比,最后使输出的12V直流电压不变,达到稳压的目的。
5 结束语
长期以来,10W以下的小功率稳压电源方案,成本较高、线路复杂。采用FSD200单片开关电源集成电路设计的开关电源线路简单,工作可靠,体积小、效率高、成本低。在实际中可以广泛使用在需要220V交流输入,要求体积小、成本低的微型小功率的嵌入式系统中。
作者:欧浩源 张剑 来源:电源技术应用

