- 易迪拓培训,专注于微波、射频、天线设计工程师的培养
基于DC/DC稳压器的大功率LED恒流驱动设计
摘要:针对当前市面上DC/DC LED(发光二极管)专用恒流控制芯片价格高、不易购买的情况,阐述了基于市面常用DC/DC 稳压器的高效率恒流稳压电源的通用设计方法,并给出了基于LM2596-ADJ 开关稳压器的设计实例。与传统的恒压电源相比,电路增加了阻值很小的采样电阻以及由通用运算放大器组成的电压反馈回路和电流采样、放大反馈回路,同时增加了电压、电流反馈回路自动切换电路,使电路能根据负载大小在恒压和恒流模式之间自动切换。实验数据表明,基于该方法设计的LED 恒流稳压电源恒流精度高,误差小于1%,效率超过87%,且电路工作稳定,元件取材广泛,价格低廉。
当前全球能源紧缺日益加剧,制约着经济的发展,节能成为人类面临的重要课题。在照明领域,被称为第4 代照明光源或绿色光源的LED 照明产品以节能、环保、寿命长、体积小、坚固耐用等特点吸引着世人的目光。
由于LED 的伏安特性呈现非线性且伏安特性具有负温度系数的特点,以及生产工艺和生产水平的差异,不同生产厂家生产的同样功率等级的大功率LED 伏安特性存在差异,即使是同一厂家生产的同一批次的LED,个体间的正向压降也存在一定差异等原因,为了减少LED 的光衰,延长LED 的使用寿命,LED 的驱动电源采用低压直流恒流电源。目前,安森美、TI 等世界知名半导体器件公司均推出了适合LED 驱动的DC/DC 专用恒流控制集成电路, 如NCP3066、TPS40211DG 等,该类集成电路具有较高的转换效率,但该类集成电路价格相对较高,市面上不易购买。针对该问题,本文阐述了基于市面常用的DC/DC 开关稳压器的恒流稳压电源的通用设计方法,并给出相关设计实例以及相关测试数据。
1 基于DC/DC 稳压器的恒流稳压电源设计DC/DC 开关稳压器自问世以来,广泛应用于各种电子设备中,用作恒压源,当负载电流在额定范围内变化时,其输出电压保持不变。DC/DC 开关稳压器的原理框图如图1 所示。

图1 DC/DC 开关稳压器原理框图
DC/DC 开关稳压器输出电压
其中Vref为DC/DC 开关稳压器内部自带的基准电压或者用户外接的基准电压,R1、R2构成输出电压采样电路,用于设置输出电压的大小。当输出电压Vout因负载变化而变化时, 反馈电压Vf也随着变化,DC/DC 稳压器内部的控制电路根据反馈电压Vf(采样电压)与Vref差值的大小来适当调整功率变换电路的控制参数(如PWM 的占空比等),使输出电压稳定在一个固定的值,达到稳压的目的。
恒流源和恒压源在电路上的差别反应在两者的采样电路采集的对象不一样。恒压源为了保持输出电压的恒定,需要实时对输出电压跟踪、控制,在负载变化的情况下使输出电压不随负载的变化而变化,而恒流源是指在负载变化的情况下,稳压器能根据负载的变化相应调整输出电压,保持输出电流不变, 恒流源采样电路采集的是输出的电流信号,但实际上采集的是经过I/V 转换后反应电流大小的电压信号,因此,把输出的电流信号转换成电压信号,输入到DC/DC 开关稳压器的反馈引脚, 就能实现恒压源到恒流源的转变,如图2 所示。

图2 DC/DC 开关恒流源原理框图
DC/DC 开关恒流驱动基于可调输出的DC/DC 开关稳压器设计,即输出电压采样电路外置的DC/DC 开关稳压器设计的,而固定输出的开关稳压器是不能设计成恒流源的。无论是功率管集成的还是外置的可调输出的DC/DC 开关稳压器,均可设计成恒流源。实质上,固定电压输出的DC/DC 开关稳压器是其内部集成了电压采样电路, 对外没有设置反馈引脚,电流反馈信号无法引入误差放大电路,从而不能设计成恒流源。
在图2 中,恒流源输出电流值
由于Vref为定值,改变Rs即可改变输出电流值。恒流原理用式(1)、(2)来说明。

从式(1)、(2)看出,采样电阻RS 将电流的变化转化为电压的变化,DC/DC 开关稳压器根据变化的量, 通过调整相关控制参数,调节其输出电压,从而达到恒流的目的。
2 改进方案
DC/DC 开关稳压器内部集成的常见的基准电压有1.23 V、1.25 V、2.5 V 和5 V 等,若按图2 所示,设计成恒流源给工作电流为350 mA 的单颗1 W 的白光LED 供电时,以准电压为Vref=1.23 V 为例,采样电阻上的损耗为1.23×0.35=0.430 5 W,忽略DC/DC 变换器及其他损耗, 电源的最高效率为:

若为工作电流为700 mA 的单颗3 W 的白光LED 供电时,采样电阻上的损耗则更大。为了降低功耗,提高效率,应该尽量选用小阻值采样电阻,但采用小阻值的采样电阻后,图2 中的反馈电压Vref变小,输出电流不能达到理想值,为了满足需求,提高电路对输出电流变化进行控制的灵敏度,提高恒流精度,需要增加放大电路对采样信号放大,如图3 所示。

图3 改进的DC/DC 开关恒流源原理框图
当电路进入恒流工作状态时,输出电流Iout满足式(3):
一般来说,运算放大器的增益都能做到很大,这样电路中就可以采用很小的采样电阻,从而达到降低损耗、提高效率的目的。假设采样电阻采用0.1 Ω, 同样为工作电流为350 mA 的单颗1 W 的白光LED 供电时,在采样电阻上的损耗为0.012 25 W.一般来说,通用的运算放大器的工作电流和最大工作电压分别在1 mA 和30 V 左右,加上运算放大器及其附属电路的损耗,增加的电路的总损耗大约0.05 W 左右,忽略DC/DC 变换器及其他损耗,效率最高可达
效率明显提高。
将式(3)变换得出:
由式(4)可以看出,合理设置电阻Rf、R1和Rs的值,即可获得所需的输出电流值,并能获得理想的效率。
3 设计实例
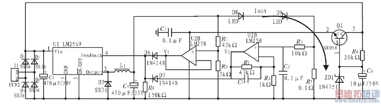
目前,在市面上可以找到很多价格低廉、性能优良的可调输出的DC/DC 单片集成开关稳压器或者控制器, 如LM2577 -ADJ、LM2596 -ADJ、LT1086 -ADJ、TL494、MC34063等,LM2596-ADJ 是LM2596 中可调输出电压的电源管理单片集成电路, 内部集成固定频率发生电路以及频率补偿电路,最大输出电流可达3 A,具有功耗小(待机电流仅80 μA)、效率高、过热保护和限流保护功能、很好的线性和负载调节、外围电路简单等特性。图4 所示是基于LM2596-ADJ 的LED开关恒流稳压电源。

图4 基于LM2596-ADJ 的LED 开关恒流稳压电源
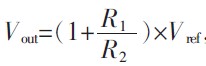
该电路中, 含有电压控制环路和电流控制环路两个环路。电压控制环路由运算放大器U2A、R1、R5组成,用于控制电源的最大输出电压,其输出电压Vout由式(5)表示。

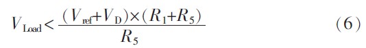
式(5)中, Vref=1.23 V,VD=0.4 V.由式(5)可以看出,改变R1和R5的参数就能改变最大输出电压的值。在LED 驱动电路的实际应用中,Vout应高于实际的负载电压,并且负载电压VLoad应满足式(6) ,电源才能自动工作于恒流模式。

电流控制环由运算放大器U2B、R7、R3、C2、R6、R2、C5组成。电源的输出电流Iout由式(7)表示。

由式(7)看出,改变R2、R6或者R7的值,即可改变输出电流的值。当输出电流较大时,R7可以采用阻值更小的电阻,以降低功耗。
Q1、R4、C6、ZD1 构成运算放大器的供电稳压电路,保证给运算放大器的供电电压不超过其最大允许工作电压。
D6、D7 组成电压反馈环路和电流反馈回路自动切换控制电路。当电源工作在恒压模式时,由于负载电流小,U2B 的输出电压V2小于U2A 的输出电压V1, 此时D6 导通,D7 截止, U2B 的输出不影响U2A 的输出;当负载电流增大到设定值时,U2B 的输出电压V2大于U2A 的输出电压V1, 此时电源自动切换到恒流模式,D7 导通,D6 截止, U2A 的输出不影响U2B 的输出。2 个控制环路中,同时只有一个控制环路起主导控制作用。当电压控制环路起主导作用时,输出电压不随负载电流的变化而变换,保持恒定值,相当于恒压源;当电源输出电流增大,达到设定值时,电源自动转入恒流模式,电流控制环路起主导作用, 输出电压随负载的变化而变换,输出电流值保持恒定,相当于恒流源。
表1 和表2 是基于LM2596-ADJ 的LED 开关恒流稳压电源的相关实测数据,表1 中的理想效率是按照式(8),且在开关频率为150 kHz、开关时间Ts为0.3 μs 的条件下计算而得:

表1 效率测试数据

表2 恒流精度测试数据

式(8)为最理想的开关损耗情况下,Buck 调整器的效率计算公式,式中,Vdc为电源的输入电压。
从表1 的测试数据来看, 实测效率与理想效率接近,且超过了87%,接近88%.这主要是因为实现恒压源到恒流源转变所增加的小阻值采样电阻以及低功耗的运算放大器等附加电路,并没有明显增加电源的总损耗。
从表2 的数据来看,电源的恒流误差小于1%,具有相当高的恒流精度。这是因为负载上电流的很小变化,经过运算放大器放大后,都能被控制电路感知,从而使输出电流保持在一个稳定的值。
根据式(7),输出电流
但由于电路中的二极管D7 处于微导通状态,导致电源的实际输出电流值与计算值存在一定偏差, 但误差很小,可以通过修改反馈电阻的值,获得理想的电流值。
4 结束语
基于LM2596-ADJ 的LED 开关恒流稳压电源已经投入实际使用,且长期工作稳定可靠,该电路的成功设计,说明了利用市面常用DC/DC 稳压器设计成高效的LED 恒流驱动的方法的可行性,且取材广泛,成本低。从实验数据可以看出,电路具有恒流精度高、效率高。该电源电路不仅可用于大功率LED 驱动,还可用于电池充电等。
作者:刘仁贵 侯成英 来源:《电子设计工程》

