- 易迪拓培训,专注于微波、射频、天线设计工程师的培养
基于ATMEL89S52单片机的三相桥式可控触发电路的设计
摘要:本文提出了一种基于ATMEL89S52单片机的三相桥式可控触发电路的设计方法,主要包括三相桥式可控整流电路、同步信号的检测、脉冲的形成与放大以及软件实现等内容。这种方法利用了电压传感器来检测同步信号,取代了以往利用同步变压器、锁相环等方法实现同步信号的检测的方法,所用的硬件电路较为简单,精度较高。
1 引言
晶闸管作为一种半控性功率半导体器件,其基本功能是对电压进行整流、调压和斩波等进行控制,以满足实际需求。目前,晶闸管整流器装置已在工农业生产中得到了广泛的应用,特别是在直流调速系统中。触发电路是晶闸管电力变流技术的一种核心技术,触发电路应具有可靠性高,对称性好等要求。以分立元件及专用集成电路为主的触发电路,其性能不尽如人意,其具有电路复杂、易受电网电压影响、触发脉冲对称度不好等缺点。由单片机组成的控制,其触发电路具有性能良好、触发电路结构简单、控制灵活、温漂影响小、控制精度高、移相范围可任意调节等特点; 因其移相触发角通过软件计算完成,由于软件的可编程性,使微机数字触发器的调速范围更加灵活,能满足更多方面的需要。另外,本设计的原本目的就是利用单片机非对称触发三相整流桥,以产生谐波,然后用整理桥作为有源电力滤波器( APF) 实验样机的非线性负载使用。
本文以三相桥式全控整流电路为例,主要介绍采用ATMEL89S52 单片机控制的三相桥式可控整流电路触发电路的设计方法,包括三相桥式全控整流电路、同步信号的检测、脉冲的形成与放大、键盘电路、显示电路以及软件实现等内容。
2 三相桥式全控整流电路
三相桥式全控整流电路如图1 所示。电路图中有两组晶闸管,一组是共阴极( VT1、VT3 和VT5) ,一组是共阳极( VT4、VT6 和VT2) .在任何时候均需二个晶闸管同时导通,形成向负载供电的回路,其中一个晶闸管是共阴极的,另一个是共阳极的,并且不能为同一相的晶闸管。由于共阴极的晶闸管是在正半周触发,共阳极组的晶闸管是在负半周触发,因此,接在同一相的两个晶闸管的触发脉冲相位应该相差180°。6 个晶闸管的脉冲按VT1 - VT2 - VT3 - VT4 - VT5 - VT6 的顺序依次导通,相位相差60°。为保证电路的正常工作,需确保同时导通的晶闸管均匀脉冲。可采用两种方法:
一种是宽脉冲触发,一般脉冲宽度位80° ~ 120°;另一种是双窄脉冲触发,即在触发某一晶闸管的同时给前一号晶闸管补发一个脉冲,使共阴极组和共阳极组的两个应导通的晶闸管均有触发脉冲,脉冲宽度一般为20° ~ 30°,两个脉冲的前沿相差60°。
采用前者效率较低,本文采用后者,脉冲宽度取为27°。

图1 三相桥式全控整流电路
3 触发电路的硬件电路设计
硬件电路以Atmel89s52 单片机为控制器,其结构框图如图2 所示。它包括同步信号检测、AD转换电路、脉冲的形成与放大、显示模块和键盘电路等。

图2 触发器的硬件结构框图
3. 1 同步信号的检测
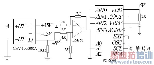
采用北京森社公司生产的CHV - 100 /300A 型号的电压传感器,其额定电压为300V ( 有效值) ,额定输出电流25mA.检测电路中,电压传感器接入220V 的A 相交流电,输出的电流信号经100 欧姆的电阻后,转变为大小为0 ~ 2. 5V 的电压信号( 实际输出为- 2. 5V ~ 2. 5V) ,此电压信号接入LM258 构成的加法器转换成0 ~ 5V 的直流信号,此信号输入到飞利浦半导体公司生产的8 位AD 转换器PCF8591 的模拟信号输入通道AIN3,PCF8591 的输出信号AOUT 即可接入Atmal89s52单片机,利用I2C 总线进行数据传输,单片机经过软件检测,即可得知同步电压Us 过零点信号。其硬件电路如图3 所示。

图3 同步信号的检测电路
3. 2 触发脉冲的形成与放大
脉冲的形成与放大电路如图4 所示。来自单片机P1. 0 P1. 5 的六路较弱的脉冲信号输入到反相器74HC04,经过光电隔离器4N25 隔离输出,最后经过脉冲变压器TB1 放大输出到相应晶闸管的门极g 和阴极k.

图4 触发脉冲的形成与放大
如图5 所示,六路触发脉冲形成过程如下。当单片机检测到A 同步电压Ua 从负到正的过零点信号( 实际上检测到的应该是2.5V) 时,它会接收到来自于INT1 的中断请求信号,这时,单片机会中断响应,服务子程序。这个子程序的功能是决定如何产生第一个触发脉冲的上升沿。当单片机检测到同步信号过零点时,单片机的16 位计数器/定时器1 同时开始计时,它工作在工作方式1; 由于Atmel89s52 单片机的晶振是12MHz,它的一个机器周期是1μm.定时的长度是由单片机的要产生的触发延时角α 决定的。由于一个正弦波的周期是20ms,定时的长度由下式决定: tα = α × 20 /360°ms.定时器的初始化值可以根据tα来设定。为了简单起见,本文定义了一个长度为180 的数组,它对应于触发延时角α 从0 到180 度的变化。这个数组保存在单片机的ROM 存储区。这样,定时器对应于每个触发角的初始化设定值就可以直接赋值给定时器1 了。定时器初始化之后,就启动定时器工作。当定时时间就一到,定时器的溢出标志位置1,单片机开始执行定时器1 的中断服务子程序。
这子函数将P1. 0 设置为高电平,用于触发VT1;这里定义脉冲的宽度为27°,即1. 5ms,则定时器1 的TH1 = FAH,TL1 = 24H; 于是开始启动定时器第二次计数; 当定时时间一到,定时器开始执行中断服务子程序。在这个函数中,P1. 0 设置为低电平,表示触发脉冲结束。由于第二个脉冲比一个脉冲滞后60°,也即是3. 33ms; 那么,第一个脉冲的下降沿到第二个脉冲的上升沿的时间间隔应为1. 83ms.因此,定时器应设置为TH1 = F8H,TL1= DAH; 这样就启动定时器第三次定时。当定时时间一到,定时器开始执行中断服务子程序。在这个子函数中,P1.1 引脚被置为高电平来触发VT2.对于其他晶闸管的触发原理相同,这里不再详述。

图5 六路触发脉冲的波形
双窄脉冲的输出如图5 所示。P1. 0 引脚输出一个主脉冲给VT1 的同时,P1. 5 引脚输出一个次脉冲( 补发脉冲) 给VT6; 延时60°后,P1. 1 引脚输出一个主脉冲给VT2,同时,P1. 0 引脚输出一个次脉冲给VT1; 至于其它晶闸管的触发,其过程亦是如此。
3. 3 显示电路
显示电路是为了更好的得知触发延时角α 的变化。根据触发角α 的大小,触发电路需要四个七段LED 数码管,这可以显示到小数,这里数码管是共阳极的,即当输入为低电平时,数码管点亮。数码管采用动态显示,相对于静态显示具有使用元件少、引脚少、电路简单的优势。其中,段选位接到单片机的P0 口,位选位有单片机的P2. 4~ P2. 7 控制。其电路图如图6 所示。

图6 显示电路
3. 4 键盘电路
键盘电路如图7 所示。其功能是设置触发角a的大小。它由四个开关和电阻,外加一个+ 5V 电源组成。开关K1、K2 、K3 和K4 分别接到单片机的P2. 0、P2. 1、P2. 2 和P2. 3.当K1 按下一次,触发角α 增加1; K2 按下一次,α 减1; K3 用于选择位数,按下第一次,小数位被选择,并且相应的数码管被点亮; 按下第二次时,个位数字被选择,并且相应数码管的被点亮; 按下第三次时,十位数被选择,并且相应数码管被点亮; 按下第四次时,百位数被选择,并且相应的数码管被点亮。当K4 按下时,输入的数据被送到单片机的存储区。

图7 键盘电路
4 触发电路的软件设计
触发电路的软件设计是非常重要的一个部分。本设计最重要的特点之一就是充分利用了单片机的软件编程能力。这里主要是用软件检测同步电压的过零点,以控制脉冲信号的产生。软件部分包括主函数、中断子函数、显示子函数和延时函数等。采用C 语言进行编程,它具有编程简单,一致性高等特点。
程序流程图如图8 所示。首先,将单片机初始化,包括定时器1 的初始化,封锁脉冲信号的输出,以及外部中断1 的初始化; 然后调用数码管显示子函数,以显示移相触发角α; 其次,单片机会监视是否有按键按下,如果有,则调用键盘操作子程序; 然后,单片机检测同步信号,并据此确定是否产生脉冲并将脉冲放大,最后去触发晶闸管。

图8 程序流程图
5 结论
本文给出了一种采用ATMEL89S52 单片机的三相桥式可控触发电路的设计方法。与以往利用同步变压器,锁相环等方法实现同步信号的检测不同,本文利用电压传感器来检测同步信号,是一种新的尝试。相对来说,这种方法硬件电路较为简单,成本较低,精度也较高。
作者:王殿俊 阳建林 来源:《机电元件》

