- 易迪拓培训,专注于微波、射频、天线设计工程师的培养
电压型大功率开关电源补偿网络的分析
引 言
电压型单环回路控制简单,在各个领域应用最为广泛。应用于小功率开关电源时,补偿网络可以简单地用分压反馈与基准放大比较来实现。而在大功率电路中校正的难度很大,精度不足。目前仅满足于反复调试,费时费力。本文就这个问题作一探讨
1 电压型PWM逆变控制系统结构及原理
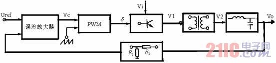
逆变控制系统的最终输出可以是直流电压、交流电压、直流电流、交流电流、频率或功率,在输出部分需进行滤波。大多数逆变系统输出是直流电压,也就是说,系统输出和调节的是直流电压量,当然逆变变压器副边还有整流电路。脉宽调制(PWM)型开关稳压电源就是只对输出电压进行采样,实行闭环控制,这种控制方式属电压控制型,是一种单环控制系统。对于这些系统,其反馈量就是输出电压的一定比例值,用给定电压与反馈电压的误差信号来调节PWM脉冲的宽度,我们通常把这种逆变控制系统称作电压型PWM控制系统。对于大部分电压型PWM逆变控制系统,不论是直流输出还是交流输出,其控制系统的结构框图都可以统一地画成如图1所示的形式。

图1电压型PWM逆变控制系统结构框图


图2电压型PWM逆变控制系统
该逆变系统的开环传递函数G(S)H(S)由下式给出:

其最大缺点是:控制过程中电源电路内的电流值没有参与进去。众所周知,开关电源的输出电流是要流经电感的,故对于电压信号有90度的相位延迟,然而对于稳压电源来说,应当考虑电流的大小,以适应输出电压的变化和负载的需求,从而达到稳定输出电压的目的,因此仅采用输出电压采样的方法,其响应速度慢,稳定性差,甚至在大信号变化时,会产生振荡,造成功率管损坏等故障。
2.系统的分析和设计
误差放大器(或调节器)若是比例环节,式(6.12)和(6.13)都是二阶的,即系统是二阶系统。二阶系统是一个有条件的稳定系统。另外,由于输出滤波参数LC一般比较大,频率参数
比较低。所以,系统在中频段是以-40dB/dec的斜率穿过L(ω)=0 这条线.在这个系统中,即使采用PI调节器,也只是为了减小稳态误差。所以,零点也很低,中频段仍然以-40dB/dec的斜率穿越零线,如图3所示。

图3 电压型PWM逆变控制系统幅频特性曲线
为了使系统满足稳态性能、动态性能和稳定性的要求,就要使在该系统中就要进行校正。显然,在中频段,加一个串联的超前校正环节(有源或无源)如图4,就能使其开环幅频特性的低、中、高频段都能满足要求,如图4所示。

图4校正网络
3.加入补偿网络
分压反馈处,由于电感电压滞后,所以在反馈处将R1两端并联一条电阻和电容的支路,通过电容电压的超前从而使反馈能瞬时反映出输出电压的变化。由于R1,R2的比值很大,通过在R2的两端并联一个电容来感应输出的微弱变化。

其幅频特性曲线如下:

加校正环节的电压型PWM逆变控制系统幅频特性曲线
参考文献
1.叶慧贞, 杨兴洲编著, 新型开关稳压电源, 国防工业出版社。
2.张占松. 开关电源的原理与设计(修订版)[M]. 北京:电子工业出版社,1998.
3.李瑞棠. 自动控制理论基础(修订版)[M]. 西安:西安电子科技大学出版
作者:尚修香 来源:《电源世界》

