- 易迪拓培训,专注于微波、射频、天线设计工程师的培养
基于控制器FAN7387的荧光灯与HID灯镇流器
摘要:FAN7387是一种荧光灯、HID灯镇流器和普通半桥逆变器、开关电源(SMPS)简单控制器。该文介绍了FAN7387的功能、特点和基于FAN7387的电子镇流器电路。
1 FAN7387 的结构、特点及其功能
1. 1 FAN7387的基本结构和引脚功能
FAN7387采用工作温度为- 40 到125 并符合欧盟ROHS指令的8引脚SOP和D IP封装,引脚排列如图1所示。

图1 FAN7387顶视图
FAN7387芯片集成了电源电路、镇流器控制电路和高端与低端(外部MOSFET ) 栅极驱动器,如图2所示。
FAN7387各个引脚说明见表1。
图2 FAN7387芯片电路组成框图
表1 FAN7387引脚说明

1. 2 主要特点和功能。
FAN7387的主要特点和功能如下所述。
1. 2. 1 IC电源与欠电压锁定(UVLO)
FAN7387的低端和高端单元含有欠电压锁定(UVLO)电路。当VDD电压达到11 V 的门限电平时,IC 启动并正常工作。一旦VDD降至9 V 以下,IC 进入关闭状态,仅消耗130μA 的电流。
FAN7387内置15 V 的并联稳压二极管,将VDD电压钳位在15 V的电平上。
FAN7387的高端驱动器电源(施加在引脚VB 与VS之间) 电压VBS启动电平是9. 2 V。一旦电压降至8. 6 V 以下,IC 进入UVLO 模式,高端驱动器输出低电平,关断IC 外部高端MOSFET。当VBS达到9. 2 V后,高端驱动器回复操作,输出高端电平信号,驱动外部高端MOSFET 导通。
1. 2. 2 开关频率由外部阻容元件(RT /CT )设定
运行频率由FAN7387 外部电阻RT 和电容CT 设定。振荡器频率定时电阻RT和电容CT的连接方法如图3所示。电容CT的充电时间从1 /4 VDD到VDD, 决定栅极驱动器输出LO 和HO 的频率。

图3 振荡器频率设定原件连接

图4 FAN7387引脚RCT、LO和HO波形
图4示出的是FAN 7387引脚RCT、LO、HO 上的波形。RCT的放电时间t可表示为:

根据(1)式可得:

IC 的运行频率f running由(3)式给出:

式中t是RCT电压放电时间; T fix是IC 的一个恒定值,约为450 ns。
如果选择RT = 50 KΩ 和CT = 33 pF, 根据(3)式和(4)式可得: f running = 21. 5 kH z。如果选取RT = 50kΩ 和CT = 220 pF, f running则为32 kHz。
1. 2. 3 可编程死区时间控制与关闭
FAN 7387的引脚利用一个电阻RDT可以控制两个驱动信号(HO /LO )之间的死区时间。RDT连接在IC 引脚VDD 与DT /SD之间,如图5 所示。如果RDT = 100 kΩ , 死区时间tDT = 0. 6 μs。如果电压VDT /SD = VDD, 死区时间最短,其值tDT = 0. 4μs。

图5 死区时间控制与关闭电路
利用IC 引脚外部开关(双极晶体管或MOSFET) , 可对异常状态提供保护。在图5中,给晶体管基极加一个高电平信号,晶体管导通。只要引脚上的电压低于1 V, FAN7387则进入关闭模式。在关闭模式,FAN7387不会产生输出信号。
1. 2. 4 利用外部PWM 信号操作
FAN 7387除了利用外部RT 和CT产生自振荡外,还可以利用外部的PWM 信号强制振荡。PWM 信号施加电路如图6所示。该电路由R 1、R 2和一个NPN型晶体管组成。在IC引脚RCT上的输入信号范围必须在0. 6VDD与0. 75VDD之间。外部PWM 信号能使IC在引脚HO 和LO 产生输出信号,并与外部输入信号同步化(或同相位)。

图6 PWM 信号施加电路
2 基于FAN7387的镇流器电路
2. 1 荧光灯电子镇流器电路
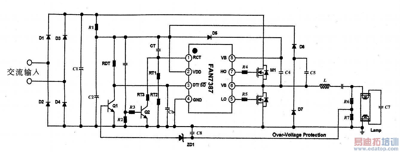
基于FAN7387的荧光灯电子镇流器电路如图7所示。这种镇流器电路的工作原理如下所述。
接通交流市电(220 V /50H z)电源,由D1~ D4和电容C1组成的桥式整流滤波电路产生约300 V 的DC总线电压VBU S。DC 高压经启动电阻R 1 对电容C 2充电,当C 2上的电压增加到11 V 的门限电平时,IC 引脚VDD 导通,振荡器开始振荡。晶体管Q2 及C 3、R 2、R 3、RT3组成预热电路。在初始振荡阶段,Q2导通,开关频率较高,对灯丝加热。预热结束,Q2 关断,频率降低。当频率达到镇流器输出电路L 和C 7谐振频率时,在C 7 上产生一个高压将灯管点亮。灯点亮后,在RT1、RT2和CT设定的频率上工作。
半桥上、下两个MOSFET (M1、M2)开始开关后,IC 引脚VDD 由C 5、D6、D7等组成的电荷泵辅助电源供电,这样就可以使用低功率的启动电阻R 1。

图7 基于FAN7387的荧光灯电子镇流器电路
半桥开关M1关断到M2导通之间的死区时间,由连接在IC引脚VDD与引脚之间的电阻RDT设定。引脚上的接地电容C 6, 可以使系统工作稳定。
D5和C 4组成自举电路。当下部MOSFET(M 2)导通时,VDD经D5 对C 4充电。一旦引脚VB 上的电压达到9. 2 V 的门限,M1则导通,M 2关断。当M1导通时,C 4放电。只要引脚VB 上的电压因C 4放电降至8. 6 V 以下,M1则关断,M 2又会导通。如此周而复始,M1和M2交替导通,半桥输出占空比约为50%的方波电压。
与灯管并联的R 6、R 7和C 8、ZD1及Q1, 组成过电压保护(Over Voltage ProtectiON, OVP )电路。一旦出现过电压,在R 7 上的检测电压会使稳压二极管ZD1击穿,导致Q1导通,使IC关闭。当过电压消除后,镇流器将恢复正常工作。
2. 2 H ID灯全桥转换器
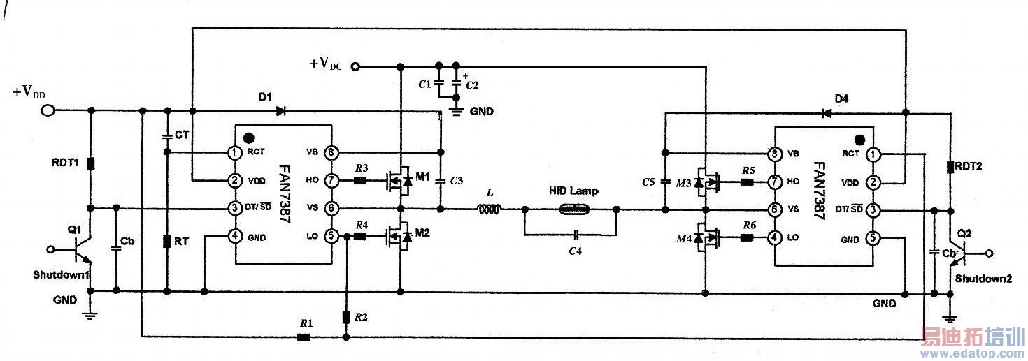
由两块FAN7387组成的HID 灯全桥转换器电路如图8所示。

图8 由两片FAN7387组成的HID灯全桥转换器电路
全桥的转换频率由左边IC 引脚RTC 外部RT和CT设定。为防止HID灯在高频上产生声共振,引起灯弧抖动或者熄弧,对灯造成危害,一般是让HID 灯在100~ 400H z的低频下工作,若频率低于100H z, 易产生灯闪烁。
左面IC引脚LO上的驱动输出经R 2连接到右边IC 的引脚RCT。采用这种方法,在M1和M4导通时,M3和M2关断; 当M1和M4关断时,M2和M3导通。
于是在H ID 灯中通过交变电流。
DC 总线电压VDC一般为400 V, 来自前级有源功率因数校正(PFC)升压变换器输出。晶体管Q 1和Q2用于关闭IC。IC 一旦关闭,则不会产生任何输出。
3 小结
美国飞兆(Fairchild)半导体生产的FAN7387 自振荡高压MOSFET栅极驱动器,振荡器频率可由阻容(RT /CT ) 元件设定,也可用外部的PWM 信号强制振荡。两个输出驱动信号之间的死区时间可由外部单个电阻设置,可获得最佳死区时间,减少外部MOSFET的功率损耗。FAN 7387还提供关闭功能,用于过电压保护。FAN7387不仅可作为荧光灯或H ID 灯镇流器控制器,而且还可以用作开关电源(SMPS)控制器(本文不再提供应用电路)。
作者:姚予疆 来源:《灯与照明》

