- 易迪拓培训,专注于微波、射频、天线设计工程师的培养
基于FSDM0565R反激式开关电源的设计方案
0 引言
由于线性电源发热量大,效率低(仅35%左右),体积大等缺点。开关电源自20 世纪以来便显出了强大的生命力, 倍受学者和用户的青睐。目前,开关电源以其高性能,高效率(75%,现在单片集成开关电源效率早已达到90%以上),这对解决能源问题起到推波助澜的作用,很多节能电器的电源供给早已被开关电源取代;体积小,易于安装,对于工业现场的电源供给起到了重要的作用;设计功率可选范围大(从几十瓦到几千瓦都可以用开关电源来实现)。反激式开关电源相对其它类型的开关电源输出功率小,变换电路简单,所用元件少,适用于中小功率并提供多路直流电流输出, 所以被大量用于控制电路和路灯节能、防盗控制箱中。本文分析了反激式开关电源工作方式并以FSDM0565 型芯片设计了一款多输出反激式开关电源模块,并给出了测试过程的数据和波形。
1 FSDM0565R 的主要性能特点和工作原理1.1 性能特点
FSDM0565R 是Fairchild 半导体生产的单片开关电源设计芯片,它由PWM 控制器、振荡器、热关断保护电路、故障保护电路及其他控制电路集成在一个单片器件内。由于芯片本身功耗很低,电源效率可达到80%左右。具体性能如下:a、坚固的内部雪崩值SenseFET; b、先地的间歇工作模式(240VAC 1W 和0.5W 时的消耗); c、精确的固定工作频率:66KHz;d、内部启动电路、改进的电流限制、过电压保护(OVP)、过载保护(OLP)、内部热关断功能(TSD)、异常过电流保护(AOCP)、自动重启模式、欠压锁定(UVLO)等。
1.2 FSDM0565R 的工作原理
FSDM0565R 主要包括以下几部分:(1)启动:在启动时,内部的高电压电流源提供了内部的偏压, 并为连接Vcc 脚的外部的电容(CVCC)充电。当Vcc 达到12V 时,FPSTM 开始开关动作,此时内部的高电压电流源就消失。(2)反馈控制:开关电源的反馈控制有电压控制和电流控制两种方式,FSDM0565R 采用电流反馈控制方式。由一个光耦(如H11A817A)和一个分压调整器(如KA431)组成一个典型的反馈网络。在此需要强调在电路纹波调试时可能会出现纹波不对的情况,这很可能是由于反馈回路有问题,这时检查电路时需要测量反馈回路的波形对比光耦两边的频率是否一致。本人在设计时就由于成本问题,选用了低成本的低速光耦(NEC2501-1),导致了输出频率不够从而达不到设计指标。所以选用光耦时要根据开关电源的频率来选。(3) 保护电路:FSDM0565R 内部集成了许多自我保护功能的电路,比如过载保护(OLP),过流保护(AOCP),过电压保护(OVP)和过热关断(TSD)。具体指标详见本芯片的技术手册。(4)软启动:FSDM0565R 内部集成了软启动电路,当电路启动时,增加了PWM 比较器的反向输入电压和FET 的电流。通常的软启动时间是10 毫秒,提供给开关管的脉宽宽度逐步增加,以给高频变压器、电感器、电容器提供正确的工作工况。输出电容也在启动时充电,延缓了电压的突变,从而不会使变压器工作在饱和状态,也减少了对输出变频二极管的冲击。(5)突发模式:FSDM0565R 存在两种模式,正常的66KHZ 模式和突发模式。为了减少在待机时的损耗,FSDM0565R 设有突发模式。当负载突然减少时,反馈电路的电流突然下降,这样FSDM0565R 就会进入突发模式。
此时反馈电压就会降到VBURL(500mV),这时开关管停止工作,输出电压依据待机负载开始下降到一定值。然后反馈电压又会上升,它又会超过VBURH(700mV)的开关消耗,这两种情况反复进行。
2 模块系统组成和参数设计图1 是用FSDM0565R 芯片设计的反激式开关电源模块,输入电压的范围为85VAC~265VAC, 输出功率为45W, 输出直流电压分三组:+5V(0.1A)、+12V(0.2A)、+13.8V(2A)。一个开关电源的设计主要是外围电路的设计,分为:输入整流滤波电路、高频变压器、钳位保护电路、欠过压保护电路、外部限流保护电路、输出整流滤波电路以及反馈电路几部分组成。如图1 所示。

图1 电源模块电路原理图
2.1 输入电路设计
输入电路包括启动电流电路保护、过电流保护、防雷设计、EMI 滤波设计、整流桥和整流滤波设计。
由于电容器在瞬态时可以看成是短路,当开关电源上电时,会产生非常大的冲击电流,幅度要比稳态工作电流大很多(从几十到几百安培),如对冲击电流不加以限制,不但会烧坏保险丝,烧毁插件,降低器件的工作寿命,还会由于共同输入阻抗而干扰附近的电器设备。有效的防止方法有串连电阻法、热敏电阻法、有源冲击电流限制法等。本电路采用普遍的热敏电阻法。在选用热敏电阻的时候根据具体电路进行选择,本设计采用NTC8D210.过电流电路保护初级电路最高通过电流为2A.防雷采用4 级设计,选用压敏电阻681KD20.EMI 滤波电路由电容、共模电感和电阻组成。整流桥采用全波整流电路,如图1 中HER208 所示。由于三相全波整流的电压有700 多伏(实测702V),所以整流滤波电路采用CD11-400V-100μf±20%两个电容串联的方法。
2.2 输出电路设计
根据负载对输出电压纹波的要求,采用不同的输出电路设计。如图1 中的5V1+、12V+、13.8V+和5V2+.因为变压器为高频变压器,反射电流会很大, 此时必需在输出整流二极管处并联阻容串联电路,这样即减少了输出电压的纹波,也延长了二极管的寿命。二极管采用恢复时间较短的如肖特基二极管,最大反向恢复时间为50ns.输出滤波电感选择时,根据反激式开关电源输出滤波电感计算公式选择,考滤磁饱和问题,最好选用铁氧体的磁棒。LM2596-5.0 为DC-DC 变换器,以提供5V2+的电压。
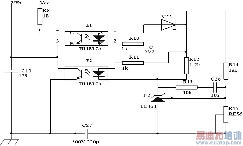
2.3 反馈电路设计
本设计的典型反馈电路如图2 所示:

图2 反馈电路
本设计采用两个光耦给成:E1 为过电压保护电路,E2 组成电压反馈电路,R14、R15 组成采样电阻。关于各电阻器阻值的确定如下。本电路反馈来自13.8V+,R14 采样电压来自13.8V 电感后侧, 而R12 上端接在电感器前面。R14 的确定:要确定R14 首先要确定R15.R15 的值不是任意取的, 要考虑两个因素:(1)TL431 参考输入端的电流,一般此电流为2uA 左右,为了避免此端电流影响分压比和避免噪音的影响,一般取流过电阻R15 的电流为参考段的100 倍以上,所以此电阻要小于2.5V/200uA=12.5K.(2)待机功耗的要求,如有此要求,在满足小于12.5K 的情况下尽量取大值。在这取R15 为可调的5K 变阻器,再根据分压定律算出R14 取18K.
TL431 要求有1mA 的工作电流, 也就是在R11 的电流接近于零时,也要保证TL431 有1mA 的电流,所以R12<=1.2V/1mA=1.2K 即可。
除此以外也是功耗方面的考虑。R11 的取值要保证FSDM 控制端取得所需要的电流,用H11817A 时,其CTR=2-4,取低限2,要求流过光二极管能承受最大电流=6/2=3mA, 所以R11<=(14.4-2.5-1.2)/3=3.56K,光二极管能承受的最大电流在50mA 左右,TL431 为100mA, 所以我们取流过R11 的最大电流为50mA,R11>(14.4-2.5-1.2)/50=214 欧姆。
同时满足以上两个条件,在这里我们取1K.
R13、C26 形成一个在原点的极点,用于提升低频增益,来压制低频(100Hz)纹波和提高输出调整率,即静态误差, R13、C26 形成一个零点,来提升相位,要放在带宽频率的前面来增加相位裕度,具体位置要看其余功率部分在设计带宽处的相位是多少, R13、C26 的频率越低,其提升的相位越高,当然最大只有90 度,但其频率很低时低频增益也会减低,一般放在带宽的1/5 初,约提升相位78 度。
2.4 高频变压器设计
高频变压器作为开关电源的心脏,它的设计尤为重要,它将占用整个设计的大部分时间,设计过程请参阅文献1 中反激式开关电源磁性元件的设计。由于篇幅的限制,在这只提供本设计的变压器,参数如下:
(1)磁芯骨架:立式EC2828,12 脚(脚距5mm,排距25mm)。
(2)磁芯材料:EC2828, 盱胎欧歌,AL=2710nH/N2(± 25%)。
(3)变压器初级电感量(变压器1 脚和2 脚之间):LNp=0.5~1.0mH.
(4)绝缘要求: Np、Nf 对Ns1 和Ns2 耐压3kVAC 60S 、1mA 漏电流。
(5)绕制顺序及规格为:首先绕原编二分之一(φ0.3*2)、5V2(φ1)、12V(φ0.3)、5V1(φ0.3)、原编另外二分之一(φ0.3*2)、反馈绕组(φ0.3)。G隙宽:中心磁柱间距:0.373452mm.
注意事项:每个绕组均匀绕在骨架中间,每绕完一个绕组包2mm厚的绝缘胶带。
3 样板试验测量结果
3.1 各电压纹波测量结果
开关电源纹波的测量基本要求为: 使用示波器AC 耦合,20MHZ带宽限制, 拔掉控头的地线, 以测到准确的波形, 在本电源板中,对5V2+的要求比较严格,要严格控制它的纹波,以下测得当加2.5 欧姆电阻(80%负载)时测得纹波为空载的两倍,如下图3 所示。

图3 5V2+80%负载时波形图
3.2 电磁兼容实验
当检测纹波通过时考虑到现场环境问题,还得分别做电磁兼容实验和环境实验,电磁兼容实验包括:浪涌、快速脉冲群和静电抗扰。在本次测试中开关电源主板装入某一终端进行测试。差模打±2000V,共模打±4000V.具体方法参照国家电磁兼容性相关标准。
4 结论
反激式开关电源比起线性电源和其他类型的开关电源,具有纹波大的特点。但通过辅助电路可以减少它的输出纹波。以FSDM0565R 为核心设计的多输入多输出反激式开关电源,不但有体积小、效率高、性能稳定的特点, 而且在电磁兼容和高温测试中都表现出了很好的性能,取得了很好的性能,但本次设计和测试到投入生产经过了两个月的时间,所以本人也在做一个开关电源的仿真,通过仿真和模块化可以大大减少研发周期和成本。
作者:莱松 李玲 李洋涛 来源:《科技致富向导》

