- 易迪拓培训,专注于微波、射频、天线设计工程师的培养
单片机系统的常用输入/输出电路设计
摘要:针对电气控制产品的特点,讨论了几种单片机常用输入/输出电路的设计方法,对合理地设计电气控制系统,提高电路的接口能力,增强系统稳定性和抗干扰能力有实际指导意义。
引言
随着微电子技术和计算机技术的发展,原来以强电和电器为主、功能简单的电气设备发展成为强、弱电结合,具有数字化特点、功能完善的新型微电子设备。在很多场合,已经出现了越来越多的单片机产品代替传统的电气控制产品。属于存储程序控制的单片机,其控制功能通过软件指令来实现,其硬件配置也可变、易变。因此,一旦生产过程有所变动,就不必重新设计线路连线安装,有利于产品的更新换代和订单式生产。
传统电气设备采用的各种控制信号,必须转换到与单片机输入/输出口相匹配的数字信号。用户设备须输入到单片机的各种控制信号,如限位开关、操作按钮、选择开关、行程开关以及其他一些传感器输出的开关量等,通过输入电路转换成单片机能够接收和处理的信号。输出电路则应将单片机送出的弱电控制信号转换、放大到现场需要的强输出信号,以驱动功率管、电磁阀和继电器、接触器、电动机等被控制设备的执行元件,能方便实际控制系统使用。
1 输入电路设计

图1 开关信号输入
一般输入信号最终会以开关形式输入到单片机中,以工程经验来看,开关输入的控制指令有效状态采用低电平比采用高电平效果要好得多,如图1如示。当按下开关S1时,发出的指令信号为低电平,而平时不按下开关S1时,输出到单片机上的电平则为高电平。该方式具有较强的耐噪声能力。
若考虑到由于TTL电平电压较低,在长线传输中容易受到外界干扰,可以将输入信号提高到+24 V,在单片机入口处将高电压信号转换成TTL信号。这种高电压传送方式不仅提高了耐噪声能力,而且使开关的触点接触良好,运行可靠,如图2所示。其中,D1为保护二极管,反向电压≥50 V。

图2 提高输入信号电平

图3 输入端保护电路
为了防止外界尖峰干扰和静电影响损坏输入引脚,可以在输入端增加防脉冲的二极管,形成电阻双向保护电路,如图3所示。二极管D1、D2、D3的正向导通压降UF≈0.7 V,反向击穿电压UBR≈30 V,无论输入端出现何种极性的破坏电压,保护电路都能把该电压的幅度限制在输入端所能承受的范围之内。即:VI~VCC出现正脉冲时,D1正向导通;VI~VCC出现负脉冲时,D2反向击穿;VI与地之间出现正脉冲时,D3反向击穿;VI与地之间出现负脉冲时,D3正向导通,二极管起钳位保护作用。缓冲电阻RS约为1.5~2.5 kΩ,与输入电容C构成积分电路,对外界感应电压延迟一段时间。若干扰电压的存在时间小于τ,则输入端承受的有效电压将远低于其幅度;若时间较长,则D1导通,电流在RS上形成一定的压降,从而减小输入电压值。
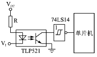
此外,一种常用的输入方式是采用光耦隔离电路。如图4所示,R为输入限流电阻,使光耦中的发光二极管电流限制在10~20 mA。输入端靠光信号耦合,在电气上做到了完全隔离。同时,发光二极管的正向阻抗值较低,而外界干扰源的内阻一般较高,根据分压原理,干扰源能馈送到输入端的干扰噪声很小,不会产生地线干扰或其他串扰,增强了电路的抗干扰能力。

图4 输入端光耦隔离
在满足功能的前提下,提高单片机输入端可靠性最简单的方案是: 在输入端与地之间并联一只电容来吸收干扰脉冲,或串联一只金属薄膜电阻来限制流入端口的峰值电流。
2 输出电路设计
单片机输出端口受驱动能力的限制,一般情况下均需专用的接口芯片。其输出虽因控制对象的不同而千差万别,但一般情况下均满足对输出电压、电流、开关频率、波形上升下降速率和隔离抗干扰的要求。在此讨论几种典型的单片机输出端到功率端的电路实现方法。
2.1 直接耦合
在采用直接耦合的输出电路中,要避免出现图5所示的电路。

图5 错误的输出电路
T1截止、T2导通期间,为了对T2提供足够的基极电流,R2的阻值必须很小。因为T2处于射极跟随器方式工作,因此为了减少T2损耗,必须将集射间电压降控制在较小范围内。这样集基间电压也很小,电阻R2阻值很小才能提供足够的基极电流。R2阻值过大,会大幅度增加T2压降,引起T2发热严重。而在T2截止期间,T1必须导通,高压+15 V全部降在电阻R2上,产生很大的电流,显然是不合理的。另外,T1的导通将使单片机高电平输出被拉低至接近地电位,引起输出端不稳定。T2基极被T1拉到地电位,若其后接的是感性负载,由于绕组反电势的作用,T2的发射极可能存在高电平,容易引起T2管基射结反向击穿。
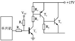
图6为一直接耦合输出电路,由T1和T2组成耦合电路来推动T3。T1导通时,在R3、R4的串联电路中产生电流,在R3上的分压大于T2晶体管的基射结压降,促使T2导通,T2提供了功率管T3的基极电流,使T3变为导通状态。当T1输入为低电平时,T1截止,R3上压降为零,T2截止,最终T3截止。R5的作用在于: 一方面作为T2集电极的一个负载,另一方面T2截止时,T3基极所储存的电荷可以通过电阻R3迅速释放,加快T3的截止速度,有利于减小损耗。

图6 直接耦合输出电路
2.2 TTL或CMOS器件耦合
若单片机通过TTL或CMOS芯片输出,一般均采用集电极开路的器件,如图7(a)所示。集电极开路器件通过集电极负载电阻R1接至+15 V电源,提升了驱动电压。但要注意的是,这种电路的开关速度低,若用其直接驱动功率管,则当后续电路具有电感性负载时,由于功率管的相位关系,会影响波形上升时间,造成功率管动态损耗增大。
为了改善开关速度,可采用2种改进形式输出电路,如图7(b)和图7(c)所示。图7(b)是能快速开通的改进电路,当TTL输出高电平时,输出点通过晶体管T1获得电压和电流,充电能力提高,从而加快开通速度,同时也降低了集电极开路TTL器件上的功耗。图7(c)为推挽式的改进电路,采用这种电路不但可提高开通时的速度,而且也可提高关断时的速度。输出晶体管T1是作为射极跟随器工作的,不会出现饱和,因而不影响输出开关频率。

图7 TTL或CMOS器件输出电路
2.3 脉冲变压器耦合
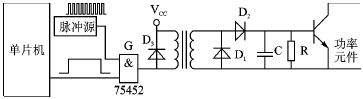
脉冲变压器是典型的电磁隔离元件,单片机输出的开关信号转换成一种频率很高的载波信号,经脉冲变压器耦合到输出级。由于脉冲变压器原、副边线圈间没有电路连接,所以输出是电平浮动的信号,可以直接与功率管等强电元件耦合,如图8所示。

图8 脉冲变压器输出电路
这种电路必须有一个脉冲源,脉冲源的频率是载波频率,应至少比单片机输出频率高10倍以上。脉冲源的输出脉冲送入控制门G,单片机输出信号由另一端输入G门。当单片机输出高电平时,G门打开,输出脉冲进入变压器,变压器的副线圈输出与原边相同频率的脉冲,通过二极管D1、D2检波后经滤波还原成开关信号,送入功率管。当单片机输出低电平时,G门关闭,脉冲源不能通过G门进入变压器,变压器无输出。
这里,变压器既传递信号,又传送能量,提高了脉冲源的频率,有利于减轻变压器的体重。由于变压器可通过调整电感量、原副边匝数等来适应不同推动功率的要求,所以应用起来比较灵活。更重要的是,变压器原副边线圈之间没有电的联系,副线圈输出信号可以跟随功率元件的电压而浮动,不受其电源大小的影响。
当单片机输出较高频率的脉冲信号时,可以不采用脉冲源和G门,对变压器原副边电路作适当调整即可。
2.4 光电耦合
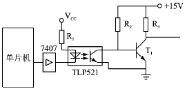
光电耦合可以传输线性信号,也可以传输开关信号,在输出级应用时主要用来传递开关信号。如图9所示,单片机输出控制信号经缓冲器7407放大后送入光耦。R2为光耦输出晶体管的负载电阻,它的选取应保证: 在光耦导通时,其输出晶体管可靠饱和;而在光耦截止时,T1可靠饱和。但由于光耦响应速度慢使开关延迟时间加长,限制了其使用频率。

图9 光耦输出电路
结语
单片机接口技术在很多文献中均有详细的介绍,但在对大量电气控制产品的改造和设计中,经常会碰到用接口芯片所无法解决的问题(如驱动电流大、开关速度慢、抗干扰差等),因此必须寻求另一种电路解决方案。上述几种输入/输出电路通过广泛的应用表明,其对合理、可靠地实现单片机电气控制系统具有较高的工程实用价值。
参考文献
[1] Philips semiconductors.80C31/80C32 data sheet [EB/OL]. http://www.philips.com,2006.
[2] 王幸之,王雷,翟成,等. 单片机应用系统抗干扰技术[M].北京:北京航空航天大学出版社,1999.
[3] 李宏.电力电子设备用器件与集成电路应用指南第1册[M].北京:机械工业出版社,2001.
[4] 刘宝廷,程树康,等.步进电动机及其驱动控制系统[M].哈尔滨:哈尔滨工业大学出版社,1997.
[5] 常斗南.可编程序控制器原理?应用?实验[M].北京:机械工业出版社,1998.
潘海燕,主要研究方向为计算机控制技术。
作者:潘海燕 化明松 来源:《单片机与嵌入式系统应用》
上一篇:高亮度LED太阳能路灯照明系统设计方案
下一篇:网络综合布线系统认证检测(表)


