- 易迪拓培训,专注于微波、射频、天线设计工程师的培养
基于PSpice的升压型开关稳压电源设计与仿真
摘要:介绍并分析了升压型开关变换器的拓扑结构及其仿真波形,以及PWM电流模式的不稳定性及其解决办法。借助仿真软件PSpice设计了一款以UC2843为核心的升压开关稳压电源。整个电路易调试、工作稳定、高可靠性、成本低。
20世纪50年代,美国宇航局以小型化、重量轻为目标,为搭载火箭开发了开关电源。在半个多世纪的发展过程中,开关电源因具有体积小、重量轻、效率高、发热量低、性能稳定等优点而逐渐取代由传统技术设计制造的连续工作的线性电源,并广泛用于电子、电气设备中。20世纪80年代,计算机全面实现了开关电源化,率先完成了计算机的电源换代。20世纪90年代,开关电源在电子、电气设备以及家电领域得到了广泛的应用,开关电源技术进入快速发展期。
Cadence旗下的PSpice是一款电路仿真软件,能够对复杂的模数混合电路进行仿真,而且开关电源也不例外。
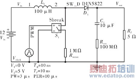
1 升压变换器拓扑结构
升压变换器属于间接能量传输变换器。供电过程包含能量的存储和释放两方面。如图1所示,Vclock是脉冲信号源,提供PWM电压,用以功率开关S1的导通与截止。Rsense为电流取样电阻,Resr为电容的等效串联电阻。在开关S1导通期间,二极管D1截止,电感储存能量,输出电容单独为负载提供电能。在开关S1断开期间,二极管D1导通,储存了能量的电感与输入电源串联,为输出提供电能,其中一部分转移到电容C1里。

图1 基本升压变换器结构电路
1.1 工作于CCM条件下的升压变换器波形
对图1所示电路,借助PSpice进行仿真,获得如图2所示的波形图。这是典型的电感电流连续导通模式(CCM)。

图2 工作于CCM条件下的Boost变换器波形
曲线①代表PWM波形,用于触发功率开关导通或断开。当开关S1导通时,公共点SW/D电压几乎降到0。相反,当开关S1断开时,公共点SW/D电压增加为输出电压和二极管的正向压降之和,如曲线②所示。曲线③描述了电感两端电压的变化。高电平期间,电感左侧电压为Vin,右侧几乎为0,对应功率开关导通;而低电平期间,电感左侧电压仍为Vin,而右侧突变为Vout,因为功率开关截止,同时二极管导通,此时对应电感电压为负值,这就意味着输出电压大于输入电压。
电感电路在平衡时,电感两端电压平均值为0,即电感的电压时间平衡。也就是图中阴影部分面积S1=S2。假设D为PWM的占空比,TSW为开关周期。则

整理得到
![]()
可见,在理想情况下,D越接近1,输出电压将趋于无穷大。实际上,只要输出一定的电流,就难以得到传输系数超过4~5的升压变换器。
曲线④为电感电流波形。可以看到电感电压虽然出现了跳变,但电感电流仍然是连续的。
曲线⑤是输出电压波形,也是电容电压。可以看到恢复尖峰以及电压纹波。若考虑输出电容的ESR,则相对纹波为

曲线⑥是输入电流,明显它是连续的。
1.2 工作于临界导通模式下的电感电流
当电感电流纹波降到0时,功率开关S1立即闭合,电感电流又向上增大。如图3所示电感电流处于临界点的电流变化。此时,电感电流平均值即对称三角形的电流平均值为最大值的1/2。即
![]()
假设效率为100%,则有


图3 电感电流处于临界点的电流变化
联立以上两式,可得R和L的临界值

2 PWM开关模式
1986年前后,脉宽调制(Pulse Width Modulation,PWM)开关模式被提出,先后出现了电压模式和电流模式。电流模式是目前常用的控制方法之一。
2.1 电流模式及其不稳定性
电流模式检测电感电流和开关电流,并在逐个脉冲的基础上同误差放大器的输出进行比较,控制PWM脉宽,由于电感电流随误差信号的变化而变化,从而更容易设置控制环路,改善了线性调整率。
在CCM条件下,占空比超过50%时,电流模式存在固有不稳定性,也称为次谐波振荡。这种不稳定性与稳压器的闭环特性无关,它是由固定频率和峰值电流取样同时工作所引起。图4(a)显示了这种现象,在t0时刻,开关开始导通,使电感电流以斜率m1上升,t1时刻,电流取样输入达到由控制电压建立的门限。这导致开关断开,电流以斜率m2衰减,直至下一个振荡器周期。如果有一个扰动加到控制电压上,产生一个小的△I,在一个固定的振荡器周期内,电流衰减时间减少,最小电流在开关接通时刻t2,上升了△I+△I*m2/m1。最小电流在下一个周期t3减小至(△I+△I*m2/m1)m2/m1。如果m2>m1,这样扰动经过几个开关周期的逐渐积累后,就会出现占空比一大一小的现象,即发生了次谐波振荡。图4(b)显示了通过在控制电压上增加一个与脉宽调制时钟同步的人为斜坡,该斜坡的斜率如果≤m2/2,才能使得电感电流跟随控制电压,达到真正的电流模式工作。

图4 连续电流波形图
2.2 高性能电流模式控制器UC2843简介
UC2843是一种电流型脉宽调制电源芯片,价格低廉,广泛应用于电子信息设备的电源电路设计,常用作反馈式开关电源的控制电路。UC2843工作电压为8.5~36V,是专为离线和DC-DC变换器应用而设计,提供了只需少量外部元件就能获得低成本高效益的解决方案。具有可微调的振荡器、能进行精确的占空比控制、温度补偿的参考电压、高增益的误差放大器。电流取样比较器和大电流图腾柱式输出,是驱动功率MOSFET的理想器件。其它的保护特性包括滞后式欠压锁定,低压锁定门限为8.5V(通)和7.6V(断),还有逐周电流限制、可控输出静区时间等。
图5所示为UC2843的内部框图。

图5 UC2843的内部框图
3 升压型开关稳压电源设计
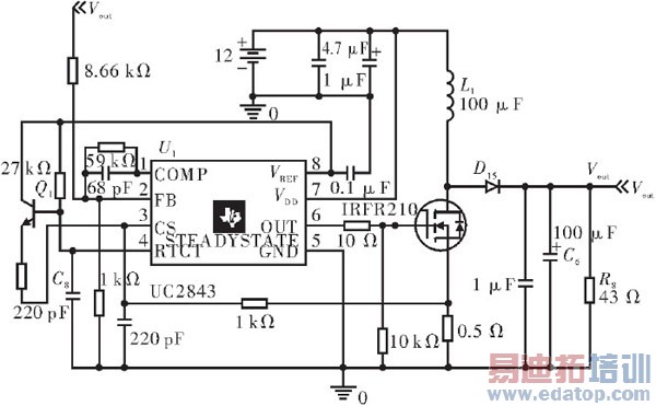
电源的技术指标为:输人标称12V,动态范围9~18V,输出24V,Io为1A,频率为300kHz,输出电压精度为1%。设计电路如图6所示。

图6 12V-24V升压变换器电路
3.1 元件参数选择
(1)储能电感。
在保证电感电流连续模式前提下,电感值应满足

其中,Vs为为开关管导通时漏极电位。假定电路在额定输出时,电感纹波电流为平均电流的30%,即
![]()
故,电感值可取

综合考虑,电感可取50~150μH。
(2)其它元件参数选择。
为得到300kHz的工作频率,选择RT电阻为27kΩ,CT为220 pF。UC2843内部脚2为误差放大器的反向输入端,正向输入基准为2.5V,可知输出电压为Vo=2.5(1+R1/R2),由此可确定输出取样电阻R1和R2值分别8.7kΩ和1kΩ。开关管,由于工作在大电流状态,且频率为300kHz。应选择Rds小的功率开关MOS管。输出二极管应选择快恢复二极管以保证开关的正常工作。输出电容是一个重要的储能元件,所以应选用100μF及以上的电解电容,其余元件参数如图6所示。为防止次谐波振荡,特加入了由Q1组成的斜坡补偿电路。
3.2 电路模拟仿真
运行PSpice仿真,得到如图7所示波形。在9 V输入电压下,输出电压23.899V,电压纹波11mV,电感电流1.5459A,纹波271mA,占空比75%。由于加入了斜坡补偿,所以并没有出现次谐波振荡,即占空比时大时小的现象。电源效率为70%。电路元件参数的具体选择,可参考仿真结果,查看每个元件的电流和耗散功率加以确定。

图7 PSpice仿真波形
4 结束语
借助PSpice仿真软件,设计了一款常用的12~24V升压型开关稳压电源电路。整个电路调试容易,工作稳定、可靠性高、成本低。另外,可根据具体的电路指标要求,对电路进行灵活控制、变动,设计出其他的应用电路。
作者:唐卫斌 西安电子科技大学 来源:电子设计工程

