- 易迪拓培训,专注于微波、射频、天线设计工程师的培养
移动式输油系统多功能控制电路的研制
摘要:移动式输油系统是一种大流量的移动式加油设备。采用了流量稳定、性能可靠、结构简单紧凑、使用和保养方便的KCB型防爆齿轮泵和椭圆齿轮流量计等高性能主要部件。这些主要部件可确保加油站控制和计量的准确安全可靠。系统能方便、快速在A与B之间输油并做相应的记录、打印。显示输油的瞬时流量、总量等,操作方便实用。其中,基于TC4538的F/V变换是核心部分,决定着整个系统的控制性能。
随着科技的进步和发展,超声波、激光、电磁、核技术及微计算机等新技术引入流量计量领域,使得无接触无活动部件间接技术大大发展,流量传感器趋向电子化和数字化,为流量计量开拓新的领域。新型流量计要求非接触式流量数字模型简明;量程比宽、线性化、数字化;可线性高,价格低廉,维修方便。随着单片机的日趋成熟,移动式输油系统多功能控制电路的研究上了一个新的水平,利用移动式输油系统可以方便地到达所需加油的地方为其加油,高效便捷,而小批量的加油则不必把整个机器弄到加油站加油了。利用移动式加油系统可以方便在两方之间输油,并做相应的记录、打印,还可以显示油的单价、瞬时流量、瞬时总量、总价,操作控制灵活,方便实用。
1 硬件电路的设计
1.1 传感器电路的设计
椭圆齿轮流量计是容积式流量计的一种,它对被测流体的粘度变化不敏感,特别适合测量高粘度的流体,甚至糊状物的流量。椭圆齿轮流量计的工作原理如图1所示。

椭圆齿轮流量计的测量部分是由两个相互啮合的齿轮A和B、轴及壳体组成。椭圆齿轮及壳体之间形成测量室。当流体流过齿轮流量计时,由于要克服阻力将会引起阻力损失,从而使进口侧压力P1大于出口侧压力P2,产生作用力矩使椭圆齿轮连续转动。
图l仅仅表示椭圆齿轮转动了1/4的情况,而其所排出的被测介质量为半月形容积的四倍。故通过椭圆齿轮流量计的体积流量Q为
Q=4nV0 (1)
式中n--椭圆齿轮的旋转速度,V0--半月形测量室容积
由式(1)可知,在椭圆齿轮流量计的半月形容积V0已定的条件下,只要测出椭圆齿轮的转速n,即可知道被测介质的流量。椭圆齿轮流量计的流量信号(即转速n),有就地显示和远传显示两种,配以一定的传动机构及积算机构,就可记录或指示被测介质的总量。
1.2 频率-电压转换电路的设计
电压-频率转换器把频率变化信号线性地转换成电压变化信号。广泛地应用于调频、调相信号的解调等。

图2是由TC4538构成的频率/电压转换电路。它对输入脉冲信号进行微分,把微分电流变换为电压,再进行平滑获得输出电压。TC4538是单稳态电路,把输入脉冲变换为具有一定宽度的脉冲。此电路的输入/输出之间的关系为U0=-fi×5×R5(C4+C5)。式中,基准电压+UREF为5V。通常按c4=C5设定参数。响应速度由R5和R6确定,若频率变低,则波纹电压增大,因此,需要在输出后接低通滤波器。即使波纹较大,但要加快响应速度,还得减小C6。微分电容C4和C5由相对于最高输入频率的输出电压决定,要选用温度系数小而具有温度补偿的陶瓷片电容。例如,输入0~100Hz时其输出电压0~5V,根据输出/输入之间关系,C4=C5=5x1MΩ/(5Vx100Hzx2)=5000pF。
1.2.1 TC4538介绍
TC4538是可触发/复位的多谐振荡器,触发器的操作可由2个输入开头或结尾来实现。因为输出单稳态脉冲宽度是由外部电阻和外部电容的时间常数决定的,这使输出脉冲宽度的范围更广泛成为可能。测量动态特性的波形如图3所示。twout=10ms±5%(Rx=100kΩ,Cx=0.1μF,VDD=10V)。
1.2.2 TC4069电路
TC4069UB包含六个转换电路。内部电路是由一个单一阶段逆变器组成,这适合应用于CR振荡器电路,晶体振荡器电路和线性放大器电路也适用转换器的情况。由于一阶段门电路结构,反应时间应经降低。引脚分布如上图4左边电路所示,右边电路为两个MOS管组成的非门电路。

1.2.3 TC4066电路
TC4066B包含四个独立的双向开关电路。当控制输入信号CONT被设置成"H",开关输入与输出间的阻抗变低,当控制输入信号CONT被设置成"L",开关输入与输出间的阻抗变高。这可以应用于模拟信号和数字信号间的转换。4066电路引脚分布图如下图5左边电路所示,右边电路为4066逻辑电路图。

1.3 单片机处理电路的设计
AT89C51单片机的体积小、抗干扰能力强、对环境要求不高,片内含4Kbyte的可反复擦写的只读程序存储器和128bytes的随机存取数据存储器,片内置通用8位中央处理器和Flash存储单元。P2.4脚用于油泵的启停控制,至于报警电路,则采用晶体管驱动的报警器。压电式蜂鸣器约10mA的驱动电流,可以用一个晶体管驱动。本设计采用独立式按键接口设计,各按键接口独立,每个按键各接一根输入线,一根输入线上的按键工作状态不会影响其他输入线上的工作状态。因此,通过检测输入线的电平状态可以很容易判断哪个按键被按下了。
1.4 扩展电路的设计
74LS373是常用的地址锁存器芯片,它实质是带三态缓冲输出的8D触发器,在单片机系统中为了扩展外部存储器,通常需要74LS373芯片。74LS373与AT89C51连接如图6所示。

8255是Intel公司生产的可编程输入输出接口芯片,具有3个8位的并行口I/O口,有三种工作方式,可通过程序改变其功能,因而通用性强,可作为单片机与多种外围设备连接时的中间接口电路。
1.5 显示电路的设计
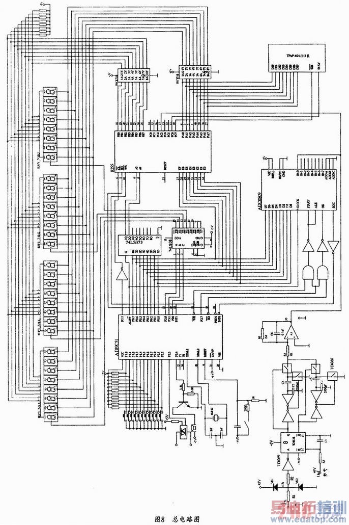
本设计采用动态显示方式。在多位LED显示时,为了简化电路,降低成本,将所有位的段选码并联在一起,由位的段选码并联在一起,由一个8位I/O口控制。而共阴极点或共阳极点由一个I/O口线控制。程序控制每个时刻只一位LED显示,循环控制选择每位LED轮流显示不同字符。电路如图8所示。
1.6 打印电路的设计
TpuP-40A是一种由单片机控制的微型智能点阵式打印机,每行可打印40个字符,具有标准的Centronic并行接口,各信号线通过20芯扁平电缆引出,打印机接口电路如图7所示。

2 总体设计
移动式加油系统控制电路的硬件设计总体电路图如图8所示。它是以AT89C51单片机为核心,外扩8255和BIC8718接显示器,同时利用74L S138片选四块显示器。通过键盘输入单价,加油泵开始加油,利用椭圆齿轮传感器输出频率信号,再通过频率/电压转换电路将频率信号转换为电压信号输入莫属转换器AD0809,经模数转换后送入AT89C51单片机,处理之后送入显示,然后接TpuP-40A打印机打印。

3 结束语
本系统由传感器和AT89C51单片机等构成的输油控制系统,具有较大的通用性,电动机可以换四档,油的单价也可设置,控制电路不变,比较灵活。本设计可采用一些先进的计算机技术及单片机控制的原理、及自动化仪表等技术综合设计出本系统的硬件电路。系统能方便、快速在A与B之间输油并做相应的记录、打印。显示输油的瞬时流量、总量等,操作方便实用。基于TC4538的F/V变换是核心部分,决定着整个系统的控制性能。同时,系统具有操作控制灵活、安全性有保障,对于故障的检测与控制及时可靠等特点。该控制系统只适用于一些小型的加油系统,如移动式加油车,小型加油站等。
作者:陈羲梅 陈义鑫 来源:《电子元器件应用》2011年10期

