- 易迪拓培训,专注于微波、射频、天线设计工程师的培养
热插拔和缓冲I2C总线
随着服务器系统的增长,包含控制电路用来监视服务器输入/输出卡的数量和复杂程度也同比增长。零停机时间系统要求用户将I/O卡插入带电的背板。虽然许多IC供应商已经开发出能够安全对电源和地线进行热插拔(HotSwapTM)的芯片,但是迄今为止,仍没有一个能在I2C和SMBus系统中实现系统数据(SDA)和系统时钟(SCL)线"热插拔"的单片解决方案。由于每个I/O卡的SDA和SCL电容直接加到这些系统的背板中,因此系统的扩展使得上升和下降时间指标难以满足。LTC4300-1允许用户在不破坏背板数据转换的情况下把I/O卡插入带电的背板上,它同时提供双向的缓冲,并隔离背板和卡上的电容。
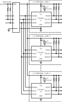
图1给出了一个LTC4300-1安全热插拔SDA和SCL线的应用。LTC4300-1位于外围设备卡的边缘,SCLOUT管脚与卡的SCL总线相连,而SDAOUT管脚与卡的SDA总线相连。当卡通过长短针位连接器插入带电背板时,地先连接上,然后才接上VCC。

图1 安全热插拔SDA和SCL线的应用
VCC和地连接后,SDAIN和SCLIN与背板的SDA和SCL线连接。此时,电压为1V的预充电电路工作,并强迫1V电压通过100k标称电阻至低电容(小于10pF)SDA和SCL管脚,使得连接时所看到的最坏电压差最小化。预充电和低电容特性使背板SDA和SCL总线在热插拔期间干扰最小。
在卡插入期间,SDA背板总线和LTC4300-1 SDAIN管脚上的电压如图2所示。接地的100pF电容器尽力赶上相当于SDA总线的电容,在刚插入前,LTC4300-1的SDAIN管脚被预充电到1V,而SDA总线背板电压接近4V。由于SDAIN管脚的高阻抗和低电容,该管脚上的电压在插入时上升到背板电压,因此背板电压几乎没有受影响,这时两个信号短接在一起。一旦总线没有与卡连接的背板有停止位或总线空闲出现,LTC4300-1使预充电电路停止工作,激活输入至输出连接电路,使背板SDA和SCL总线与卡上的电路相连。

图2 电压图示
容量缓冲与上升时间加速器特性
输入至输出连接电路的关键特性是提供双向缓冲,图3是利用该特性的一个应用。如果I/O卡直接连接到背板上,所有背板和卡上的电容将直接相加,难以满足上升和下降时间要求。将LTC4300-1置于每个卡的边缘,但从背板隔离卡电容。对于给定的I/O卡,LTC4300-1驱动卡上电容,背板必须只驱动LTC4300-1的低电容。LTC4300-1通过提供位于所有四个SDA和SCL管脚的上升时间加速器电路,进一步满足系统上升时间要求。

结论
LTC4300-1允许用户在不破坏双总线系统的背板SDA和SCL信号情况下,将I/O卡插入到带电的背板中。另外,连接电路提供双向缓冲,隔离背板与卡电容。上升时间加速器电路加以提供帮助从而满足上升时间要求。


