- 易迪拓培训,专注于微波、射频、天线设计工程师的培养
单片机的键盘接口
录入:edatop.com 点击:
在开发单片机的应用系统中,键盘接口是最常用的人机接口。键盘按照是否进行硬件编码可分为编码键盘与非编码键盘,PC机上的键盘是典型的编码键盘,而单片机应用系统中的键盘一般采用非编码键盘便可满足需要。所谓非编码键盘实际上就是一组开关,键按下,开关接通。是否有键按下,按下的是哪个键由单片机对I/O端口的扫描完成(而编码键盘会自动提供所按键的编码),这时,键盘的排布方式不同形成了不同的键盘接口方式。
一、一维直读方式
每个独立的按键接到单片机的一根I/O端口引线上,如图1。直接读入I/O端口(MOV A,P1)便可判断出所按下的键(有键按下对应的P1.X=0,否则为1)。
这种方式的硬件简单,但占用的I/O引线较多,N位I/O引线只能构成N个键的键盘,适用于按键较少的系统。
二、硬件编码方式
将第一种方式的键信号先送人编码器,再由单片机的I/O引线读入,如图2。这种方式克服了一维直读方式占用接口多的缺点,若由N位I/O引线,使用相应的编码器,理论上最多可构成2N个键的键盘,但需要增加硬件编码电路。
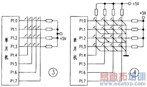
由N条I/O线组成行,M条I/O线组成列,行列引线的交点上设置一个按键,如图3。行为输入端口,列为输出端口。读键状态采用扫描方式,先判断是否有键按下:列线输出全"0",读入列信号,若全为"1"则无键按下,否则有键按下。再判断按下的为哪个键:列输出线逐位输出"0",读入行输入端口,从而判断出按下的键所在的行与列,由此计算键值。这种方式占用的I/O引线较少,若N位I/O形成方阵,则最多可构成N2/4个键的键盘,而且不需增加硬件电路,只是软件相对复杂一些。这是一种最常用的键盘接口方式。
四、二维直读方式
键盘排布依旧采用行列式方式,每个键有两个触点,如图4。有键按下,该键对应的行线与列线同时变为"0",否则为"1",因此键的状态可以通过直接读人I/O端口据其两位来反映。这种方式具有独立式和行列式方式的优点,但缺点是要求按键含有两个触点。该方式同行列式方式一样,若N位I/O形成方阵,则最多可构成N2/4个键的键盘。
在这种方式中,N位I/O线既作为输入行线又作为输出列线,输入与输出交互使用,在行列每一个独立的交点上设置一个按键,如图5。N位I/O引线,最多可构成N(N-1)/2个键的键盘,比行列式方式占用的I/O引线少,但这种方式要求I/O线必须是可位控的双向或准双向I/O口。如8031的P1口,8155的PC口。键盘读键方式与行列式方式相似,I/O端口逐位输出"0"(其他各位送"1"),再读入该端口,依次查 询除送出低电平以外的其他各位。为低则有键按下。从读键方式我们可以看到:该方式键值有重码,例如:第i行、第j列有键按下,在此方式中第i行同时为第i列,第j行同时为第i列,也可认为按下的键是第j行,第i列的从而形成重码。
六、双交互方式
该方式与交互方式相似,但在交互方式中键值有重码,如图6。第i行、第j列与第i行、第i列的键不独立,为此在I/O引线作列线时加入二极管隔离,这样使左下角和右下角交叉点不再重复,除对角线上外,每个交点上都可设一个按键,从而使键盘的容量比交互方式增加了一倍,即:N位I/O引线,最多可构成N(N-1)容量的键盘。键扫描程序及键值的计算与交互方式相同。
一、一维直读方式
每个独立的按键接到单片机的一根I/O端口引线上,如图1。直接读入I/O端口(MOV A,P1)便可判断出所按下的键(有键按下对应的P1.X=0,否则为1)。
这种方式的硬件简单,但占用的I/O引线较多,N位I/O引线只能构成N个键的键盘,适用于按键较少的系统。
二、硬件编码方式
将第一种方式的键信号先送人编码器,再由单片机的I/O引线读入,如图2。这种方式克服了一维直读方式占用接口多的缺点,若由N位I/O引线,使用相应的编码器,理论上最多可构成2N个键的键盘,但需要增加硬件编码电路。

由N条I/O线组成行,M条I/O线组成列,行列引线的交点上设置一个按键,如图3。行为输入端口,列为输出端口。读键状态采用扫描方式,先判断是否有键按下:列线输出全"0",读入列信号,若全为"1"则无键按下,否则有键按下。再判断按下的为哪个键:列输出线逐位输出"0",读入行输入端口,从而判断出按下的键所在的行与列,由此计算键值。这种方式占用的I/O引线较少,若N位I/O形成方阵,则最多可构成N2/4个键的键盘,而且不需增加硬件电路,只是软件相对复杂一些。这是一种最常用的键盘接口方式。
四、二维直读方式
键盘排布依旧采用行列式方式,每个键有两个触点,如图4。有键按下,该键对应的行线与列线同时变为"0",否则为"1",因此键的状态可以通过直接读人I/O端口据其两位来反映。这种方式具有独立式和行列式方式的优点,但缺点是要求按键含有两个触点。该方式同行列式方式一样,若N位I/O形成方阵,则最多可构成N2/4个键的键盘。

在这种方式中,N位I/O线既作为输入行线又作为输出列线,输入与输出交互使用,在行列每一个独立的交点上设置一个按键,如图5。N位I/O引线,最多可构成N(N-1)/2个键的键盘,比行列式方式占用的I/O引线少,但这种方式要求I/O线必须是可位控的双向或准双向I/O口。如8031的P1口,8155的PC口。键盘读键方式与行列式方式相似,I/O端口逐位输出"0"(其他各位送"1"),再读入该端口,依次查 询除送出低电平以外的其他各位。为低则有键按下。从读键方式我们可以看到:该方式键值有重码,例如:第i行、第j列有键按下,在此方式中第i行同时为第i列,第j行同时为第i列,也可认为按下的键是第j行,第i列的从而形成重码。
六、双交互方式
该方式与交互方式相似,但在交互方式中键值有重码,如图6。第i行、第j列与第i行、第i列的键不独立,为此在I/O引线作列线时加入二极管隔离,这样使左下角和右下角交叉点不再重复,除对角线上外,每个交点上都可设一个按键,从而使键盘的容量比交互方式增加了一倍,即:N位I/O引线,最多可构成N(N-1)容量的键盘。键扫描程序及键值的计算与交互方式相同。

上一篇:网络安全检测与监控技术的研究
下一篇:基于AT89C5131的接口设计


