- 易迪拓培训,专注于微波、射频、天线设计工程师的培养
串行时钟PCF8583在微机保护装置中的应用
录入:edatop.com 点击:
1引言
微机保护装置配备的高性能实时时钟,用来记录微机保护动作、开关变位、事故与预告等事件的时间信息,从而形成完整的事件顺序记录,对分析继电保护的动作行为、提高电力系统运行的可靠性具有重要意义。与先前的时钟器件(如DS12C887)相比,PCF8583是串行总线扩展方式的实时时钟器件,只需通过DSP的I2C时钟线SCL和数据线SDA就可完成其参数设置、读取日期和时间等操作,同时PCF8583接口简单,占用DSP资源少和可靠性高,且掉电时仍能够进行时间计数。dsPIC33F系列微处理器是将单片机与DSP技术相结合的高性能16位数字信号控制器,将该控制器与串行时钟PCF8583同时应用于微机保护装置,可进一步提高微机保护装置的整体性能。因此,这里提出一种基于PCF8583和dsPIC33F系列微处理器的微机保护装置设计方案。
2 PCF8583简介
2.1 PCF8583的结构与功能
PCF8583是带有256x8 bit RAM的8引脚日历/时钟器件。内置完整的振荡、分频、上电复位电路,具有4年日历时钟,12或24 b格式,带可编程的闹钟、定时和中断功能,并具有体积小、硬件连线少、带有256字节的静态RAM等特点。它采用I2C两线串行总线接口传输地址和数据,在每次读写数据字节后,内部字地址寄存器自动递增;地址引脚A0用于编程设置硬件地址,这样可在不增加硬件的情况下使总线上允许挂接两个器件;内置32.768 kHz振荡器RAM区的前8个字节用于时钟/日历和计数器功能,接下来的8个字节作为报警寄存器或RAM使用,剩下的240个字节RAM则由用户自由分配。其中00H为控制状态寄存器,01H为1/100 s寄存器,02H为秒寄存器,03H为分寄存器,04H为时寄存器,05H为年/日寄存器,06H为星期/月寄存器,07H为定时寄存器,08~0F单元可设置为空闲单元或闹钟寄存器,在日历时钟方式中,百分之一秒、秒、分、时、日、月、年和星期都是以BCD码存放。I2C总线的主器件可通过对其控制/状态寄存器进行读,写操作。
2.2 PCF8583的PC总线及其读写操作
I2C总线是Philips推出的串行传输总线,以两根连线实现完善的全双工同步数据传输,可构成多机系统和外围器件扩展系统。I2C总线采用器件地址的硬件设置方法,通过软件寻址,完全避免器件的片选线寻址方法,从而使硬件系统具有简单灵活的扩展方法。由于I2C总线是同步串行数据传输总线。其内部为双向传输电路,端口为漏极开路输出,故总线上必须挂接上拉电阻,该上拉电阻阻值通常可取5-10kΩ。系统中的所有外围器件及模块都是总线上的节点,当I2C工作时,任何一个主器件节点都能控制总线,当某个主器件节点控制总线,则成为主控制器。系统中所有节点采用器件地址或引脚地址的编址方法。I2C总线规定起始信号后的第一个字节为寻址字节,用于寻址被控器件,并规定数据传输方向。I2C总线在数据传输中共有开始信号、结束信号和应答信号3种类型。其中,开始信号是当SCL为高电平时,SDA由高电平向低电平跳变;结束信号是当SCL为低电平时,SDA由低电平向高电平跳变。结束数据传输;而应答信号则是接收数据的器件在接收到8位数据后,向发送数据的器件发出待定的低电平脉冲,表示已接收数据。
主器件节点读写从节点(这里将PCF8583设为从节点)数据的示意图如图1所示。发送到SDA线上的每个字节必须为8位,每次可发送的字节数不限,但每个字节后必须跟一个应答信号。首先传输最高数据位,数据全部传输完后,主控制器发送停止信号。
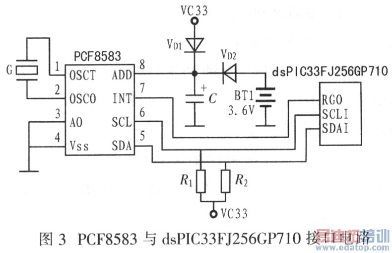
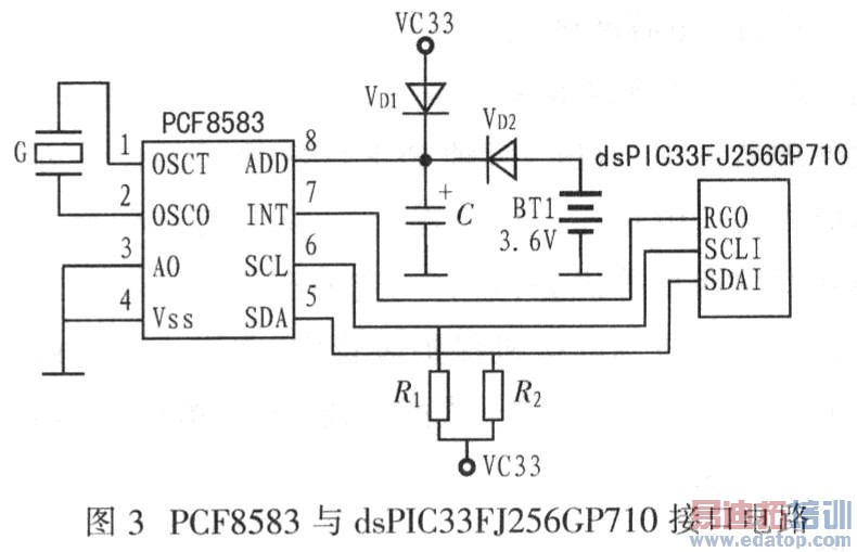
3 PCF8583与微机保护装置的接口设计
3.1 硬件系统设计
该系统设计采用dsPIC33F系列dsPIC33FJ256GP7 10型系列微处理器,其内部集成了RAM,Flash及各种外设模块,包括2个A/D转换模块、2个SPI接口模块、2个I2C模块、2路CAN和UART通信模块等,因而外嗣扩展电路少,进一步简化了硬件结构。
基于dsPIC33FJ256GP710的保护测控装置分为CPU模块单元、交流插件、数字量I/O单元、通信单元、人机接口单元和电源单元等,通信接口直接与上位机或通信管理机连接,人机接口采用128×~64点阵式液晶显示器和专用键盘,显示信息量大,操作方便。
图2为CPU模块原理框图。该微机保护装置具有16路开关输入量,16路开关输出量,15路模拟量。由于dsPIC33F强大的计算能力和完善的控制功能,可单独完成计算、控制、通信、人机接口等功能,减少了元件数,简化了硬件结构设计。又因dsPIC33F微处理器内部集成有RAM,Flash、A/D转换等,使得外围扩展电路很少,大大简化了硬件结构设计,极大提高了保护装置的抗干扰性和可靠性。
3.2 系统软件设计
3.2.1 微机保护的事件顺序记录功能
dsPIC33FJ256GP710中断资源丰富,具有9个16位定时器:T1~T9。其中,T2和T3、T4和T5、T6和T7、T8和T9可组成4个32位定时器。该装置软件使
4 结语
在以DSP(或单片机)为核心的微机保护系统中,除具有数据采集、数据处理、数据通信及人机接口功能外,还需准确记录保护动作与开关变位时间,以形成完整的事件顺序记录。提出了采用dsPIC33F系列微处理器与串行(I2C)时钟PCF8583接口的设计方案,给出了相应的接口电路与软件流程。该方案具有结构简单、可靠性高和开发周期短等优势,具有一定的实用与参考价值。该设计方案已用于所研制的微机保护装置中,并投入变电站运行,结果表明:该装置可靠性高,维护方便,各项指标均达到行业标准和运行要求。
微机保护装置配备的高性能实时时钟,用来记录微机保护动作、开关变位、事故与预告等事件的时间信息,从而形成完整的事件顺序记录,对分析继电保护的动作行为、提高电力系统运行的可靠性具有重要意义。与先前的时钟器件(如DS12C887)相比,PCF8583是串行总线扩展方式的实时时钟器件,只需通过DSP的I2C时钟线SCL和数据线SDA就可完成其参数设置、读取日期和时间等操作,同时PCF8583接口简单,占用DSP资源少和可靠性高,且掉电时仍能够进行时间计数。dsPIC33F系列微处理器是将单片机与DSP技术相结合的高性能16位数字信号控制器,将该控制器与串行时钟PCF8583同时应用于微机保护装置,可进一步提高微机保护装置的整体性能。因此,这里提出一种基于PCF8583和dsPIC33F系列微处理器的微机保护装置设计方案。
2 PCF8583简介
2.1 PCF8583的结构与功能
PCF8583是带有256x8 bit RAM的8引脚日历/时钟器件。内置完整的振荡、分频、上电复位电路,具有4年日历时钟,12或24 b格式,带可编程的闹钟、定时和中断功能,并具有体积小、硬件连线少、带有256字节的静态RAM等特点。它采用I2C两线串行总线接口传输地址和数据,在每次读写数据字节后,内部字地址寄存器自动递增;地址引脚A0用于编程设置硬件地址,这样可在不增加硬件的情况下使总线上允许挂接两个器件;内置32.768 kHz振荡器RAM区的前8个字节用于时钟/日历和计数器功能,接下来的8个字节作为报警寄存器或RAM使用,剩下的240个字节RAM则由用户自由分配。其中00H为控制状态寄存器,01H为1/100 s寄存器,02H为秒寄存器,03H为分寄存器,04H为时寄存器,05H为年/日寄存器,06H为星期/月寄存器,07H为定时寄存器,08~0F单元可设置为空闲单元或闹钟寄存器,在日历时钟方式中,百分之一秒、秒、分、时、日、月、年和星期都是以BCD码存放。I2C总线的主器件可通过对其控制/状态寄存器进行读,写操作。
2.2 PCF8583的PC总线及其读写操作
I2C总线是Philips推出的串行传输总线,以两根连线实现完善的全双工同步数据传输,可构成多机系统和外围器件扩展系统。I2C总线采用器件地址的硬件设置方法,通过软件寻址,完全避免器件的片选线寻址方法,从而使硬件系统具有简单灵活的扩展方法。由于I2C总线是同步串行数据传输总线。其内部为双向传输电路,端口为漏极开路输出,故总线上必须挂接上拉电阻,该上拉电阻阻值通常可取5-10kΩ。系统中的所有外围器件及模块都是总线上的节点,当I2C工作时,任何一个主器件节点都能控制总线,当某个主器件节点控制总线,则成为主控制器。系统中所有节点采用器件地址或引脚地址的编址方法。I2C总线规定起始信号后的第一个字节为寻址字节,用于寻址被控器件,并规定数据传输方向。I2C总线在数据传输中共有开始信号、结束信号和应答信号3种类型。其中,开始信号是当SCL为高电平时,SDA由高电平向低电平跳变;结束信号是当SCL为低电平时,SDA由低电平向高电平跳变。结束数据传输;而应答信号则是接收数据的器件在接收到8位数据后,向发送数据的器件发出待定的低电平脉冲,表示已接收数据。
主器件节点读写从节点(这里将PCF8583设为从节点)数据的示意图如图1所示。发送到SDA线上的每个字节必须为8位,每次可发送的字节数不限,但每个字节后必须跟一个应答信号。首先传输最高数据位,数据全部传输完后,主控制器发送停止信号。

3 PCF8583与微机保护装置的接口设计
3.1 硬件系统设计
该系统设计采用dsPIC33F系列dsPIC33FJ256GP7 10型系列微处理器,其内部集成了RAM,Flash及各种外设模块,包括2个A/D转换模块、2个SPI接口模块、2个I2C模块、2路CAN和UART通信模块等,因而外嗣扩展电路少,进一步简化了硬件结构。
基于dsPIC33FJ256GP710的保护测控装置分为CPU模块单元、交流插件、数字量I/O单元、通信单元、人机接口单元和电源单元等,通信接口直接与上位机或通信管理机连接,人机接口采用128×~64点阵式液晶显示器和专用键盘,显示信息量大,操作方便。
图2为CPU模块原理框图。该微机保护装置具有16路开关输入量,16路开关输出量,15路模拟量。由于dsPIC33F强大的计算能力和完善的控制功能,可单独完成计算、控制、通信、人机接口等功能,减少了元件数,简化了硬件结构设计。又因dsPIC33F微处理器内部集成有RAM,Flash、A/D转换等,使得外围扩展电路很少,大大简化了硬件结构设计,极大提高了保护装置的抗干扰性和可靠性。


3.2 系统软件设计
3.2.1 微机保护的事件顺序记录功能
dsPIC33FJ256GP710中断资源丰富,具有9个16位定时器:T1~T9。其中,T2和T3、T4和T5、T6和T7、T8和T9可组成4个32位定时器。该装置软件使

4 结语
在以DSP(或单片机)为核心的微机保护系统中,除具有数据采集、数据处理、数据通信及人机接口功能外,还需准确记录保护动作与开关变位时间,以形成完整的事件顺序记录。提出了采用dsPIC33F系列微处理器与串行(I2C)时钟PCF8583接口的设计方案,给出了相应的接口电路与软件流程。该方案具有结构简单、可靠性高和开发周期短等优势,具有一定的实用与参考价值。该设计方案已用于所研制的微机保护装置中,并投入变电站运行,结果表明:该装置可靠性高,维护方便,各项指标均达到行业标准和运行要求。
上一篇:NGN技术对远程视频监控的影响
下一篇:用全波段测试法优化光器件性能


