- 易迪拓培训,专注于微波、射频、天线设计工程师的培养
下一代无源光网络发展策略分析
录入:edatop.com 点击:
如图5所示,整个网络中仅在OLT存在一个宽带光源,其光谱范围至少覆盖使用波分复用器AWG的两个相邻自由光谱范围(FSR)。在发射端,仅第二个FSR的波长被用来调制信号,下行传输用。由于AWG是典型的线性器件,因此具有环形光谱响应特性,这样在RN,使用解复用器后,对特定的ONU,例如ONUn,将有两个波长输出,如图中标识的λUn和λDn。对每个ONU,通过一个WDM滤波器,将λUn和λDn分开,其中λDn信号被探测解调。而空白波长λUn直接照射在一个反射式的半导体放大器(RSOA)上,用于上行信号调制。这里的RSOA起到三个作用,其实是可以对信号预放大,其二是相当于一个强度直接调制器,对上行信号调制,其三是由于其工作于增益饱和区,因此对噪声具有较强抑制力。图5所示的系统,通常被称为使用RSOA的无色WDM-PON。这里以它为例,主要是因为该模式简单,且原理非常清晰,能够容易的解释无色化的含义。但并不是说该方式是最好的,最起码来说RSOA的调制速率不高,不可能用于超过2.5Gb/s的调制。因此,近年来类似的系统时有报道,原理类似,但采用不同的器件,例如RSOA可换成反射式电吸收调制器等。但这些方法至少从目前来看,都是互有优劣,不存在绝对最佳的方案。
至于爱立信从成立GigaWaM小组以来,这几个月是否有什么实质性的突破,来降低WDM-PON的成本,目前尚是个未知数。
三、超高速超大容量PON:
由于WDM-PON的信息复用模式与TDM不同,因此对40Gb/s的系统,如果采用了WDM-PON,例如使用的AWG有32个通道,那么单通道的调制速率也仅仅1.25Gb/s,这样色散、非线性的影响都并不强烈。而第三代PON,所说的超大容量,超高速,是说单通道调制就达到或超过40Gb/s的系统。与单通道10Gb/s的系统不同,此时不仅色散会严重恶化信号质量,非线性,以及PMD同样会对传输产生致命影响。因此,这里我对这样的系统,概括近来最有应用潜力的三项技术,并重点揭示他们的整合优势:
1.偏振复用技术:
偏振作为光的一个基本物理属性,和波长、时间、频率等参数一样,都可以用于信息复用。而传统系统要使用偏振复用并不容易,因为光纤中的偏振态会随着传输距离的增加而改变,特别对于高速系统,由于偏振相关损耗(PDL)和偏振模式色散(PMD)的交互影响,信号质量的稳定性值得商榷。但对于超高速,超大容量系统,偏振复用的使用能够简单的让单通道传输容量加倍,其常规现方式如图6所示。

图6. 偏振复用的实现
2.差分四相相移键控(DQPSK)调制格式:
DQPSK是近年来非常受关注的信号调制格式。和偏振复用一样,使用DQPSK调制也能将频谱利用效率加倍。两者的差别可以从图7看到。

图7. 偏振复用与DQPSK概念比较示意图
我们知道相位漂移监控(DPSK)是非常受关注的调制格式,因为其是基于相位上的"0"和"π"来表示两个不同的信号阶,因此强度上维持了常数的包络。这对高调制速率信号很有意义,因为常数强度包络对非线性具有良好的抵御力。但是从图中可以看到,DPSK是典型的二进制调制,频谱利用率不高。为了进一步提高频谱利用率,有两种技术可以被采用。其一是上面提到的偏振复用技术,其二就是DQPSK调制格式的采用。我们对比图7和图3就可以容易的理解,DQPSK本质上就是一种光学双二进制调制,在"0"和"π"之间引入了"π/2"这个中间参考阶,进而将频谱利用率翻倍。当然,如图7所示,如果我们同时采用偏振复用和DQPSK调制,就可以将频谱利用率提高四倍。和前面提高的光学双二进制调制类似,DQPSK格式除了在频谱利用率上具有优势,同时也能提高对色散、非线性以及PMD的公差。
3.相干检测技术:
我们知道现有的光通信系统都是非相干系统,当然采用的检测技术基本都是以直接探测为基础的非相干检测。相干探测则常采用零差和外差两种方式。显然其实现起来比非相干检测要难很多,要求也高很多。但相干检测从性能上具有明显优势,首先其高灵敏度特性能有效提高无中继传输距离,其次相干检测能显著抑制噪声的影响,降低带间串扰的影响,这对密集波分复用系统尤为有利。
4.三种技术结合使用的集团优势:
以上谈到的三种技术,都是近年来研究密集,受关注颇多的技术。但可以看到,单独用任何一项,尽管具有很多优势,但也具有很多难点。如果权衡性价比要求,似乎为改善性能带来的额外成本问题,会让技术推广得不偿失。但我们结合使用这些技术,却能实现良好的优势互补,产生1+1>2的独特效果。
例如,我们知道偏振复用能将频谱利用率加倍,但其对偏振非常敏感,特别对高速系统,由于PMD的影响,偏振态的微小变化既会影响复用效果,也会影响信号传输质量。显然,单独应用偏振复用,我们必须对偏振严格控制,并对PMD监控,补偿。但如果我们同时使用偏振复用和DQPSK调制格式,因为DQPSK对色散、非线性、PMD都具有很高的公差,使得两种技术结合使用时,偏振复用也不再对PMD影响那么敏感。起到了优势互补的作用。

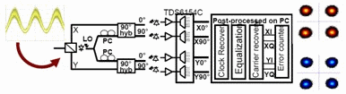
图8. 结合使用偏振复用、DQPSK的相干检测系统
上一篇:PCI9030及其PCI总线接口电路设计
下一篇:精通数据库系列之入门-基础篇2


