- 易迪拓培训,专注于微波、射频、天线设计工程师的培养
基于zigbee的无线传感器网络节点设计
一、引言
ZigBee[2]是一种基于 IEEE802.15.4规范的无线技术。它具有在802.15.4规范上创建的安全和应用层接口、工作于免授权的2.4GHz频段、以年计算的超低电池寿命、极大可伸缩的网络和星型网络拓扑(每个主设备可支持4万多个节点)等诸多优点,在国防军事、工业控制、消费性电子设备等领域有很大的发展空间 [3]。
RF CC2430芯片[4]以强大的集成开发环境作为支持,内部线路的交互式调试以遵从IDE的IAR工业标准为支持,得到嵌人式机构很高的认可。它结合Chipcon公司全球先进的ZigBee协议栈、工具包和参考设计,展示了领先的ZigBee解决方案。其产品广泛应用于汽车、工控系统和无线传感器网络等领域,同时也适用于ZigBee之外2. 4GHz频率的其他设备。
二、硬件设计
1、芯片无线收发模块内部结构
CC2430芯片的内部结构如图1所示。天线接收的射频信号经过低噪声放大器和I/Q下变频处理后,中频信号只有2MHz,此混合I/Q信号经过滤波、放大、AD变换、自动增益控制、数字解调和解扩,最终恢复出传输的正确数据。

图1 CC2430芯片内部结构
发射机部分基于直接上变频。要发送的数据先被送入128字节的发送缓存器中,头帧和起始帧是通过硬件自动产生的。根据TEEE 802.15.4标准,所要发送的数据流的每4个比特被32码片的扩频序列扩频后送到DA变换器。然后,经过低通滤波和上变频的混频后的射频信号最终被调制到2.4GHz,并经过放大后经发射天线发射出去。
2、系统硬件设计
传感器节点一般由数据采集单元、数据处理单元和数据传输单元以及电源管理单元等模块组成[5]。节点硬件结构由图2所示。微处理器ATmega128通过SPI总线和一些离散控制信号与RF收发芯片CC2430进行通信。

图2 传感器网络节点组成框图
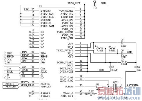
CC2430外围电路如图3所示。CC2430内部使用1.8V工作电压,适合于电池供电的设备,外部数字I/O接口使用3.3V电压,这样可以保持和 3.3V逻辑器件的兼容型。它在片上集成了一个自流稳压器,能够把3.3V电压转化成1.8V电压。这样对于只有3.3 V电源的设备,不需要额外的电压转换电路就能正常工作。
图3 CC2430芯片外围电路
CC2430射频信号的收发采用差分方式进行传输,其最佳差分负载是 ,阻抗匹配电路应该根据这个数值进行调整。如果使用单端天线则需要使用平衡/非平衡阻抗转换电路(BALLUN,巴伦电路),以达到最佳收发效果。
CC2430需要有16MHz的参考时钟用于250kbps数据的收发。这个参考时钟可以来自外部时钟源,也可以使用内部晶体振荡器产生。如果使用外部时钟,直接从XOSC16-Q1引脚引入,XOSC16-Q2保持悬空;如果使用内部晶体振荡器,晶体接在XOSC16-Q1和XOSC16_Q2引脚之间。CC2430要求时钟源的精度应该在 以内。
三、软件设计
按照硬件电路设计,系统软件编程的基本思路[6]是:先对SPI端口、CC2430控制端口初始化;使能SPI端口、UART端口和ADC;对CC2430芯片初始化;开启接收机后,就可以运行任务程序,实现接收或发送数据。发送和接收程序流程图如图4和图5所示。

图4 发送程序流程图 
图5 接收程序流程图
无线通信协议是软件中的一个重要问题,因为它自接关系到节点的性能。因此,在链路层,设计了一个简化的 CSMA/CA协议,即任何节点在发送之前必须进行一段随机时间的侦听,在确认目前没有别的节点在进行数据传输时才进行数据发送,收发双方通过三次握手来交换数据。在系统空闲时,关闭侦听功能,以尽可能降低功耗。当然,这种协议存在着隐含节点以及侦听时的功耗损失等问题,但在一定的节点数量范围内还是很有效的。在网络层协议上,采用了简化的IPv6路由协议[7],之所以采用IPv6,是考虑到IPv6的巨大的地址空间、邻居发现功能、安全性好等优良特性。
四、结束语
Smart RF CC2430是一款符合ZigBee技术的高集成度商业用射频收发器件,其MAC层和PHY层协议符合802.15.4规范,工作于免授权的2. 4GHz频段。利用此芯片开发的无线传感器网络节点成本低、功耗小,适用于电池长期供电。具有硬件加密、安全可靠、组网灵活、抗毁性强等特点,为无线传感网络的广泛应用提供了理想的解决方案。
上一篇:WDM
PON关键技术及应用
下一篇:如何选择合适的无线传感器技术


