- 易迪拓培训,专注于微波、射频、天线设计工程师的培养
30秒搞定IIC时序分析
在I2C总线产品的硬件测试中,验证时序是否满足标准时经常要对十几项参数进行逐一测量,工作繁琐耗时长。但如果用了这一功能,30s之内即可搞定I2C时序分析软件。此功能ZDS全系列示波器均可免费升级!
1、I2C总线介绍
I2C总线是PHLIPS公司推出的一种串行总线,是具备多主机系统所需的包括总线裁决和高低速器件同步功能的高性能串行总线。I2C总线用于连接微控制器及其外围设备。

图1 I2C器件选择
物理结构上,I2C总线只有两根双向信号线,一根是数据线SDA,另一根是时钟线SCL。
SCL(串行时钟线):上升沿将数据输入到每个EEPROM器件中;下降沿驱动EEPROM器件输出数据。
SDA(串行数据线):双向数据线,为OD门,与其它任意数量的OD与OC门成"线与"关系。

图2 I2C总线内部结构
I2C总线通过上拉电阻接正电源。当总线空闲时,两根线均为高电平。连到总线上的任一器件输出的低电平,都将使总线信号变低,即各器件的SDA及SCL都是线"与"关系。
I2C有三种速率,如下:
普通模式(100kHz);
快速模式(400kHz);
高速模式(3.4MHz)。
I2C总线数据有效性
I2C总线进行数据传送时,时钟信号SCL为高电平期间,数据线SDA上的数据必须保持稳定,只有在时钟线SCL上的信号为低电平期间,数据线SDA上的高电平或低电平状态才允许变化,如图3所示。

图3数据有效性
2、I2C时序分析软件
ZDS4000 Plus系列示波器是行业内首个标配I2C时序分析软件的示波器,该分析软件适用于所有应用I2C总线产品的硬件测试,特别是批量产品的硬件测试。传统的测试方法,需要人工定位每一项参数并单独卡光标测量,平均测试一组数据的时间约为30~60分钟,不仅效率低,而且容易引入读数误差甚至错误。
使用I2C时序分析软件,它能够在极短的时间内完成总线信号的DC特性和AC特性分析,并与器件手册标称参数做对比,直接输出测试结果(Pass/Fail),同时支持报表导出,省去人工录入数据的烦恼,极大的提升测试效率。具体测试界面如下图4所示。

图4 I2C时序分析界面
3、I2C时序分析测试参数
I2C时序除了要分析其解码情况,还需验证是其否满足I2C的AC特性标准,I2C时序分析功能测试参数及手册标称如表1所示,包括时钟频率、起始信号/数据信号建立时间、起始信号/数据信号保持时间、时钟低/高电平时间和总线空闲时间等十几项测试参数。

下图5中黄色部分为测试项目所对应的测试具体位置。

图 5 I2C测试项目
4、I2C时序分析实例应用
此次测试选用标配有I2C时序分析软件的ZDS4054 Plus示波器进行测试。如图6所示为I2C时序分析参数设置界面,包含总线设置和参数设置,根据测试的标准用户可自行调节参数的数值。

图 6 参数设置界面
l总线电平:即输入电压Vcc,一般的I2C输入电压为3.30V,若为其他输入电压值也可通过旋钮A对其进行调节。总线电平Vcc的调节将会影响VIL和VIH 的值,Vcc与VIL 、VIH存在如表2所示的关系。
l输入的高电平/低电平电压(VIH 、VIL):两者输入的值由Vcc决定,满足表2所示的关系,也可以通过旋钮A对其进行调节,它们值的变化将不会影响Vcc值的变化。
设置完参数后点击【返回】可查看到测试分析的结果,如下图7所示。

图 7 I2C时序分析
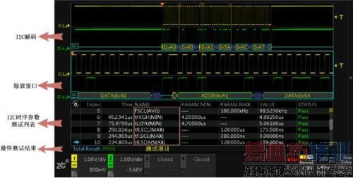
5、I2C时序测试数据细节分析
如图8所示:
l通过观察测试表中的测量参数,若所测量的参数符合测试标准则通过测试,显示为"Pass";
l若不符合设定的标准则不通过测试,显示为"Fail";
l若测试表中显示"No Test"则表示找不到测试信号,此时可调整示波器水平时基,使示波器的屏幕上尽可能出现几帧甚至十几帧的波形,有利于对多点进行测试分析和比较。
l在测试表的最下方将显示最终的整体测试效果,若完全通过测试则显示"Pass",若有一项不通过测试,则为"Fail"。

图 8 I2C时序测试结果
l在测试列表中旋转旋钮B可查看测试表中的参数测试结果,需要查看某一项参数测试细节可通过旋钮B选中后短按旋钮B,此时屏幕中的缩放窗口将跳转至所选数据的测试部位,如图9所示。

图9 数据分析
测试完成后可对所测试的波形和数据进行导出,导出的"网页报表"文件可使用网页打开,导出的"CSV"文件可使用Excel打开。
上一篇:3.0时代,ZigBee如何快乐地玩耍?
下一篇:RS
Components简单解决方案让工业物联网与工业4.0
触手可及


