- 易迪拓培训,专注于微波、射频、天线设计工程师的培养
高速移动场景FemtoCell覆盖方案
引言
TD-SCDMA作为我国自主研发的3G移动通信系统,经过多年的大规模网络建设,网络覆盖已经日趋成熟。近几年,随着国内高速铁路的不断发展,高速移动场景下的无线网络覆盖已经成为TD-SCDMA网络建设的重要组成部分,在高速移动场景下为终端用户提供无缝的覆盖、更高的系统容量和数据速率,已经成为移动通信领域的重大挑战之一。
依托2010年上海市科委重点项目(No.10511500402),作者针对高速移动场景下的网络覆盖解决方案进行了研究和分析,提出了采用 TD-SCDMA FemtoCell技术进行高速移动场景覆盖的解决方案。本文包括以下章节内容:第二节对高速移动通信场景进行了介绍,并给出了该场景下移动通信的业务量需求分析,以及高速场景下网络覆盖的难点问题介绍;第三节总结了现有的高速移动场景覆盖方案;第四节提出了基于FemtoCell的覆盖解决方案,给出关键技术问题的分析,并对需要进一步研究的细节给出了说明;第五节总结全文。
高速移动场景介绍
高速移动通信场景
高速铁路作为一种安全可靠、快捷舒适、超大运量、低碳环保的运输方式,已经成为世界铁路发展的重要趋势。截至目前,中国大陆投入运营的高速铁路已达 6920公里,营业里程居世界第一位,在建的高速铁路达到一万公里以上。时速350公里的北京至天津、武汉至广州、郑州至西安、上海至南京等高速铁路已开通运营,运营速度世界最高。上海市的磁悬浮高速铁路时速更是达到了431公里。高速铁路的线路规模和时速都在不断提升当中,高速移动场景已经成为3G移动通信重要的组网场景,受到越来越多的关注。
跟普通场景相比,高速移动场景下的移动网络覆盖通常有以下特点:
a) 高速移动场景下的终端用户都集中分布在车内,全部用户随着列车运行同步运动。
b) 用户在无线网络中的切换、小区重选等行为都非常集中,无线网络资源的使用呈突发性;短时间内频繁的小区间切换、重选等,对网络KPI指标有一定的影响。
c) 高速的移动使得用户经过一个小区的时间往往很短,信令、业务时延对用户在无线网络中的移动性能影响很大。
d)高速移动场景下的车体通常具有较大的穿透损耗:对于TD-SCDMA常用频段,高速列车车厢穿透损耗通常在15~20 dB,上海磁悬浮高速列车(最高时速达431 公里)车厢穿透损耗在30~35 dB。这对无线网络的连续覆盖、终端功耗都提出了较高的要求。
e)高速移动场景下,多普勒效应明显,产生的多普勒频偏对业务质量影响较大。
f) 高速移动场景下,终端用户数据业务的潜在需求较大。
高速移动场景下无线网络覆盖必然需要结合上述特点进行规划和设计,最大程度上保证终端用户的业务需求,提升用户体验。
高速移动通信场景业务需求
随着国内TD-SCDMA网络规模和用户规模的扩大,TD-SCDMA终端用户对数据业务的需求也呈较大上升趋势,终端用户潜在地希望在各种环境下都能得到较好的业务体验。
对于高速移动场景,这里基于一系列假设给出终端用户业务需求分析:
假设条件: 高速列车每列16节车厢,每节车厢乘客50人。
乘客语音通信需求:16×50×0.02×0.8=12.8 erl
其中,移动用户渗透率80%, 每个用户话务量0.02 erl。
乘客数据通信需求:16×50×0.384×0.25×0.25×0.8=15.36 Mbps
其中,每位乘客通信容量0.384 Mbps,收敛比4:1(系数0.25),数据通信使用率为25%,移动用户渗透率80%。
考虑到双向开行,以每小区覆盖最多2辆车计算,每小区通信量需求如下表所示:

上述参数假设在实际容量预算时是可以适当调整的,但总体上不会改变对比趋势。
根据上述业务需求分析看,高速场景下对数据业务的需求非常大。以目前商用的TD-SCDMA系统2上4下时隙配比为例,单载波能够提供的上行理论极限吞吐量560 kbps,下行理论极限吞吐量1.68 Mbps,考虑到高速移动通信场景下的多普勒效应、穿透损耗大等因素,实际单载波能够提供的上下行数据速率非常低。
因此,在现有TD-SCDMA可用的频谱资源条件下,很难满足高速移动场景下终端用户的业务需求。
高速移动场景覆盖难点
在终端高速移动的场景下,直接使用常规TD-SCDMA宏蜂窝小区进行覆盖存在一系列问题,其中主要包括:
多普勒频移
多普勒频移是由于终端和基站之间相对运动造成,高速场景下这种效应尤其明显。多普勒频移导致UE接收信号和Node B发送信号之间存在一个频率偏差,频率偏差会导致UE接收数据符号出现相位旋转,进而影响到数据解调的准确性。经过计算在TD-SCDMA系统中QPSK 解调支持的速度极限为200 km/h。对于更高速度的移动场景,则必须改进相位校准算法才能保证传输性能。实际上,由于相位校准算法的相位补偿能力有限,无法从根本上解决多普勒频偏的影响,必然对通信链路质量造成负面影响。
车厢穿透损耗
高速场景下列车车厢的穿透损耗较大。经过测量,高速列车车厢穿透损耗通常在15~20dB左右,上海磁悬浮高速列车车厢穿透损耗在30~35dB左右。因此,如果在车厢外对车厢内的用户进行覆盖,车厢的穿透损耗也是一个不容忽视的问题,会直接影响通信链路质量。
移动性管理
高速铁路等高速移动场景与普通场景相比,由于移动速度非常高,在沿途每个小区覆盖范围内停留的时间都非常短。而高速移动环境下,由于链路质量的恶化,终端用户的小区驻留、接入、重选和切换等通信过程需要测量和信令交互的时间会更长,而采用常规的宏蜂窝小区覆盖主要考虑的是中低速场景,时延较大的重选、切换和接入等流程很可能无法在单个基站站点覆盖范围内全部完成;同时频繁的切换还会导致用户体验变差,切换掉话的可能性变大。
网络容量受限
参考2.2节的分析,大量高速移动场景下的终端用户业务容量需求较高,在现有TD-SCDMA可用的频谱资源条件下,使用TD-SCDMA宏蜂窝小区覆盖的方式,难以满足高速移动场景下终端用户的业务需求。
另外,当高速列车运行到小区或位置区边缘时,会产生大量的切换或位置区更新信令,会导致短时间内系统负荷过载。
高速移动场景现有覆盖解决方案
多小区合并组网方案
多小区合并的组网方式,通过扩大单小区覆盖面积,增大重选/切换带,解决高速环境下的连续性覆盖问题,从而解决终端在高速移动环境中的驻留、接入、呼叫等问题,提升终端小区重选、小区切换成功率,降低终端掉话率。
普通小区结构如图1所示。

图1 普通小区结构示意图(单站址单扇区)
普通小区结构即单扇区覆盖一个小区,单个小区覆盖范围有限。其中BBU为基站基带单元,RRU为基站射频单元。
经过多小区合并,小区结构示意图如图2 所示。

图2 多站址多扇区合并示意图
采用多小区合并之后,原来多个小区之间的切换区域变成了同一个小区内的接力点,减少了切换,无需再预留信号重叠区域,从而扩大了单站覆盖距离。成倍降低终端用户在高速环境下的切换、重选次数,提升用户感知。
可以看出,多小区合并组网方案,主要解决了移动性管理的问题。
高速无线直放站方案
在多小区合并组网方案基础上,引入高速无线直放站,通过安装在车厢外部的施主天线接收轨道沿线的TD-SCDMA宏蜂窝小区信号,并将放大后的信号通过泄漏电缆传递到乘客车厢,覆盖车厢内用户。
高速无线直放站的引入,在一定程度上解决了穿透损耗的问题。
现有方案存在的问题
从上述现有方案描述和分析看,现有的高速移动场景覆盖解决方案解决了移动性管理、穿透损耗、多普勒频偏的部分问题,一定程度上保证了终端用户基本业务(如语音、低速数据)的需求,但仍然存在一些明显的问题,见下表:

基于上述分析,目前的方案不能解决高速场景下网络容量受限的问题。为了更好地解决这一问题,本文将在下面章节中介绍一种基于FemtoCell的高速场景下覆盖解决方案。
FemtoCell覆盖解决方案
FemtoCell(家庭基站小区)技术是目前众多通信设备商和主流运营商关注的重点。它的应用场景主要定位为家庭或者中小企业,一个FemtoCell单元类似于一个WLAN的无线接入点,通过普通的以太网口或其他有线连接接入到移动运营商的核心网络,以实现电信级运营和网络覆盖[1]。
本文将FemtoCell技术应用到高速移动场景,该方案采用LTE网络作为无线宽带回传网络(称为Backhaul),在每个列车上部署FemtoCell(标准研究中通常称为HNB,Home Node B家庭基站)和FemtoGW(标准研究中通常称为HNB GW,HNB GateWay家庭基站网关),通过LTE回传网络将这些FemtoCell接入到核心网络。LTE回传设备在宏蜂窝网络中相当于一个高速移动的终端。
网络架构介绍
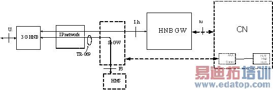
在介绍高速场景下FemtoCell覆盖解决方案之前,先对标准中的FemtoCell系统架构做简要介绍[2],其网络架构如下图所示:

图4 Home Node B网络架构图
可以看出,在FemtoCell系统中引入的网元有HNB、HNB GW、SeGW(Security GateWay)、HMS(HNB Management System)。
其中,HNB集成了Node B和RNC的主要功能。HNB GW主要是为HNB和CN之间的连接提供汇聚/分发功能以及负责对HNB的注册管理等。SeGW安全网关提供HNB到HMS和HNB GW的安全接入、HNB鉴权等功能。HMS主要功能是为HNB提供管理和参数配置。
本文将要介绍的车载FemtoCell系统网络架构如图5 和图6 所示:

图6所示的FemtoCell系统网络架构在参考LTE-Advanced Relay的网络架构[3]设计的基础上,针对高速移动场景覆盖特点,进行针对性调整和扩展,具体见下面网元介绍。
需要特别说明的是:这里的TrainGW安装于车厢上,完成HNB数据的汇聚/分发、HNB注册管理等功能。部署在车厢上的主要原因有:
1)考虑到单个HNB覆盖范围有限、业务容量有限,一般列车都会放置多个HNB。若将HNB GW作为地面固定设备部署,车厢上同样需要一个替代设备对HNB数据进行汇聚/分发,逻辑功能重复。
2) 车内HNB随着列车运动而位置不断变化,如果HNB GW在地面固定部署,则HNB GW需要跟踪HNB的移动信息,不仅实现复杂,还会增加业务时延等。
因此将HNB GW部署于车内较为合适。
网元介绍
TrainGW
TrainGW相当于LTE-Advanced Relay架构中的Relay节点,包括了HNB(或HeNB GW)功能和eUE功能(又称为TrainGW eUE),HNB/HeNB GW功能为车内各个HNB(或HeNB)提供服务,负责对HNB(或HeNB)与CN之间的信令和数据进行汇聚和转发,eUE功能用于在回传链路上收发数据,eUE上的用户平面数据即为HNB与CN之间交互的信令和数据。
该网元通过Iuh接口与车厢内部署的HNB连接,为车厢内的终端用户提供接入。
Macro-eNB
Macro-eNB为LTE网络中的宏小区,实现与TrainGW eUE的空口连接,完成TrainGW eUE与LTE核心网之间的数据转发。
TrainGW eUE的MME
为了使TrainGW的eUE功能可以正常工作,这里引入了TrainGW eUE的MME和TrainGW eUE的SGW/PGW两个功能实体。TrainGW eUE的MME负责为TrainGW eUE建立S1接口和信令连接,与LTE网络中的MME功能一致。
Macro eNB需要与TrainGW的MME建立一个S1接口,并为其下辖的每个TrainGW维护一条S1连接。
TrainGW eUE的SGW/PGW
TrainGW eUE的SGW/PGW负责对HNB与CN之间以及HNB与HMS之间交互的信令和数据进行汇聚和转发,与LTE网络中的SGW/PGW功能一致。
与LTE-Advanced Relay架构的区别是,TrainGW SGW/PGW 和TrainGW MME 通过核心网间接口直接与3G CN核心网互联,支持3G HNB、3G用户终端设备对3G CN的访问。
HMS
相对于LTE-Advanced Relay网络架构,这里引入HNB系统中的HMS,HMS为网络管理设备,基于TR-069网络管理协议实现,负责为NNB提供配置参数,实现HNB的 位置认证功能,并且为HNB分配合适的服务HNB GW,为HNB提供性能管理,告警管理。
SeGW
相对于LTE-Advanced Relay网络架构,这里引入HNB系统中的SeGW,主要为HNB与HMS之间的连接安全性提供保证,在地面固定部署。
车载系统HNB通过光纤或电缆连接HNB GW,一般为运营商或铁路部门专用网络部署,因此HNB到HNB GW之间可以保证安全接入。
可以看出,TrainGW eUE 、Macro-eNB、 TrainGW SGW/PGW、TrainGW MME共同构成了HNB 与3G 核心网CN间的Iu接口数据传输通道。
数据流向
User UE的控制平面和用户平面数据被映射到TrainGW-eUE的用户平面承载,经由Macro eNB和TrainGW SGW/PGW,透传给3G 核心网CN。
对关键接口的影响
Iuh接口
Iuh接口传输承载由运营商或铁路部门部署的光纤或电缆传输,对接口协议没有影响。
Iu接口
Iu接口数据传输通道由TrainGW eUE 、Macro-eNB、 TrainGW SGW/PGW、TrainGW MME共同构成,对接口协议没有影响。
HMS和HNB之间接口
FemtoCell固定网络中通过HNBIP网络SeGWHMS,实现HMS与HNB之间的数据传输,接口协议采用TR-069。高速铁路覆盖中,HMS与HNB之间的数据传输通过HNBTrainGWLTE Macro-eNBLTE核心网IP网络SeGWHMS实现,对接口协议没有影响。
业务需求可行性分析
本节将根据高速铁路业务需求和TDD LTE回传网络所能提供的系统容量,进行本方案支持用户业务需求的可行性分析。
根据2.2节统计结果,折算到Iu口容量,见下表:

其中,CS12.2k语音业务和数据业务转换为Iu口数据格式,需要增加各种头开销,传输速率计算时分别对应一个速率倍增系数,即2.871和1.322。
根据上述对比,可以看到TDD LTE网络20M带宽、时隙配比为D:S:U=4:2:4的配置(4个下行时隙:2个特殊时隙:4个上行时隙)下,能够满足传输容量的要求,相对于采用传统的车厢外TD-SCDMA宏小区覆盖的方案具有明显的优势。
关键技术问题分析
干扰
高速FemtoCell组网方式,主要的干扰场景为:

图7 干扰场景示意图
车内相邻FemtoCell之间的干扰
干扰场景如图7中(1)所示。
根据1.2节统计,列车每车厢业务量需求下行在1 Mbps左右,上行在0.04 M左右,因此每车厢部署1个单载波FemtoCell可以满足容量需求,即可以采用每个FemtoCell小区单频点覆盖,车内干扰可以通过频点规划规避同频干扰。在可用频点个数允许的情况下,尽量增大FemtoCell频点复用距离。比如,FemtoCell采用目前TD-SCDMA网络常用的3个室内覆盖频点进行覆盖,那么频点复用距离为车厢长度的三倍。
另外,车厢之间有车门阻隔可以屏蔽一定的干扰。
列车FemtoCell与室外宏小区之间的干扰
干扰场景如图7中(2)所示。
列车FemtoCell与室外宏小区之间的干扰可以通过异频组网的方式进行规避。考虑到铁路沿线通常不会有密集的居民和办公建筑分布,列车内FemtoCell覆盖可以复用家庭基站组网的频率资源,比如规划给室内覆盖的频率资源。
两列车FemtoCell之间的干扰
干扰场景如图7中(3)所示。
高速场景下列车通常采用金属车厢,两辆列车之间的隔离度在25~30 dB以上,在很大程度上隔离了相互之间的干扰。尤其在列车行驶过程中,相向运动,两辆列车并列时间<5 s(按照动车组行驶速度200 km/h,列车长度400 m计算),列车之间FemoCell相互干扰影响较小。
移动性管理
小区切换/重选
本文提出的高速铁路FemtoCell覆盖解决方案中涉及两种类型终端,一种是用户终端,另一种是车载网关。车载网关同时作为车外宏小区的终端,随 着列车运动,需要进行小区驻留、接入、重选和切换等一系列过程,为了提高车载网关的移动性能,可以采用现有的多小区合并、优化切换重选参数、定向接入/切 换等多种方案。因此本节将重点讨论车内用户的移动性问题。
车内用户的移动又包括2种场景:用户在列车上不同FemtoCell间移动的情况(如图8中(1)所示);车内用户上下车的情况。其中,用户在列车 上不同FemtoCell间移动的情况,可以采用现有的FemtoCell间用户移动处理方式[5](TrainGW进行处理)。车内用户上下车的移动性 问题包括:车内用户移动至车外(如图8中(2)所示)和车外用户移动至车内(如图8中(3)所示)两种情况,下面进行具体分析。

图8 切换/重选场景示意图
车内用户向车外小区切换/重选
需要将车外宏小区配置成车内FemtoCell小区的邻区,可以利用HNB现有的自动监听检测功能进行邻区检测,选择合适的车外宏小区作为邻区。但是考虑到车体穿透损耗,车内HNB对邻区的检测可能不够准确,这个是需要进一步研究的问题。
同时列车在运行过程中不可能有用户上下车,此时希望车内终端用户能够一直驻留在车内FemtoCell小区内,此时邻区列表中只需要配置车上相邻的FemtoCell。因此车内FemtoCell小区的邻区也可以灵活地进行配置。
车外用户向车内小区切换/重选
由于经过一个站台的车辆及停留时间都不固定,若将所有可能经过列车的所有FemtoCell小区都添加为邻区,则一是可能会超出邻区数限制,二是会增加终端的测量上报的负荷;若FemtoCell邻区只是在列车进站时添加,出站时删除,则会引起宏小区广播频繁更新,导致众多终端频繁读取广播。上述问题同样存在于室内FemtoCell组网场景,需要进一步的研究。
网络寻呼
对TrainGW的寻呼
车外宏小区对TrainGW的寻呼应遵循车外宏小区对一般终端的寻呼方式和流程,不需要特殊调整。并且TrainGW在工作过程中承载大量真实终端数据,一般不会处于空闲状态,发起寻呼次数很少,因为寻呼导致的TrainGW与车外宏小区连接建立时延对FemtoCell内终端业务的影响可以忽略。
对用户终端(User-UE)的寻呼
3G网络对用户终端的寻呼消息,作为用户面数据,以IP包的形式传输给TrainGW eUE的SGW/PGW,此时TrainGW eUE的SGW/PGW相当于一个数据路由器,在LTE回传网络中最终传输给TrainGW eUE,在TrainGW内部把这些IP包数据传递给HNB GW,至此完成了寻呼数据在Iu口上的传输。
TrainGW可以通过现有寻呼方式对服务的用户终端进行寻呼:当TrainGW收到CN 下发的寻呼消息时,根据寻呼消息中的UE 标识,通过查询UE Context,找到UE 所附着的FemtoCell 小区,并在该FemtoCell 范围内实现精确寻呼。
同步
由于终端在列车内外的移动性的需要,要求车内FemtoCell之间,车内FemtoCell与车外宏小区之间保持同步。采用的方法可以有:空口同步、GPS同步。
空口同步:利用eUE得到的3G车外宏小区同步参考,进行同步调整。
优点:可以在任何存在3G网络的地方获取同步参考。
缺点:需要TrainGW eUE同时支持3G网络同步信号的接收。
GPS同步:利用车上安装的GPS设备获取同步参考信号。
优点:不需要TrainGW eUE同时支持3G网络同步信号的接收。
缺点:列车进站后,可能不能随时接收GPS信号。
QoS保证
TrainGW作为一个大容量、高速移动的终端,汇集了来自大量用户终端多种QoS等级的业务数据。LTE车外宏小区作为业务数据的中转,需要分别保证不同业务的QoS要求。同时在不能为高速铁路提供专网组网的情况下,需要保证车上用户和车外直接接入车外宏小区的用户能得到公平调度。
可以采取如下方案:
TrainGW 根据车内UE传输数据的QoS类型建立不同的优先级承载,来自同一TrainGW不同UE相同QoS类型的业务可以映射到同一条优先级承载上。车外宏小区根据业务优先级调度TrainGW 或车外宏小区其他终端。或者可以根据对车载业务保证的需求,调整车载业务优先级。
方案小结
根据上述分析,基于FemtoCell覆盖高速移动场景的方案,相对于传统覆盖方案可以解决一些实际的问题:
HNB安装在车厢内部,通过TrainGW与车厢外宏小区建立连接,解决了车厢穿透损耗对空口传输的影响。
采用LTE网络作为无线宽带回传网络,解决了高速场景下用户密集,3G网络容量受限的问题。
移动性管理方面,本方案中车厢外LTE宏小区组网时仍然可以采用多小区合并组网技术,可以解决TrainGW eUE终端在LTE宏小区中停留过短的问题。并且TrainGW汇聚了大量用户终端的数据,作为一个车外宏小区的终端在网络中移动,车厢内 FemtoCell之间的用户切换可以直接经过TrainGW进行,切换和小区重选等移动性过程相当于在低速环境下进行。
同时,该方案在诸多细节上还需要进一步研究,如:
针对高速场景下用户终端移动和传播环境特点,HNB邻区配置策略和方法需要进一步研究和优化。
为了方便运营商对用户漫游计费的统计,针对HNB在随着列车移动的特点,需要对HNB位置区/路由区的维护方案进一步研究。
采用LTE空口回传技术,空口传输速率受信道条件,网络负荷等因素的影响,会引入数据回传的时延。因此需要对车载用户终端的业务质量保证策略进一步研究和优化。
总结
高速移动场景已经成为3G移动通信重要的组网场景,FemtoCell由于其灵活的组网方式,已经在室内场景组网中得到了广泛的应用。本文结合高速移动场景的特点,提出了一种利用 FemtoCell基站对高速铁路车厢进行覆盖的组网方式,并给出实现的网络架构,及干扰、移动性管理、同步、QoS保证等关键技术问题分析。根据初步的研究分析,该方案结合现有的高速移动场景覆盖技术,可以解决高速移动场景下移动性管理、网络容量受限及车厢穿透损耗等问题,可以明显提升终端用户的业务体验。同时,方案中还存在一些细节需要进一步研究和优化,需要后续关注。
上一篇:思科CleanAir解决方案
下一篇:国际电信联盟正在制定4G标准


