- 易迪拓培训,专注于微波、射频、天线设计工程师的培养
Maxim MAX19996A高线性下变换混频方案
Maxim公司的MAX19996A是高线性下变换混频器,转换增益为8.7dB,IP3为+24.5dBm,噪音为9.8dB,适用于2GHz到3.9GHz的WCS, LTE, WiMAX;和MMDS无线基础设备。MAX19996A的本地振荡(LO)频率从2100-4000MHz,驱动功率从-3dBm到3dBm,很适合于低边或高边LO注入架构.中频频率(IF)为50MHz 到500MHz,单电源3.3V或5.0V工作。MAX19996A可用在2.3GHz WCS 基站,2.5GHz WiMAX 和LTE 基站,2.7GHz MMDS 基站与3.5GHz WiMAX 和LTE基站,固定宽带无线接入,无线局域网,私人移动无线电台和军用系统。本文介绍了MAX19996A的主要特性,方框图以及典型应用电路与所用材料清单。
The MAX19996A single, high-linearity downconversion mixer provides 8.7dB conversion gain, +24.5dBm IIP3, and 9.8dB noise figure for 2000MHz to 3900MHz WCS, LTE, WiMAX™, and MMDS wireless infrastructure applications.
With an ultra-wide LO frequency range of 2100MHz to 4000MHz, the MAX19996A can be used in either low-side or high-side LO injection architectures for virtually all 2.5GHz and 3.5GHz applications. For a 2.5GHz variant tuned specifically for low-side injection, refer to the MAX19996 data sheet. In addition to offering excellent linearity and noise performance, the MAX19996A also yields a high level of component integration. This device includes a double- balanced passive mixer core, an IF amplifier, and an LO buffer. On-chip baluns are also integrated to allow for single-ended RF and LO inputs. The MAX19996A requires a nominal LO drive of 0dBm, and supply current is typically 230mA at VCC = 5.0V, or 150mA at VCC = 3.3V.
The MAX19996A is pin compatible with the MAX19996 2000MHz to 3000MHz mixer. The device is also pin similar with the MAX9984/MAX9986/MAX9986A 400MHz to 1000MHz mixers and the MAX9993/ MAX9994/MAX9996 1700MHz to 2200MHz mixers, making this entire family of downconverters ideal for applications where a common PCB layout is used for multiple frequency bands.
The MAX19996A is available in a compact 5mm x 5mm, 20-pin thin QFN with an exposed pad. Electrical performance is guaranteed over the extended -40°C to +85°C temperature range.
MAX19996A主要特性:
2000MHz to 3900MHz RF Frequency Range
2100MHz to 4000MHz LO Frequency Range
50MHz to 500MHz IF Frequency Range
8.7dB Conversion Gain
9.8dB Noise Figure
+24.5dBm Typical Input IP3
11dBm Typical Input 1dB Compression Point
67dBc Typical 2LO-2RF Spurious Rejection at PRF = -10dBm
Integrated LO Buffer
Integrated RF and LO Baluns for Single-Ended Inputs
Low -3dBm to +3dBm LO Drive
Pin Compatible with the MAX19996 2000MHz to 3000MHz Mixer
Pin Similar with the MAX9993/MAX9994/MAX9996 Series of 1700MHz to 2200MHz Mixers and the MAX9984/MAX9986/MAX9986A Series of 400MHz to 1000MHz Mixers
Single 5.0V or 3.3V Supply
External Current-Setting Resistors Provide Option for Operating Device in Reduced-Power/Reduced- Performance Mode
MAX19996A应用:
2.3GHz WCS Base Stations
2.5GHz WiMAX and LTE Base Stations
2.7GHz MMDS Base Stations
3.5GHz WiMAX and LTE Base Stations
Fixed Broadband Wireless Access
Wireless Local Loop
Private Mobile Radios
Military Systems

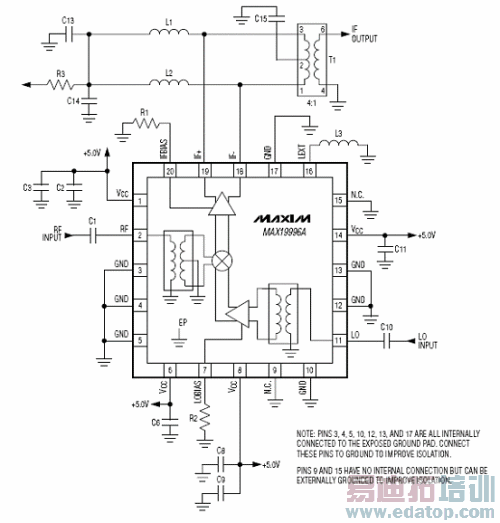
图1.MAX19996A功能方框图

图2.MAX19996A典型应用电路
典型应用电路所用元件列表:



